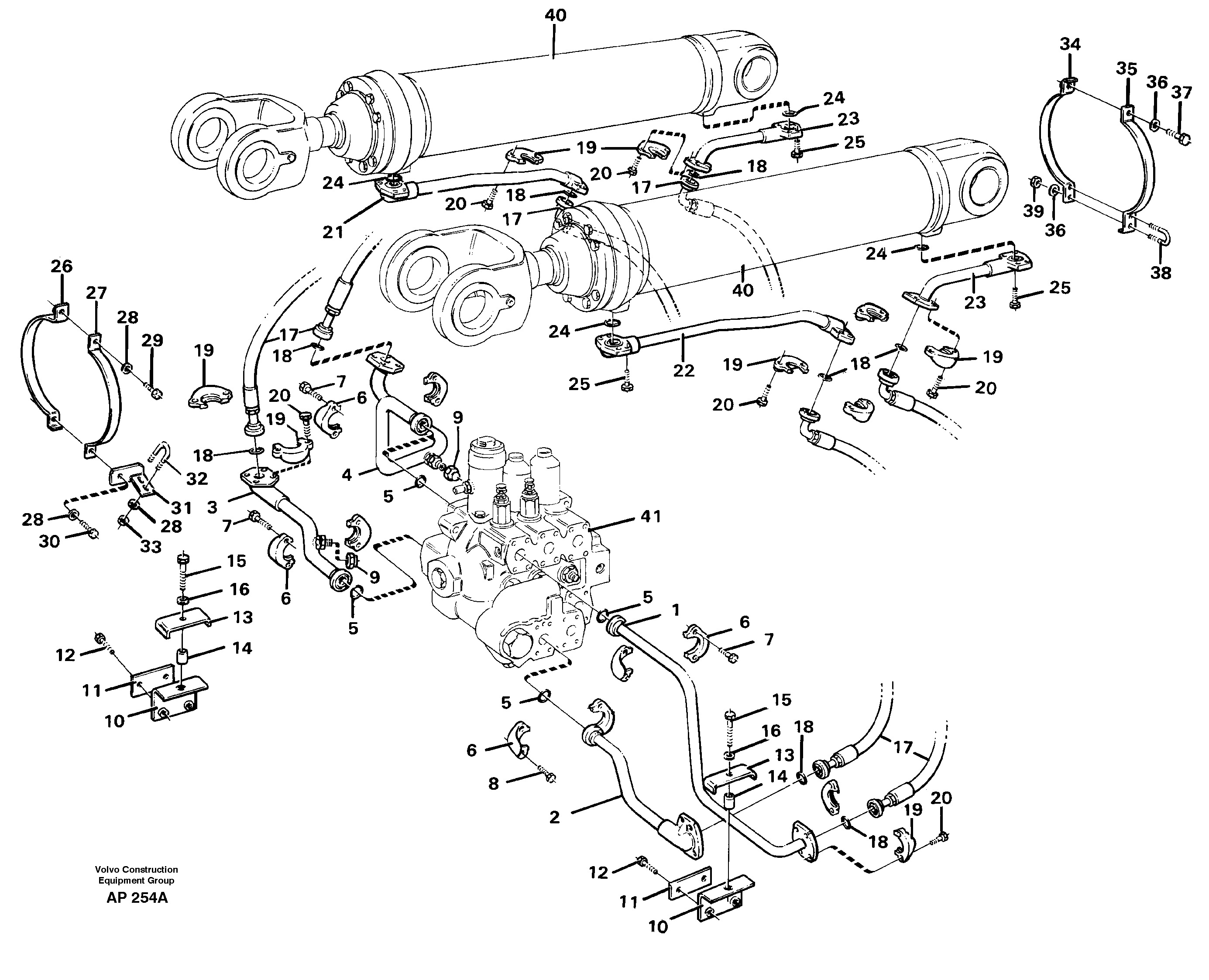
Запчасти Volvo L120C 50980 Hydraulic system Lift function L120C VOLVO BM VOLVO BM L120C SER NO - 11318

Схема запчастей Volvo L120C - 50980 Hydraulic system Lift function L120C VOLVO BM VOLVO BM L120C SER NO - 11318
FIT
1:1
100%

Артикул

Название

Примечание

Количество

VOE 13970948

Винт шестигранник

SER NO 11081 -

1шт.

VOE 13970948

Винт шестигранник

SER NO 11081 -

1шт.

VOE 11020343

Attachment

LH

1шт.

1

VOE 11020307

Трубка

LH +

1шт.

10

VOE 11020354

Attachment

1шт.

11

VOE 11020368

Шайба

1шт.

11

VOE 11020368

Шайба

1шт.

12

VOE 13970949

Винт шестигранник

M10x35

1шт.

12

VOE 13970949

Винт шестигранник

M10x35

1шт.

13

VOE 11020356

Cap

1шт.

14

VOE 930452

Spacer ring

1шт.

14

VOE 930452

Spacer ring

1шт.

15

VOE 13970953

Винт шестигранник

M10x55

1шт.

15

VOE 13970953

Винт шестигранник

M10x55

1шт.

16

VOE 976945

Шайба

1шт.

16

VOE 976945

Шайба

1шт.

17

VOE 13932981

Hose assembly

L = 1200

1шт.

18

VOE 13948700

Кольцо уплотнительное (О-кольцо)

1шт.

18

VOE 13948700

Кольцо уплотнительное (О-кольцо)

1шт.

19

VOE 927947

Flange half

1шт.

19

VOE 927947

Flange half

1шт.

2

VOE 11020305

Трубка

LH -

1шт.

20

VOE 959239

Allen Hd Screw

M10x30

1шт.

21

VOE 11020296

Трубка

RH -

1шт.

22

VOE 11020298

Трубка

LH -

1шт.

23

VOE 11020294

Трубка

+

1шт.

24

VOE 13948700

Кольцо уплотнительное (О-кольцо)

1шт.

24

VOE 13948700

Кольцо уплотнительное (О-кольцо)

1шт.

25

VOE 959239

Allen Hd Screw

M10x30, SER NO - 11080

1шт.

26

VOE 11020338

Зажим

-

1шт.

27

VOE 11020340

Зажим

-

1шт.

28

VOE 976944

Шайба

1шт.

28

VOE 976944

Шайба

1шт.

29

VOE 955297

Винт шестигранник

M8x25

1шт.

29

VOE 955297

Винт шестигранник

M8x25

1шт.

3

VOE 11020301

Трубка

RH -

1шт.

30

VOE 940142

Винт шестигранник

M8x30

1шт.

30

VOE 940142

Винт шестигранник

M8x30

1шт.

31

VOE 11020341

Attachment

RH

1шт.

32

VOE 4850621

Зажим

1шт.

33

VOE 946036

Lock nut

1шт.

33

VOE 946036

Lock nut

1шт.

34

VOE 11020345

Зажим

+

1шт.

35

VOE 11020347

Зажим

+

1шт.

36

VOE 976944

Шайба

1шт.

36

VOE 976944

Шайба

1шт.

37

VOE 955297

Винт шестигранник

M8x25

1шт.

37

VOE 955297

Винт шестигранник

M8x25

1шт.

38

VOE 11020348

Зажим

1шт.

39

VOE 946036

Lock nut

1шт.

39

VOE 946036

Lock nut

1шт.

4

VOE 11020303

Трубка

RH +

1шт.

5

VOE 13948700

Кольцо уплотнительное (О-кольцо)

1шт.

5

VOE 13948700

Кольцо уплотнительное (О-кольцо)

1шт.

6

VOE 927947

Flange half

1шт.

6

VOE 927947

Flange half

1шт.

7

VOE 959239

Allen Hd Screw

M10x30

1шт.

8

VOE 959250

Allen Hd Screw

M10x90

1шт.

9

VOE 4821970

Blind nut

1шт.

9

VOE 4821970

Blind nut

1шт.

Выбрано товаров: 60