Запчасти Volvo L120C 40535 Установка двигателя L120C S/N 11319-SWE, S/N 61677-USA, S/N 70075-BRA

Схема запчастей Volvo L120C - 40535 Установка двигателя L120C S/N 11319-SWE, S/N 61677-USA, S/N 70075-BRA
FIT
1:1
100%

Артикул

Название

Примечание

Количество

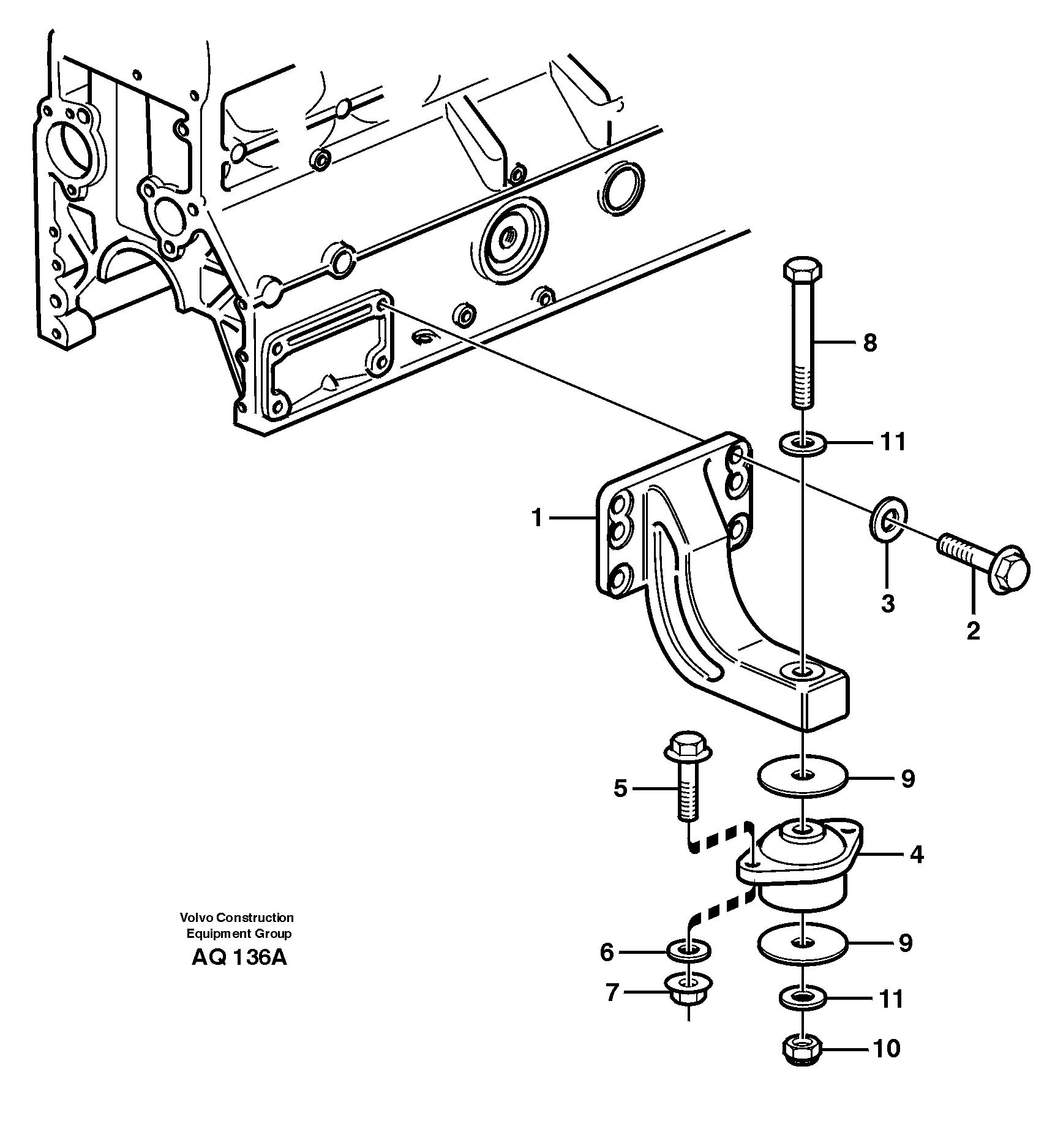
VOE 11015919

Установка двигателя

1шт.

VOE 11015919

Engine Mounting

1шт.

1

VOE 4856778

Установка двигателя

1шт.

1

VOE 4856778

Engine Mounting

1шт.

10

VOE 945884

Lock nut

1шт.

10

VOE 945884

Lock nut

1шт.

11

VOE 13955900

Шайба

1шт.

11

VOE 13955900

Шайба

1шт.

2

VOE 965227

Screw

1шт.

2

VOE 965227

Болт

1шт.

3

VOE 13955897

Шайба

1шт.

3

VOE 13955897

Шайба

1шт.

4

VOE 342812

Rubber cushion

1шт.

4

VOE 342812

Rubber cushion

1шт.

5

VOE 13970950

Винт шестигранник

1шт.

5

VOE 13970950

Винт шестигранник

1шт.

6

VOE 13960143

Шайба

1шт.

6

VOE 13960143

Шайба

1шт.

7

VOE 13971098

Flange nut

1шт.

7

VOE 13971098

Flange nut

1шт.

8

VOE 13955378

Болт

1шт.

8

VOE 13955378

Болт

1шт.

9

VOE 11015657

Шайба

1шт.

9

VOE 11015657

Шайба

1шт.

Выбрано товаров: 24