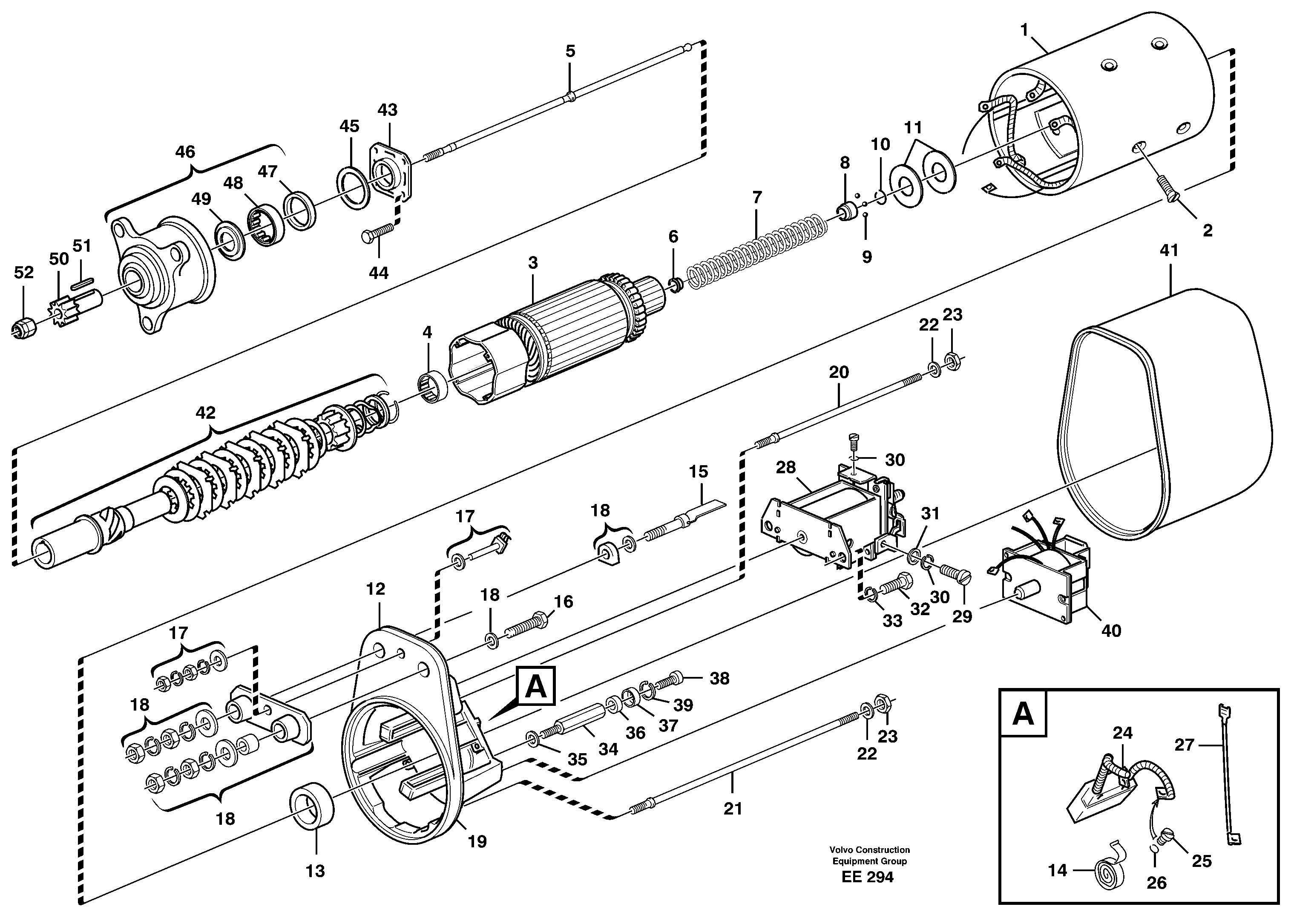
Запчасти Volvo L120D 10846 Starter motor L120D

Схема запчастей Volvo L120D - 10846 Starter motor L120D
FIT
1:1
100%

Артикул

Название

Примечание

Количество

VOE 11129121

Starter motor

1шт.

VOE 11129121

Starter motor

1шт.

VOE 6212614

Sealing Washer

1шт.

VOE 6212614

Sealing Washer

1шт.

VOE 6643680

Вал

1шт.

VOE 6643680

Вал

1шт.

VOE 7240487

Прокладка

THICK = 0,3 MM

1шт.

VOE 7240487

Прокладка

THICK = 0,3 MM

1шт.

VOE 11702689

Bearing Shield

1шт.

VOE 11702689

Bearing Shield

1шт.

1

VOE 6212612

Field Winding

1шт.

1

VOE 6212612

Field Winding

1шт.

10

VOE 240471

Lock Ring

1шт.

10

VOE 240471

Lock Ring

1шт.

11

VOE 241904

Прокладка

THICK = 0,2 MM

1шт.

11

VOE 241904

Прокладка

THICK = 0,2 MM

1шт.

13

VOE 240481

Втулка

1шт.

13

VOE 240481

Втулка

1шт.

14

VOE 240478

Brush Spring

1шт.

14

VOE 240478

Brush Spring

1шт.

17

VOE 6643672

Connector Kit

1шт.

17

VOE 6643672

Connector Kit

1шт.

18

VOE 3094494

Contact

1шт.

19

VOE 7072225

Прокладка

1шт.

19

VOE 7072225

Прокладка

1шт.

2

VOE 848091

Болт

1шт.

2

VOE 848091

Болт

1шт.

20

VOE 6643677

Болт

1шт.

20

VOE 6643677

Болт

1шт.

21

VOE 6643678

Болт

1шт.

21

VOE 6643678

Болт

1шт.

22

VOE 955892

Шайба

1шт.

22

VOE 955892

Шайба

1шт.

23

VOE 13955781

Гайка

1шт.

23

VOE 13955781

Гайка

1шт.

24

VOE 6212621

Carbon Brush Set

1шт.

24

VOE 6212621

Carbon Brush Set

1шт.

25

VOE 6643679

Болт

1шт.

25

VOE 6643679

Болт

1шт.

26

VOE 955918

Шайба пружинная

1шт.

26

VOE 955918

Шайба пружинная

1шт.

27

VOE 847987

Cable

1шт.

28

VOE 240488

Реле

1шт.

28

VOE 240488

Реле

1шт.

29

VOE 244218

Болт

1шт.

29

VOE 244218

Болт

1шт.

30

VOE 955918

Шайба пружинная

1шт.

30

VOE 955918

Шайба пружинная

1шт.

31

VOE 13940090

Шайба

1шт.

31

VOE 13940090

Шайба

1шт.

32

VOE 13949734

Винт шестигранник

1шт.

32

VOE 13949734

Винт шестигранник

1шт.

33

VOE 955921

Шайба пружинная

1шт.

33

VOE 955921

Шайба пружинная

1шт.

34

VOE 243713

Болт

1шт.

35

VOE 240498

Шайба

1шт.

36

VOE 7072202

Прокладка

1шт.

36

VOE 7072202

Прокладка

1шт.

37

VOE 7072201

Шайба

1шт.

37

VOE 7072201

Шайба

1шт.

38

VOE 956094

X Rec Screw

1шт.

38

VOE 956094

X Rec Screw

1шт.

39

VOE 955919

Шайба пружинная

1шт.

39

VOE 955919

Шайба пружинная

1шт.

4

VOE 243091

Needle Bearing

1шт.

4

VOE 243091

Needle Bearing

1шт.

40

VOE 7240493

Magnet

1шт.

40

VOE 7240493

Magnet

1шт.

41

VOE 6212620

Крышка

1шт.

41

VOE 6212620

Крышка

1шт.

42

VOE 244539

Диск сцепления (фрикцион)

1шт.

42

VOE 244539

Диск сцепления (фрикцион)

1шт.

43

VOE 240456

Подшипник промежуточный

1шт.

44

VOE 6212616

Болт

1шт.

44

VOE 6212616

Болт

1шт.

45

VOE 240457

Шайба

1шт.

45

VOE 240457

Шайба

1шт.

46

VOE 11702690

Drive End Assembly

1шт.

47

VOE 240455

Втулка

1шт.

47

VOE 240455

Втулка

1шт.

48

VOE 240453

Подшипник

1шт.

48

VOE 240453

Подшипник

1шт.

49

VOE 243172

Кольцо уплотнительное

1шт.

49

VOE 243172

Кольцо уплотнительное

1шт.

50

VOE 243180

Drive Gear

1шт.

51

VOE 240473

Key

1шт.

51

VOE 240473

Key

1шт.

52

VOE 11000085

Гайка

1шт.

52

VOE 11000085

Гайка

1шт.

6

VOE 844410

Brg Arrangement

1шт.

7

VOE 6212617

Compression Spring

1шт.

7

VOE 6212617

Compression Spring

1шт.

8

VOE 6212622

Brg Arrangement

1шт.

9

VOE 844412

Ball

1шт.

9

VOE 844412

Ball

1шт.

Выбрано товаров: 95