Запчасти Volvo L120D 12121 Гидроцилиндр L120D

Схема запчастей Volvo L120D - 12121 Гидроцилиндр L120D
FIT
1:1
100%

Артикул

Название

Примечание

Количество

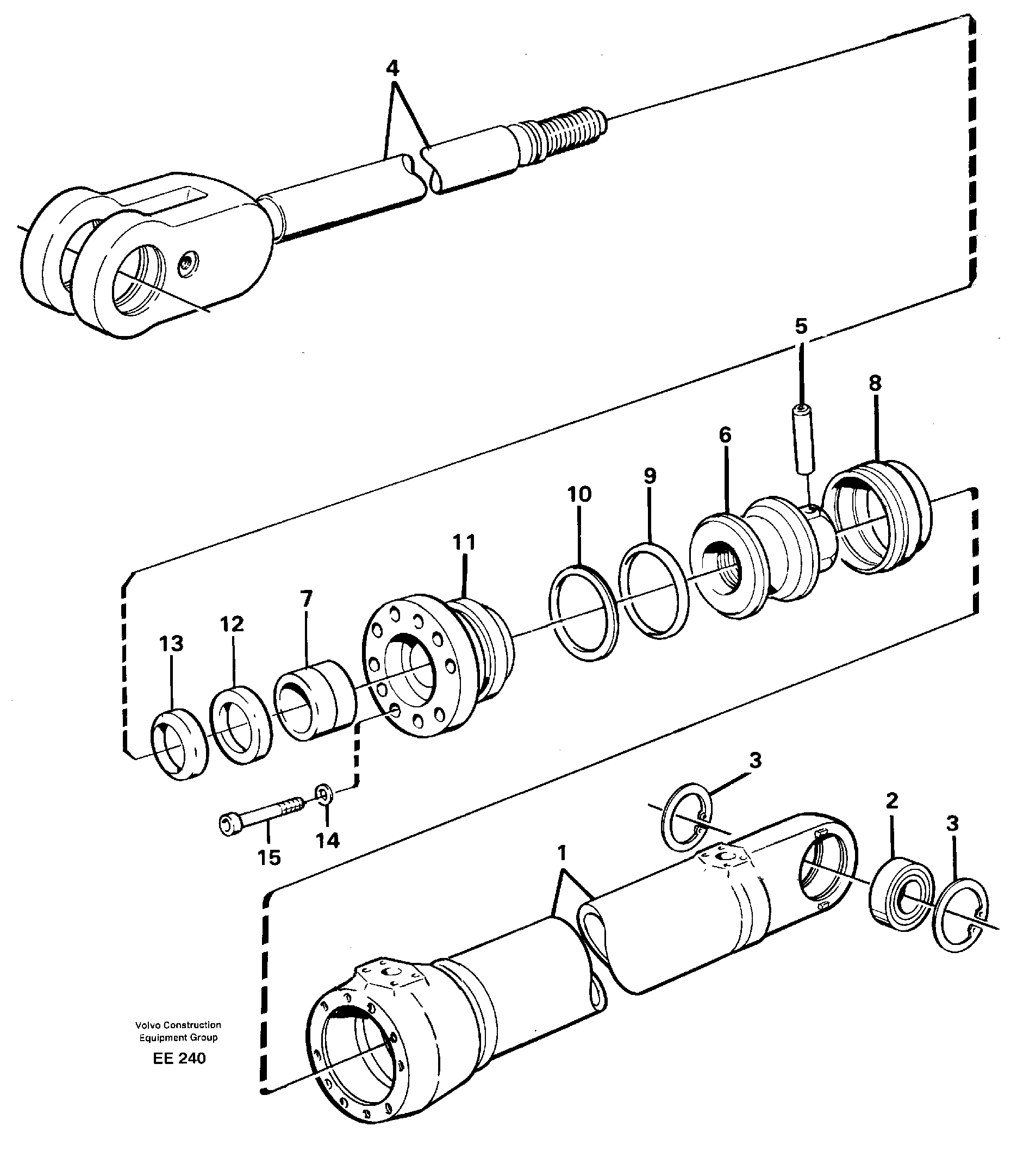
VOE 11088537

Гидроцилиндр

1шт.

VOE 11999906

Sealing Kit

1шт.

1

VOE 11088538

Cylinder tube

1шт.

10

VOE 4787062

Back-up ring

1шт.

11

VOE 11088504

Pstn Rod Guide

1шт.

12

VOE 4784843

Уплотнение штока поршня

1шт.

12

VOE 4784843

Уплотнение штока поршня

1шт.

13

VOE 11005053

Scraper

1шт.

14

VOE 13941907

Шайба пружинная

1шт.

14

VOE 13941907

Шайба

1шт.

15

VOE 13980338

Allen Hd Screw

1шт.

2

VOE 184428

Spherical plain bearing

1шт.

2

VOE 184428

Spherical plain bearing

1шт.

3

VOE 914533

Snap Ring

1шт.

3

VOE 914533

Кольцо стопорное

1шт.

4

VOE 11088540

Шток поршня

1шт.

5

VOE 4782718

Палец

1шт.

6

VOE 4782406

Поршень

1шт.

6

VOE 4782406

Поршень

1шт.

7

VOE 11088052

Втулка

1шт.

7

VOE 11088052

Втулка

1шт.

8

VOE 4833023

Сальник

1шт.

9

VOE 925094

Кольцо уплотнительное (О-кольцо)

1шт.

9

VOE 925094

Кольцо уплотнительное (О-кольцо)

1шт.

Выбрано товаров: 24