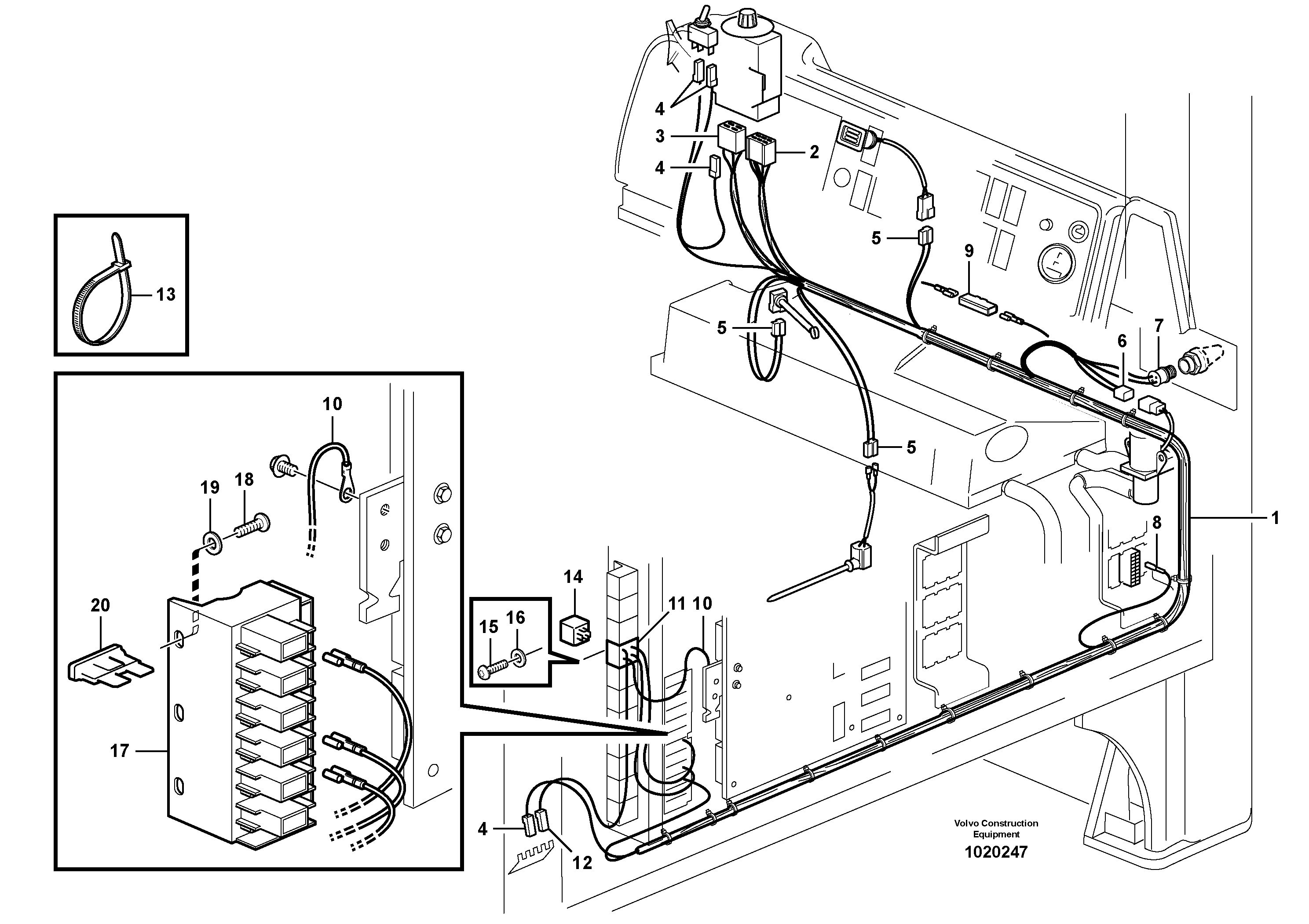
Запчасти Volvo L120E 82516 Cable harness, automatic temperature control L120E S/N 19804- SWE, 66001- USA, 71401-BRA, 54001-IRN

Схема запчастей Volvo L120E - 82516 Cable harness, automatic temperature control L120E S/N 19804- SWE, 66001- USA, 71401-BRA, 54001-IRN
FIT
1:1
100%

Артикул

Название

Примечание

Количество

1

VOE 11170889

11170889

1шт.

10

VOE 11040641

11040641

1шт.

11

VOE 977184

Изолятор

(RE101)

1шт.

11

VOE 977184

Картер (корпус)

(RE101)

1шт.

12

VOE 13949597

Изолятор

(31C)

1шт.

12

VOE 13949597

Protecting sleeve

(31C)

1шт.

13

VOE 4881440

Cable tie

1шт.

13

VOE 4881440

Cable tie

1шт.

14

VOE 20374662

Реле

1шт.

15

VOE 969278

Винт шестигранник (торцевой ключ)

1шт.

15

VOE 969278

Винт шестигранник (торцевой ключ)

1шт.

16

VOE 13940090

Шайба

1шт.

16

VOE 13940090

Шайба

1шт.

17

VOE 11039302

Fuse holder

1шт.

17

VOE 11039302

Fuse holder

1шт.

18

VOE 969278

Винт шестигранник (торцевой ключ)

1шт.

18

VOE 969278

Винт шестигранник (торцевой ключ)

1шт.

19

VOE 13940090

Шайба

1шт.

19

VOE 13940090

Шайба

1шт.

2

VOE 1212905

Изолятор

(CU803-B)

1шт.

2

VOE 1212905

Insulator

(CU803-B)

1шт.

20

VOE 969161

Fuse

10A, FU59

1шт.

20

VOE 969161

Fuse

10A, FU59

1шт.

20

VOE 13969162

Fuse

15A, FU58

1шт.

20

VOE 13969162

Fuse

15A, FU58

1шт.

3

VOE 958213

Картер (корпус)

(CU803-A)

1шт.

4

VOE 13949597

Изолятор

(SW810, CU803-C, 31AC)

1шт.

4

VOE 13949597

Protecting sleeve

(SW810, CU803-C, 31AC)

1шт.

5

VOE 13958210

Receptacle housing

(SE808, 810, 811, DI801)

1шт.

5

VOE 13958210

Receptacle housing

(SE808, 810, 811, DI801)

1шт.

6

VOE 1307048

Картер (корпус)

(MA802)

1шт.

6

VOE 1307048

Изолятор

(MA802)

1шт.

7

VOE 949005

Receptacle housing

(SE809)

1шт.

7

VOE 949005

Receptacle housing

(SE809)

1шт.

8

VOE 970776

Terminal

1шт.

9

VOE 191910

Соединитель

(SE803)

1шт.

9

VOE 191910

Соединитель

(SE803)

1шт.

Выбрано товаров: 37