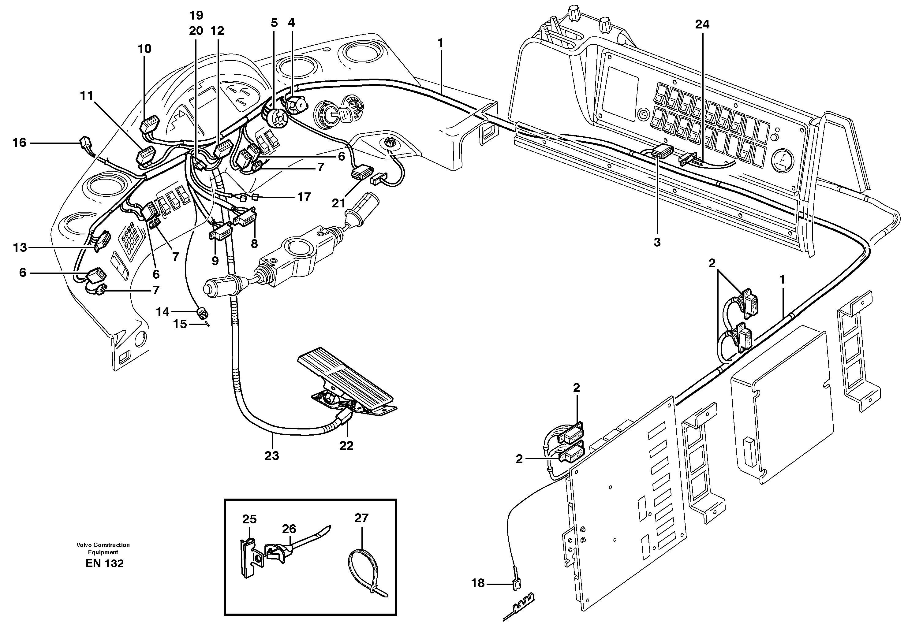
Запчасти Volvo L120E 57195 Cable harnesses, instrument panel L120E S/N 16001 - 19668 SWE, 64001- USA, 70701-BRA

Схема запчастей Volvo L120E - 57195 Cable harnesses, instrument panel L120E S/N 16001 - 19668 SWE, 64001- USA, 70701-BRA
FIT
1:1
100%

Артикул

Название

Примечание

Количество

1

VOE 11170682

11170682

1шт.

10

VOE 3962004

Receptacle housing

(P3)

1шт.

10

VOE 3962004

Receptacle housing

(P3)

1шт.

11

VOE 978309

Receptacle housing

(P2)

1шт.

12

VOE 978310

Картер (корпус)

(P1)

1шт.

12

VOE 978310

Картер (корпус)

(P1)

1шт.

13

VOE 11039685

Картер (корпус)

(SW807)

1шт.

13

VOE 11039685

Изолятор

(SW807)

1шт.

14

VOE 949005

Receptacle housing

(SW414)

1шт.

14

VOE 949005

Receptacle housing

(SW414)

1шт.

15

VOE 11000257

Пробка (заглушка)

1шт.

15

VOE 11000257

Пробка (заглушка)

1шт.

16

VOE 948294

Изолятор

(MO801)

1шт.

16

VOE 948294

Изолятор

(MO801)

1шт.

17

VOE 13947848

Изолятор

(SA802)

1шт.

17

VOE 13947848

Картер (корпус)

(SA802)

1шт.

18

VOE 13949597

Изолятор

(31D)

1шт.

18

VOE 13949597

Protecting sleeve

(31D)

1шт.

19

VOE 13948996

Изолятор

1шт.

19

VOE 13948996

Изолятор

1шт.

2

VOE 1096619

Картер (корпус)

(D, DA, DB, SH)

1шт.

2

VOE 1096619

Изолятор

(D, DA, DB, SH)

1шт.

20

VOE 11041349

Resistor Unit

1шт.

21

VOE 1096618

Receptacle housing

(R205)

1шт.

21

VOE 1096618

Receptacle housing

(R205)

1шт.

22

VOE 11115697

Картер (корпус)

(SE214)

1шт.

22

VOE 11115697

Изолятор

(SE214)

1шт.

23

VOE 11039491

Шланг

1шт.

23

VOE 11039491

Шланг

1шт.

25

VOE 11039688

Скоба (хомут)

1шт.

25

VOE 11039688

Скоба (хомут)

1шт.

26

VOE 11039689

Strip clamp

1шт.

26

VOE 11039689

Strip clamp

1шт.

27

VOE 4881440

Cable tie

1шт.

27

VOE 4881440

Cable tie

1шт.

3

VOE 1096615

Изолятор

(SD)

1шт.

3

VOE 1096615

Картер (корпус)

(SD)

1шт.

4

VOE 1307600

Картер (корпус)

(SW412)

1шт.

4

VOE 1307600

Изолятор

(SW412)

1шт.

5

VOE 1605668

Receptacle housing

(SW101)

1шт.

5

VOE 1605668

Receptacle housing

(SW101)

1шт.

6

VOE 4803454

Receptacle housing

(SW201, 306, 411, 501)

1шт.

6

VOE 4803454

Receptacle housing

(SW201, 306, 411, 501)

1шт.

7

VOE 4803532

Socket housing

(SW201, 306, 411, 501)

1шт.

7

VOE 4803532

Socket housing

(SW201, 306, 411, 501)

1шт.

8

VOE 968410

Изолятор

(WA)

1шт.

8

VOE 968410

Timerhousing

(WA)

1шт.

8

VOE 968410

Картер (корпус)

(WA)

1шт.

9

VOE 968408

Картер (корпус)

(GA)

1шт.

9

VOE 968408

Картер (корпус)

(GA)

1шт.

Выбрано товаров: 50