Запчасти Volvo L120E 55986 Главная передача L120E S/N 16001 - 19668 SWE, 64001- USA, 70701-BRA

Схема запчастей Volvo L120E - 55986 Главная передача L120E S/N 16001 - 19668 SWE, 64001- USA, 70701-BRA
FIT
1:1
100%

Артикул

Название

Примечание

Количество

VOE 11103110

Diff Gear Kit

1шт.

VOE 11034697

Прокладка

THICK = 0,10 MM

1шт.

VOE 11034697

Прокладка

THICK = 0,10 MM

1шт.

VOE 11034830

Spacer ring

THICK = 2,91 MM

1шт.

VOE 11034830

Spacer ring

THICK = 2,91 MM

1шт.

VOE 4870245

Spacer ring

THICK = 3,12 MM

1шт.

VOE 4870246

Spacer ring

THICK = 3,15 MM

1шт.

VOE 4870247

Spacer ring

THICK = 3,21 MM

1шт.

VOE 4870247

Spacer ring

THICK = 3,21 MM

1шт.

VOE 4870249

Spacer ring

THICK = 3,39 MM

1шт.

VOE 4870249

Spacer ring

THICK = 3,39 MM

1шт.

VOE 4870250

Spacer ring

THICK = 3,42 MM

1шт.

VOE 4870250

Spacer ring

THICK = 3,42 MM

1шт.

VOE 11701924

Friction plate

THICK = 3,05 - 3,10MM

1шт.

VOE 11701924

Friction plate

THICK = 3,05 - 3,10MM

1шт.

VOE 11701925

Friction plate

THICK = 3,12 - 3,17MM

1шт.

VOE 11701925

Friction plate

THICK = 3,12 - 3,17MM

1шт.

VOE 11168090

Differential carrier

1шт.

VOE 11168090

Differential carrier

1шт.

11168091

Diff Carrier

1шт.

VOE 11034829

Spacer ring

THICK = 2,85 MM

1шт.

VOE 11034829

Spacer ring

THICK = 2,85 MM

1шт.

VOE 11034831

Spacer ring

THICK = 3,06 MM

1шт.

VOE 11034831

Spacer ring

THICK = 3,06 MM

1шт.

VOE 11034696

Прокладка

THICK = 0,35 MM

1шт.

VOE 11034696

Прокладка

THICK = 0,35 MM

1шт.

VOE 4870248

Spacer ring

THICK = 3,36 MM

1шт.

VOE 4870248

Spacer ring

THICK = 3,36 MM

1шт.

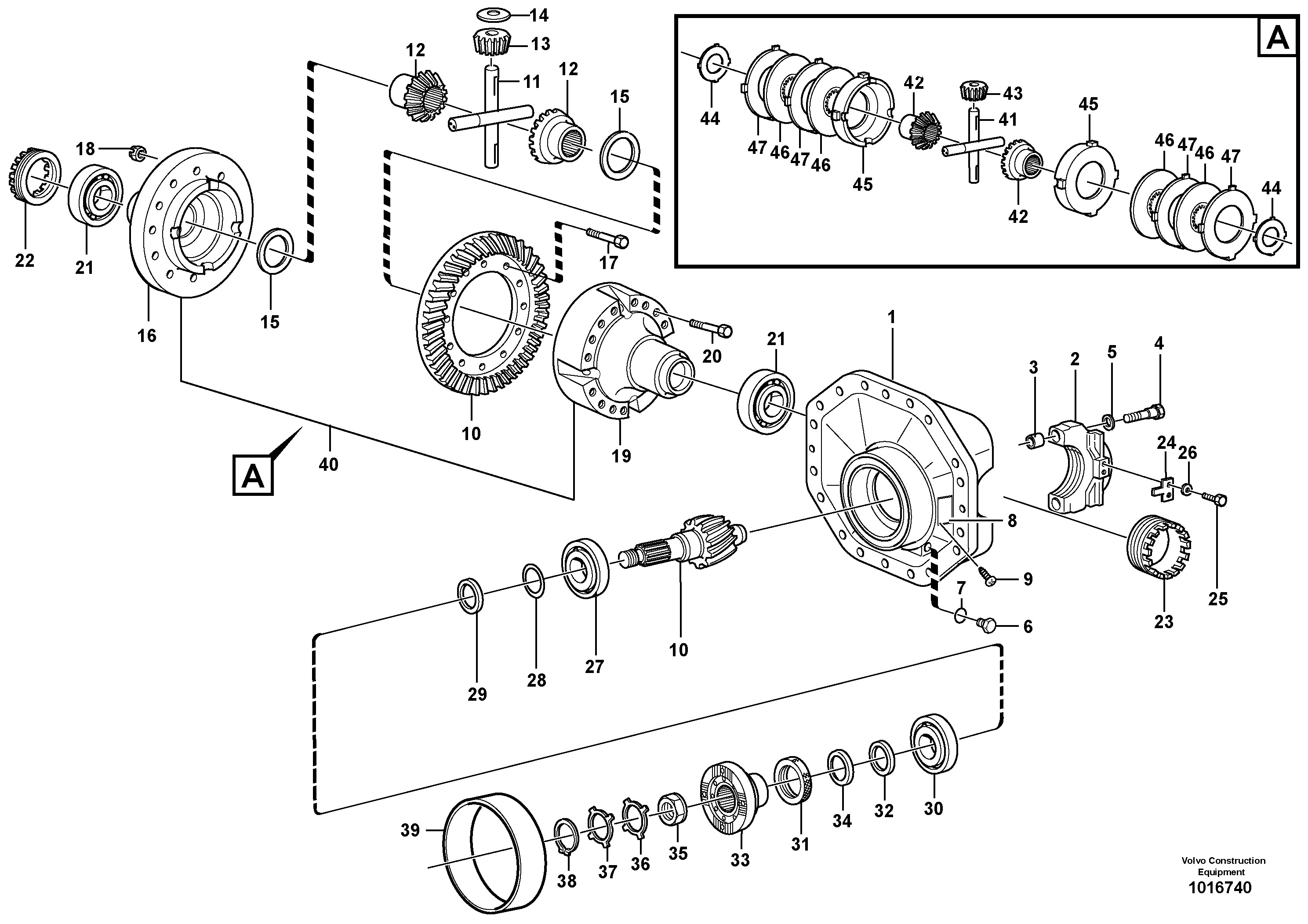
1

VOE 11102783

Centre housing

1шт.

1

VOE 11102783

Centre housing

1шт.

10

VOE 11035832

Drive gear set

1шт.

10

VOE 11035832

Drive gear set

1шт.

11

VOE 11102623

Крестовина

1шт.

11

VOE 11102623

Крестовина

1шт.

12

VOE 1069849

Differential side gear

1шт.

12

VOE 1069849

Differential side gear

1шт.

13

VOE 1524587

Differential side gear

1шт.

13

VOE 1524587

Differential side gear

1шт.

14

VOE 11102049

Шайба упорная

1шт.

14

VOE 11102049

Шайба упорная

1шт.

15

VOE 11102146

Шайба упорная

1шт.

15

VOE 11102146

Шайба упорная

1шт.

16

VOE 11102045

Differential housing

1шт.

16

VOE 11102045

Differential housing

1шт.

17

VOE 11102062

Винт шестигранник

1шт.

17

VOE 11102062

Винт шестигранник

1шт.

18

VOE 13946008

Lock nut

1шт.

18

VOE 13946008

Lock nut

1шт.

19

VOE 11102145

Differential housing

1шт.

19

VOE 11102145

Differential housing

1шт.

2

VOE 1523562

Cap

1шт.

2

VOE 1523562

Cap

1шт.

20

VOE 13979275

Винт шестигранник

1шт.

20

VOE 13979275

Винт шестигранник

1шт.

21

VOE 183704

Подшипник

1шт.

21

VOE 183704

Подшипник

1шт.

22

VOE 1522136

Setting nut

1шт.

22

VOE 1522136

Setting nut

1шт.

23

VOE 1522136

Setting nut

1шт.

23

VOE 1522136

Setting nut

1шт.

24

VOE 1522426

Стопорная шайба (кольцо)

1шт.

24

VOE 1522426

Стопорная шайба (кольцо)

1шт.

25

VOE 946440

Flange screw

1шт.

25

VOE 946440

Flange screw

1шт.

26

VOE 13941907

Шайба пружинная

1шт.

26

VOE 13941907

Шайба

1шт.

27

VOE 11102019

Подшипник

1шт.

27

VOE 11102019

Подшипник

1шт.

28

VOE 11034695

Прокладка

THICK = 1,0 MM

1шт.

28

VOE 11034695

Прокладка

THICK = 1,0 MM

1шт.

29

VOE 11034828

Spacer ring

THICK = 2,82 MM

1шт.

29

VOE 11034828

Spacer ring

THICK = 2,82 MM

1шт.

3

VOE 310719

Втулка

1шт.

3

VOE 310719

Втулка

1шт.

30

VOE 184660

Подшипник

1шт.

30

VOE 184660

Подшипник

1шт.

31

VOE 4717576

Кольцо уплотнительное

1шт.

31

VOE 4717576

Кольцо уплотнительное

1шт.

32

VOE 943142

Кольцо уплотнительное

1шт.

32

VOE 943142

Кольцо уплотнительное

1шт.

33

VOE 11168030

Companion flange

1шт.

34

VOE 11168081

Dust cover

1шт.

34

VOE 11168081

Dust cover

1шт.

35

VOE 4717504

Гайка

1шт.

35

VOE 4717504

Гайка

1шт.

36

VOE 382779

Стопорная шайба (кольцо)

0 DEG

1шт.

36

VOE 382779

Стопорная шайба (кольцо)

0 DEG

1шт.

37

VOE 383992

Стопорная шайба (кольцо)

7,5 DEG

1шт.

37

VOE 383992

Стопорная шайба (кольцо)

7,5 DEG

1шт.

38

VOE 914480

Кольцо стопорное

1шт.

38

VOE 914480

Retaining ring

1шт.

39

VOE 11035257

Bearing bushing

1шт.

39

VOE 11035257

Bearing bushing

1шт.

4

VOE 1524242

Болт

1шт.

4

VOE 1524242

Болт

1шт.

40

VOE 11035989

Limited slip differential

1шт.

40

VOE 11035989

Limited slip differential

1шт.

41

VOE 11701918

Крестовина

1шт.

41

VOE 11701918

Крестовина

1шт.

42

VOE 11701920

Differential side gear

1шт.

42

VOE 11701920

Differential side gear

1шт.

43

VOE 11701919

Differential side gear

1шт.

43

VOE 11701919

Differential side gear

1шт.

44

VOE 11701921

Шайба упорная

1шт.

44

VOE 11701921

Шайба упорная

1шт.

45

VOE 11703536

Pressure Plate

1шт.

46

VOE 11701922

Friction disc

THICK = 3,22 - 3,29MM

1шт.

46

VOE 11701922

Friction disc

THICK = 3,22 - 3,29MM

1шт.

47

VOE 11701923

Friction plate

THICK = 2,97 - 3,02MM

1шт.

47

VOE 11701923

Friction plate

THICK = 2,97 - 3,02MM

1шт.

5

VOE 13946304

Шайба

1шт.

5

VOE 13946304

Шайба

1шт.

6

VOE 11034156

Пробка (заглушка)

1шт.

6

VOE 11034156

Пробка (заглушка)

1шт.

7

VOE 958228

Кольцо уплотнительное (О-кольцо)

1шт.

7

VOE 958228

Кольцо уплотнительное (О-кольцо)

1шт.

8

VOE 13934511

Part Plate

1шт.

9

VOE 950891

Drive screw

1шт.

9

VOE 950891

Drive screw

1шт.

Выбрано товаров: 119