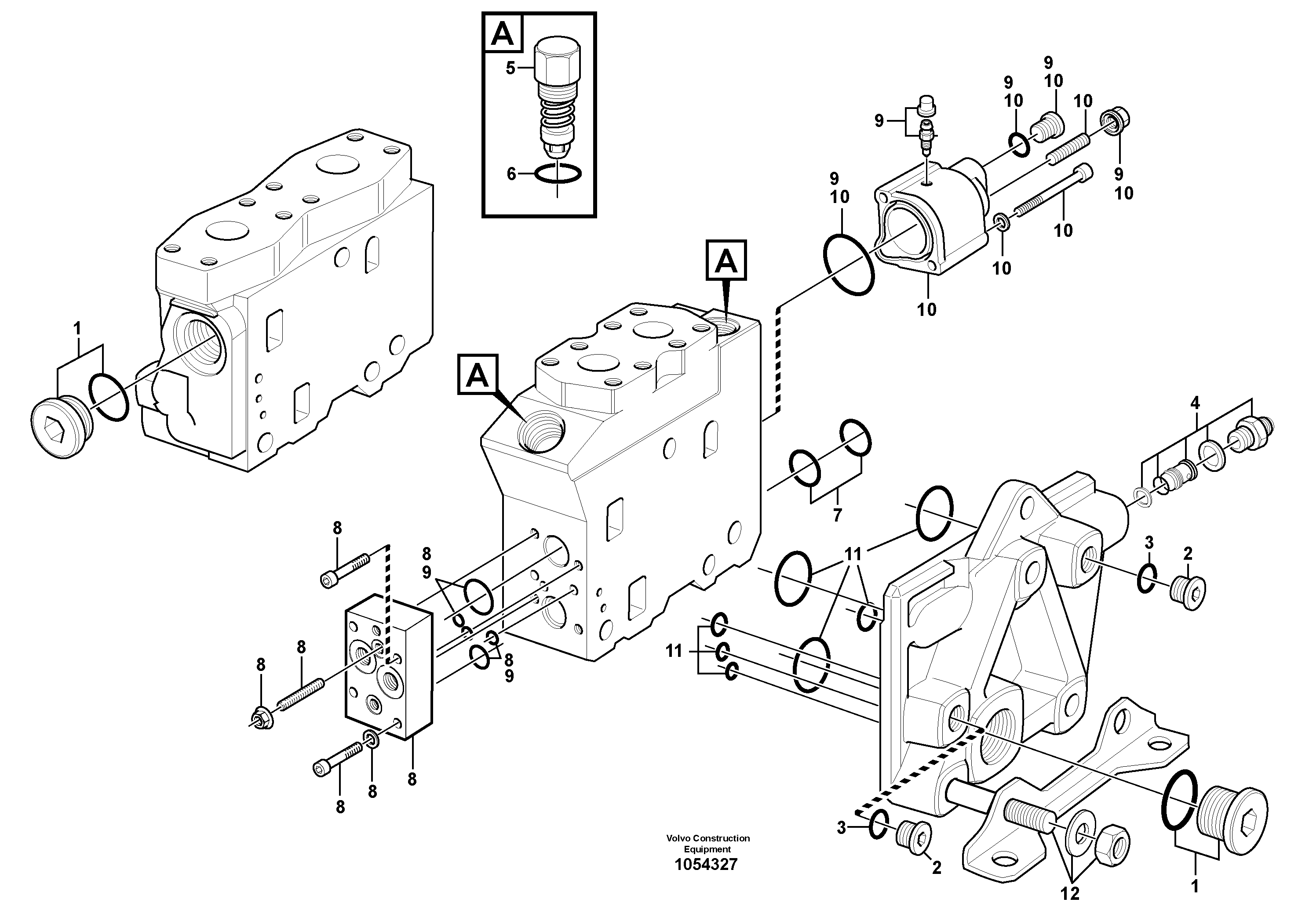
Запчасти Volvo L120E 68549 Клапан регулирующий (распределительный) L120E S/N 16001 - 19668 SWE, 64001- USA, 70701-BRA

Схема запчастей Volvo L120E - 68549 Клапан регулирующий (распределительный) L120E S/N 16001 - 19668 SWE, 64001- USA, 70701-BRA
FIT
1:1
100%

Артикул

Название

Примечание

Количество

VOE 11173318

Direction valve

1шт.

VOE 11173316

Direction valve

1шт.

VOE 11704089

Кольцо уплотнительное (О-кольцо)

1шт.

1

VOE 11705779

Пробка (заглушка)

1шт.

10

VOE 11705785

Актуатор

1шт.

11

VOE 11705792

Sealing kit

1шт.

12

VOE 11705789

Щуп

1шт.

12

VOE 15166616

Щуп

1шт.

2

VOE 945065

Пробка (заглушка)

1шт.

2

VOE 945065

Пробка (заглушка)

1шт.

3

VOE 13945653

Plane gasket

1шт.

3

VOE 13945653

Plane gasket

1шт.

4

VOE 15161524

Соединитель

1шт.

5

VOE 11715658

Клапан предохранительный (разгрузочный, сброса давления)

1шт.

6

VOE 6213010

Кольцо уплотнительное (О-кольцо)

1шт.

7

VOE 15162060

Sealing kit

1шт.

8

VOE 11712331

Cap

1шт.

9

VOE 15161174

Sealing kit

1шт.

Выбрано товаров: 18