Запчасти Volvo L150 34179 Ahc ATTACHMENTS ATTACHMENTS WHEEL LOADERS GEN. - C

Схема запчастей Volvo L150 - 34179 Ahc ATTACHMENTS ATTACHMENTS WHEEL LOADERS GEN. - C
FIT
1:1
100%

Артикул

Название

Примечание

Количество

VOE 931219

Back-up ring

1шт.

VOE 931219

Back-up ring

1шт.

VOE 11990634

Ремкомплект

1шт.

VOE 11990634

Ремкомплект

1шт.

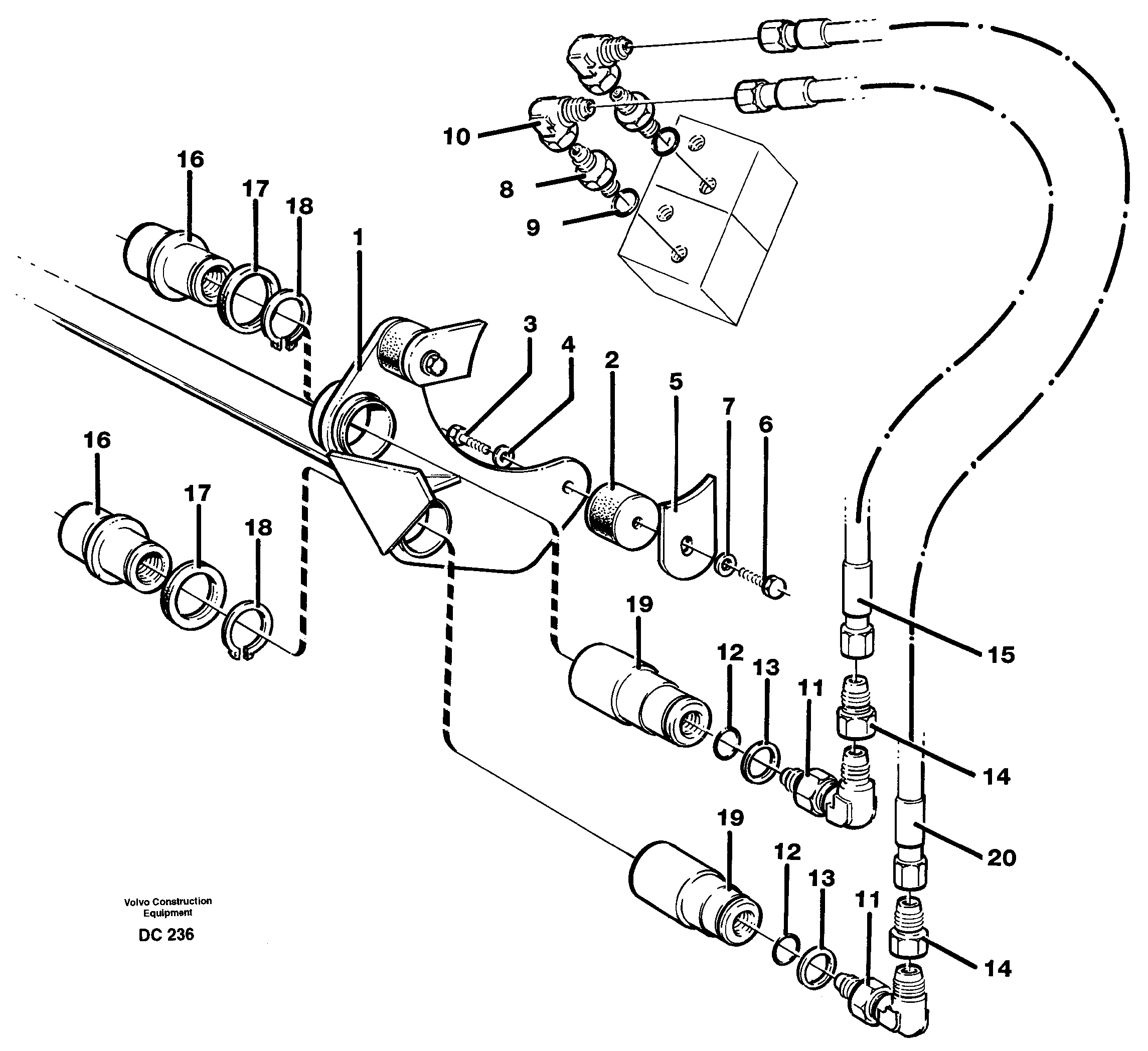
1

VOE 11010934

Attachment Part

1шт.

10

VOE 4821880

L-connection

1шт.

10

VOE 4821880

L-connection

1шт.

11

VOE 931235

Nipple

1шт.

11

VOE 931235

Nipple

1шт.

12

VOE 931212

Кольцо уплотнительное (О-кольцо)

1шт.

12

VOE 931212

Кольцо уплотнительное (О-кольцо)

1шт.

13

VOE 931219

Back-up ring

1шт.

13

VOE 931219

Back-up ring

1шт.

14

VOE 4821844

Nipple

1шт.

14

VOE 4821844

Nipple

1шт.

15

VOE 931869

Hose assembly

1шт.

15

VOE 931869

Hose assembly

1шт.

16

VOE 11010979

Snap-on coupling

1шт.

16

VOE 11010979

Snap-on coupling

1шт.

17

VOE 11010870

Rubber spring

1шт.

17

VOE 11010870

Rubber spring

1шт.

18

VOE 914472

Retaining ring

1шт.

18

VOE 914472

Кольцо стопорное

1шт.

19

VOE 11010888

Sleeve

1шт.

19

VOE 11010888

Втулка (распорная)

1шт.

2

VOE 11010917

Rubber block

1шт.

2

VOE 11010917

Rubber block

1шт.

20

VOE 931869

Hose assembly

1шт.

20

VOE 931869

Hose assembly

1шт.

3

VOE 13970946

Винт шестигранник

1шт.

3

VOE 13970946

Винт шестигранник

1шт.

4

VOE 925742

Шайба

1шт.

4

VOE 925742

Шайба

1шт.

6

VOE 13970946

Винт шестигранник

1шт.

6

VOE 13970946

Винт шестигранник

1шт.

7

VOE 925742

Шайба

1шт.

7

VOE 925742

Шайба

1шт.

8

VOE 4821829

Nipple

1шт.

8

VOE 4821829

Nipple

1шт.

9

VOE 931212

Кольцо уплотнительное (О-кольцо)

1шт.

9

VOE 931212

Кольцо уплотнительное (О-кольцо)

1шт.

Выбрано товаров: 41