Запчасти Volvo L150 98965 Насос масляный L150/L150C VOLVO BM VOLVO BM L150/L150C SER NO - 2767/- 60708

Схема запчастей Volvo L150 - 98965 Насос масляный L150/L150C VOLVO BM VOLVO BM L150/L150C SER NO - 2767/- 60708
FIT
1:1
100%

Артикул

Название

Примечание

Количество

VOE 11700221

Overhaul kit

1шт.

VOE 11700221

Overhaul kit

1шт.

VOE 11031607

Насос масляный

1шт.

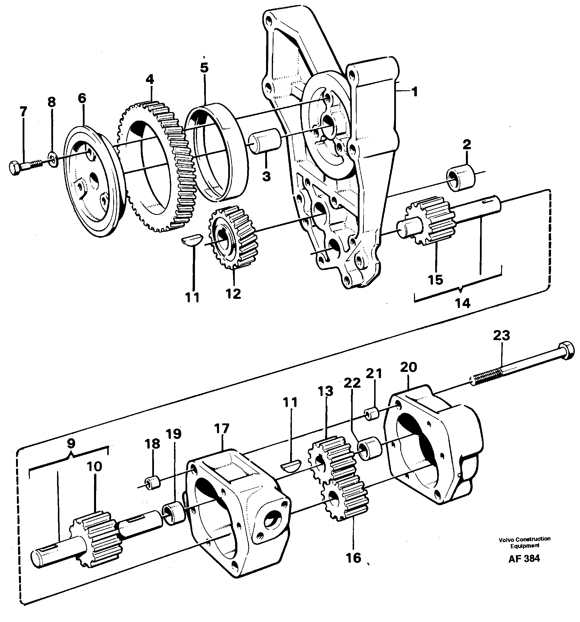
1

VOE 470348

Кронштейн

1шт.

10

VOE 470353

Pump rotor

1шт.

11

VOE 910115

Woodruff key

1шт.

11

VOE 910115

Woodruff key

1шт.

12

VOE 470356

Drive Gear

1шт.

13

VOE 4778435

Gear

1шт.

14

VOE 4778325

Вал

1шт.

15

VOE 470353

Pump rotor

1шт.

16

VOE 470353

Pump rotor

1шт.

17

VOE 11031606

Oil pump housing

1шт.

18

VOE 401146

Guide sleeve

1шт.

19

VOE 469681

Bearing Bushing

1шт.

2

VOE 470347

Втулка

1шт.

20

VOE 470344

Oil pump housing

1шт.

21

VOE 401146

Guide sleeve

1шт.

22

VOE 470347

Втулка

1шт.

23

VOE 944446

Винт шестигранник

1шт.

3

VOE 191171

Палец

1шт.

4

VOE 422047

Промежуточная шестерня

1шт.

5

VOE 422314

Втулка

1шт.

6

VOE 422313

Bearing sleeve

1шт.

7

VOE 940186

Винт шестигранник

(921827)

1шт.

7

VOE 940186

Винт шестигранник

(921827)

1шт.

8

VOE 13941907

Шайба пружинная

(941907)

1шт.

8

VOE 13941907

Шайба

(941907)

1шт.

9

VOE 4778319

Вал

1шт.

Выбрано товаров: 29