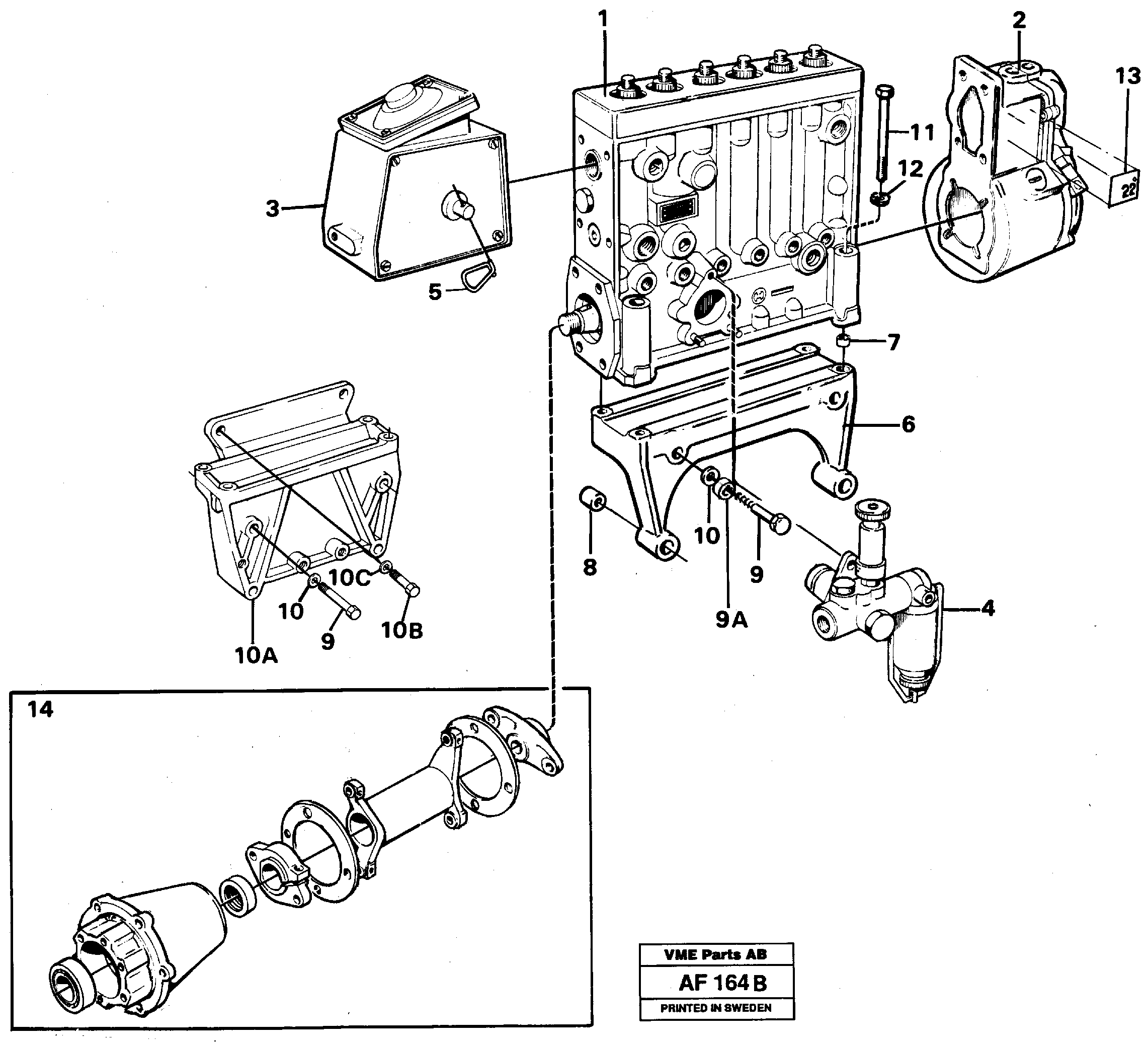
Запчасти Volvo L150 20724 Injection pump with drive L150/L150C VOLVO BM VOLVO BM L150/L150C SER NO - 2767/- 60708

Схема запчастей Volvo L150 - 20724 Injection pump with drive L150/L150C VOLVO BM VOLVO BM L150/L150C SER NO - 2767/- 60708
FIT
1:1
100%

Артикул

Название

Примечание

Количество

VOE 11031101

Насос

1шт.

VOE 11031123

Насос

1шт.

VOE 11031221

Насос

ENG - 290222

1шт.

VOE 11031331

Насос

ENG 290223 -

1шт.

VOE 11996114

Насос

1шт.

VOE 11701552

Насос

ENG - 290222

1шт.

VOE 11703548

Насос

ENG 290223 -

1шт.

VOE 11702227

Smoke Limiter

1шт.

VOE 863474

Feed pump

1шт.

VOE 863474

Feed pump

1шт.

VOE 955567

Болт

L = 70 MM

1шт.

VOE 955567

Винт шестигранник

L = 70 MM

1шт.

VOE 955568

Болт

L = 76 MM

1шт.

VOE 955568

Винт шестигранник

L = 76 MM

1шт.

VOE 471308

Decal

12 DEG

1шт.

VOE 471339

Sign

11 DEG

1шт.

VOE 11701687

Regulator

1шт.

1

VOE 11994490

Насос

1шт.

10

VOE 940280

Шайба пружинная

1шт.

10

VOE 940280

Шайба пружинная

1шт.

10A

VOE 866783

866783

1шт.

10B

VOE 479696

Болт

1шт.

10B

VOE 479696

Болт

1шт.

10C

VOE 13940097

Шайба

1шт.

10C

VOE 13940097

Шайба

1шт.

11

VOE 940156

Болт

1шт.

11

VOE 940156

Винт шестигранник

1шт.

12

VOE 190509

Шайба

1шт.

12

VOE 190509

Шайба

1шт.

13

VOE 412963

Decal

20 DEG

1шт.

2

VOE 11701256

Centrifugal governor

1шт.

3

VOE 11994492

Smoke limiter

1шт.

4

VOE 244825

Feed pump

1шт.

5

VOE 422525

Towing eye

E PROD

1шт.

5

VOE 422525

Towing eye

E PROD

1шт.

6

VOE 478647

478647

1шт.

7

VOE 417588

Guide sleeve

1шт.

7

VOE 417588

Guide sleeve

1шт.

8

VOE 423161

Guide sleeve

1шт.

8

VOE 423161

Guide sleeve

1шт.

9

VOE 955566

Винт шестигранник

L = 64 MM

1шт.

9

VOE 955566

Винт шестигранник

L = 64 MM

1шт.

9A

VOE 930461

Spacer ring

1шт.

Выбрано товаров: 43