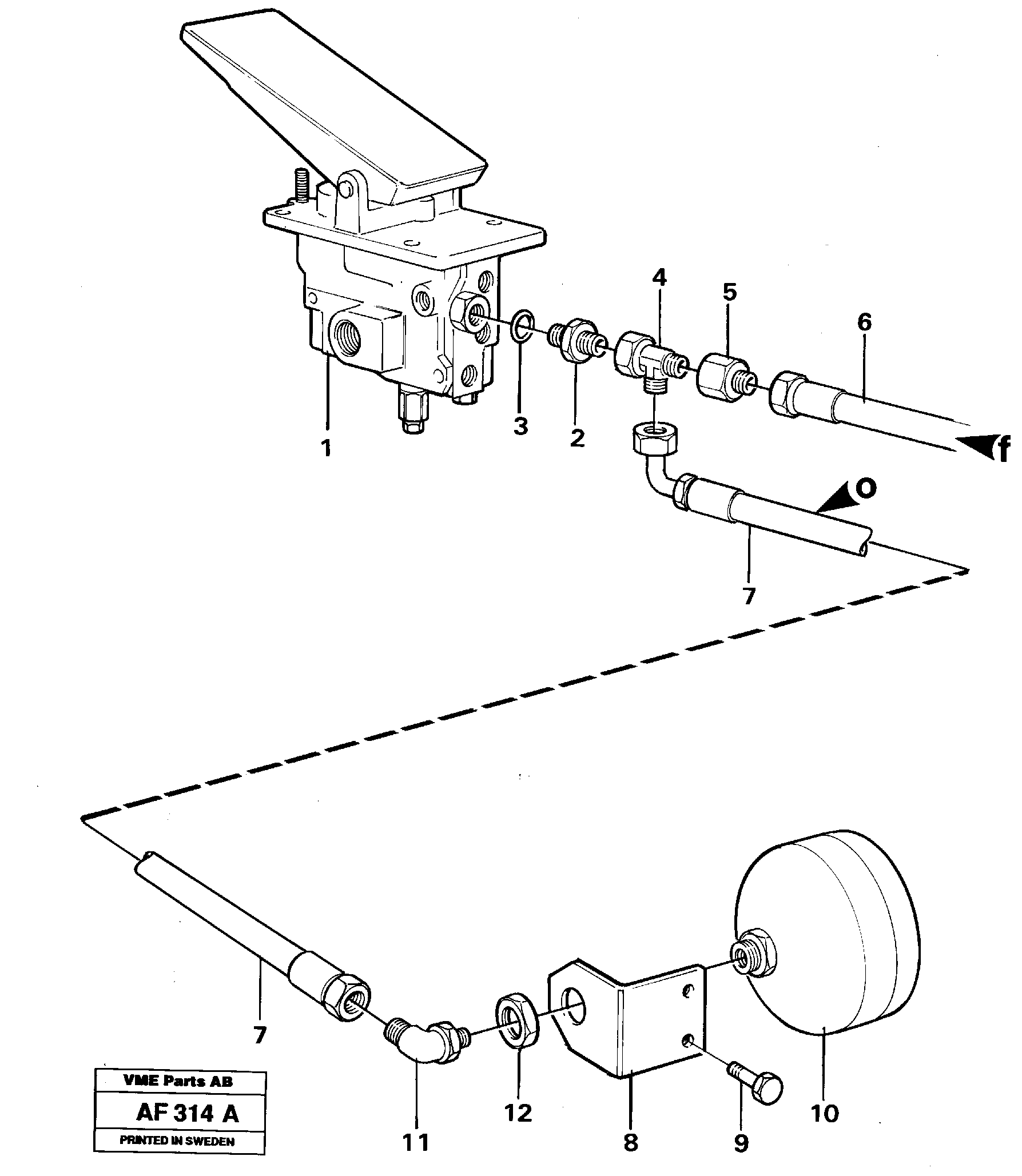
Запчасти Volvo L150 94922 Footbrake valve with clutches L150/L150C VOLVO BM VOLVO BM L150/L150C SER NO - 2767/- 60708

Схема запчастей Volvo L150 - 94922 Footbrake valve with clutches L150/L150C VOLVO BM VOLVO BM L150/L150C SER NO - 2767/- 60708
FIT
1:1
100%

Артикул

Название

Примечание

Количество

VOE 11026669

Anchorage

SER NO 1870 -

1шт.

VOE 11025647

Peg

1шт.

VOE 11025647

Peg

1шт.

VOE 11025647

Peg

1шт.

VOE 11025647

Peg

1шт.

VOE 11026970

Compression spring

1шт.

VOE 11026970

Compression spring

1шт.

VOE 192601

Ball

1шт.

VOE 192601

Ball

1шт.

VOE 11026969

Non-return valve

SER NO 2358 -

1шт.

VOE 11026969

Клапан обратный

SER NO 2358 -

1шт.

VOE 192601

Ball

1шт.

VOE 192601

Ball

1шт.

VOE 15160600

Гидроаккумулятор

1шт.

VOE 11993537

Кольцо уплотнительное (О-кольцо)

1шт.

VOE 11993537

Кольцо уплотнительное (О-кольцо)

1шт.

10

VOE 4872214

Гидроаккумулятор

1шт.

10

VOE 4872214

Гидроаккумулятор

1шт.

11

VOE 4881171

Nipple

1шт.

11

VOE 4881171

Nipple

1шт.

12

VOE 4872215

Гайка

1шт.

12

VOE 4872215

Гайка

1шт.

2

VOE 4881644

Nipple

1шт.

2

VOE 4881644

Nipple

1шт.

3

VOE 11993537

Кольцо уплотнительное (О-кольцо)

1шт.

3

VOE 11993537

Кольцо уплотнительное (О-кольцо)

1шт.

4

VOE 4821862

Tee

1шт.

5

VOE 11025945

Non-return valve

SER NO - 2357

1шт.

7

VOE 932159

Hose assembly

1шт.

7

VOE 932159

Hose assembly

1шт.

8

VOE 11026133

Attachment

SER NO - 1869

1шт.

9

VOE 13945444

Болт

1шт.

9

VOE 13945444

Screw

1шт.

Выбрано товаров: 33