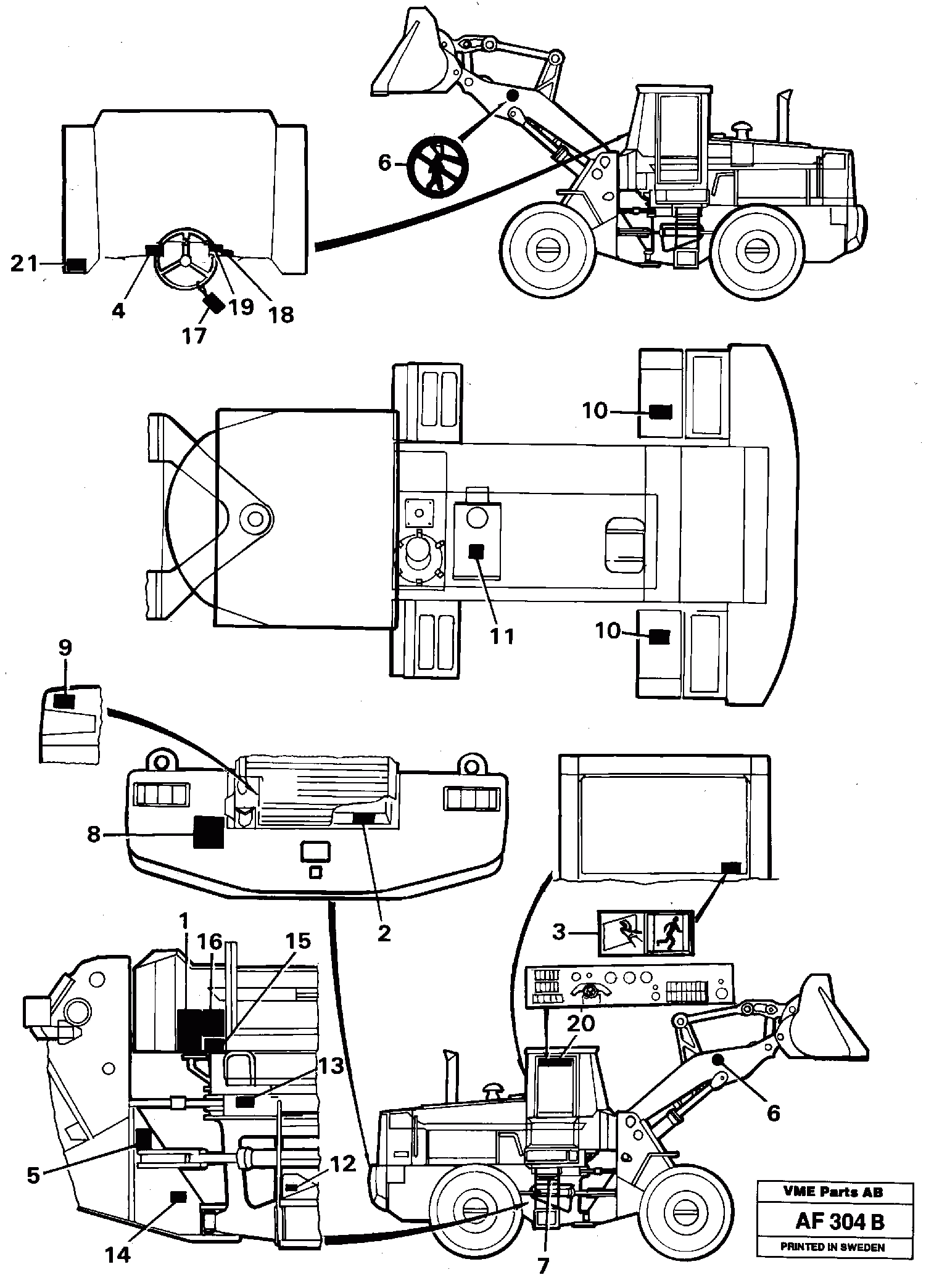
Запчасти Volvo L150 14051 Decals L150/L150C VOLVO BM VOLVO BM L150/L150C SER NO - 2767/- 60708

Схема запчастей Volvo L150 - 14051 Decals L150/L150C VOLVO BM VOLVO BM L150/L150C SER NO - 2767/- 60708
FIT
1:1
100%

Артикул

Название

Примечание

Количество

VOE 11027131

Decal

"FILTER REPLACEMENT"

1шт.

VOE 11104082

Decal

SER NO 2081 - E PROD

1шт.

VOE 11104082

Decal

SER NO 2081 - E PROD

1шт.

VOE 11093748

Decal

L PROD

1шт.

VOE 11104082

Decal

(11007902)

1шт.

VOE 11104082

Decal

(11007902)

1шт.

VOE 11026384

Decal

"FILTER REPLACEMENTS"

1шт.

1

VOE 11025961

Decal

"WARNING! LUBRICATIN...."

1шт.

10

VOE 4952176

Decal

"WARNING! DO NOT CONN."

1шт.

10

VOE 4952176

Decal

"WARNING! DO NOT CONN."

1шт.

11

VOE 11013034

Decal

"WARNING! NO ETHER ....."

1шт.

11

VOE 11013034

Decal

"WARNING! NO ETHER ....."

1шт.

12

VOE 4952177

Decal

"WARNING! SPRING UNDER.."

1шт.

12

VOE 4952177

Decal

"WARNING! SPRING UNDER.."

1шт.

13

VOE 4952320

Decal

"WARNING! BRAKE SYSTEM."

1шт.

13

VOE 4952320

Decal

"WARNING! BRAKE SYSTEM."

1шт.

14

VOE 4952169

Decal

"WARNING! DISCONNECT...."

1шт.

14

VOE 4952169

Decal

"WARNING! DISCONNECT...."

1шт.

15

VOE 4952166

Decal

"WARNING! BRAKE SYSTEM."

1шт.

15

VOE 4952166

Decal

"WARNING! BRAKE SYSTEM."

1шт.

16

VOE 11026384

Decal

"FILTER REPLACEMENTS"

1шт.

17

VOE 4952170

Decal

"WARNING! DISCONNECT.."

1шт.

17

VOE 4952170

Decal

"WARNING! DISCONNECT.."

1шт.

18

VOE 4952179

Decal

"WARNING! ALWAYS LOWER"

1шт.

18

VOE 4952179

Decal

"WARNING! ALWAYS LOWER"

1шт.

19

VOE 4843571

Decal

"WARNING! READ OPERAT."

1шт.

19

VOE 4843571

Decal

"WARNING! READ OPERAT."

1шт.

2

VOE 13935001

Warning Decal

"WARNING! ROTATING FAN.."

1шт.

2

VOE 13935001

Warning Decal

"WARNING! ROTATING FAN.."

1шт.

20

VOE 11007190

Decal

SER NO - 2080

1шт.

20

VOE 11007190

Decal

SER NO - 2080

1шт.

21

VOE 11046865

Decal

"CALIFORNIA"

1шт.

21

VOE 11046865

Decal

"CALIFORNIA"

1шт.

3

VOE 11025668

Decal

SER NO - 1233

1шт.

3

VOE 11025668

Decal

SER NO - 1233

1шт.

4

VOE 13935069

Decal

"ENGINE WITH TURBO COM.."

1шт.

4

VOE 13935069

Decal

"ENGINE WITH TURBO COM.."

1шт.

5

VOE 4952172

Decal

"WARNING! NO ROOM FOR A"

1шт.

5

VOE 4952172

Decal

"WARNING! NO ROOM FOR A"

1шт.

6

VOE 11027566

Warning Decal

"WARNING! DO NOT PASS..."

1шт.

6

VOE 11027566

Warning Decal

"WARNING! DO NOT PASS..."

1шт.

7

VOE 4952165

Decal

"PRESSURE CHECK"

1шт.

7

VOE 4952165

Decal

"PRESSURE CHECK"

1шт.

8

VOE 4843573

Decal

"WARNING! EQUIPMENT OP.."

1шт.

8

VOE 4843573

Decal

"WARNING! EQUIPMENT OP.."

1шт.

9

VOE 4843569

Decal

"WARNING! DO NOT TURN..."

1шт.

9

VOE 4843569

Decal

"WARNING! DO NOT TURN..."

1шт.

Выбрано товаров: 47