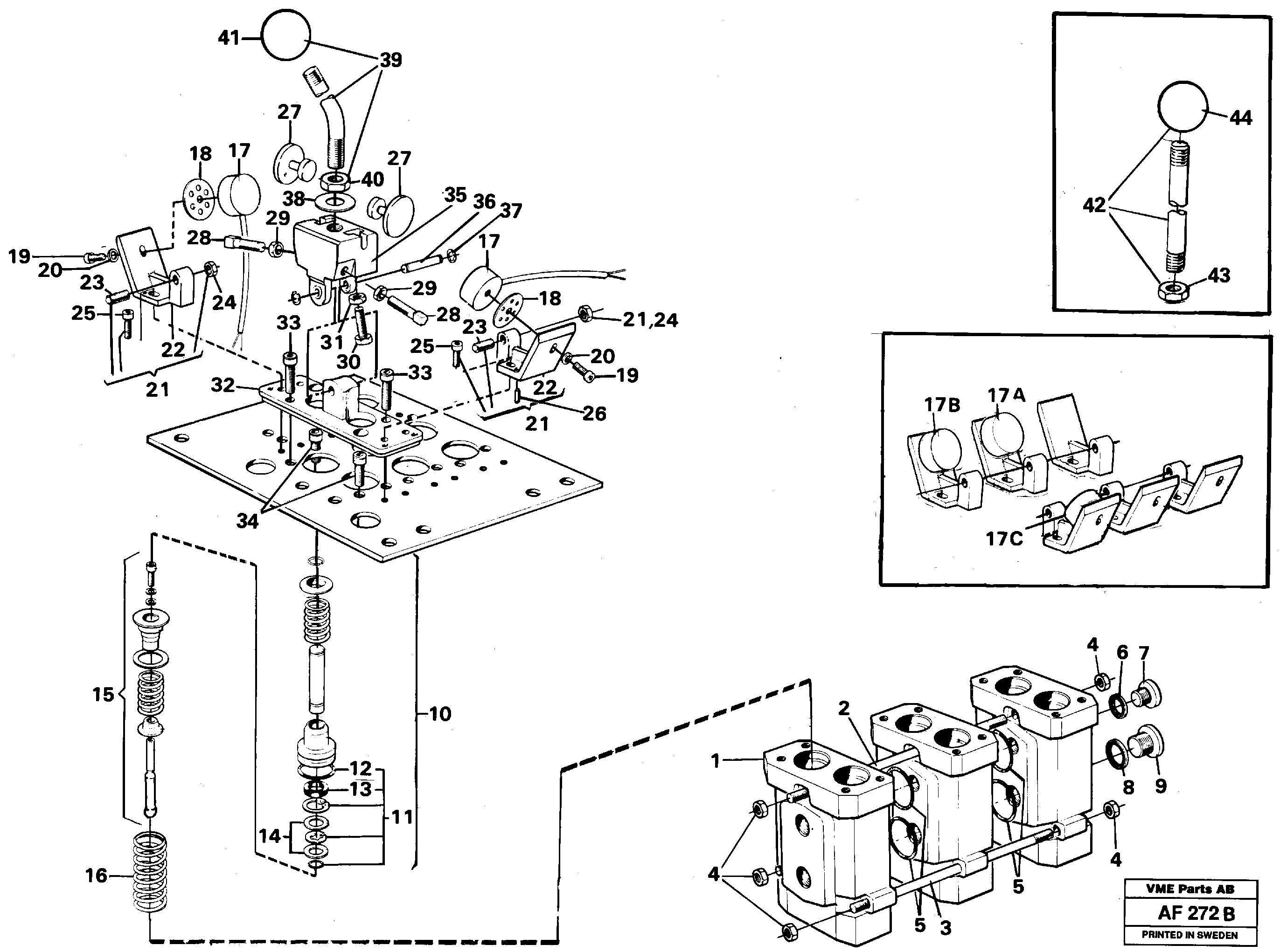
Запчасти Volvo L150 100188 Servo valve L150/L150C VOLVO BM VOLVO BM L150/L150C SER NO - 2767/- 60708

Схема запчастей Volvo L150 - 100188 Servo valve L150/L150C VOLVO BM VOLVO BM L150/L150C SER NO - 2767/- 60708
FIT
1:1
100%

Артикул

Название

Примечание

Количество

VOE 11991319

Pull rod

1шт.

VOE 11991316

Spacer washer

THICK = 0,5 MM

1шт.

VOE 11991318

Пружина

6 - 23,3 BAR

1шт.

VOE 11991049

Spacer washer

THICK = 0,3 MM

1шт.

VOE 11006598

Servo valve

1шт.

10

VOE 11991323

Клапан

1шт.

11

VOE 11991047

Sealing kit

1шт.

12

VOE 11991047

Sealing kit

1шт.

13

VOE 11993698

Кольцо уплотнительное

1шт.

14

VOE 11991048

Spacer washer

THICK = 0,2 MM

1шт.

15

VOE 11991317

Пружина

7 - 23,3 BAR

1шт.

16

VOE 11994393

Return spring

1шт.

17

VOE 15100027

Magnet

1шт.

17A

VOE 15100027

Magnet

MA19

1шт.

17B

VOE 15100027

Magnet

MA20

1шт.

17C

VOE 15100027

Magnet

MA21

1шт.

18

VOE 11003158

Spacer ring

1шт.

19

VOE 959174

Allen Hd Screw

1шт.

20

VOE 13960146

Шайба

(960146)

1шт.

20

VOE 13960146

Шайба

(960146)

1шт.

21

VOE 11992121

Anchorage

1шт.

23

VOE 11992123

регулировочный винт

1шт.

24

VOE 13955781

Гайка

(955781)

1шт.

24

VOE 13955781

Гайка

(955781)

1шт.

25

VOE 959180

Allen Hd Screw

1шт.

26

VOE 951940

Spring pin

1шт.

26

VOE 951940

Spring pin

1шт.

27

VOE 11003417

Anchor plate

1шт.

28

VOE 11992124

регулировочный винт

1шт.

29

VOE 955780

Hexagon nut

1шт.

29

VOE 955780

Hexagon nut

1шт.

30

VOE 11992127

Болт

1шт.

31

VOE 11992217

Гайка

1шт.

32

VOE 11993566

Anchorage

1шт.

33

VOE 959190

Allen Hd Screw

1шт.

34

VOE 961236

Allen Hd Screw

1шт.

35

VOE 11992345

Pressure plate

1шт.

36

VOE 11992347

Вал

1шт.

37

VOE 11992346

Lock ring

1шт.

38

VOE 976945

Шайба

(960148)

1шт.

38

VOE 976945

Шайба

(960148)

1шт.

39

VOE 11992348

Lever kit

1шт.

4

VOE 13955781

Гайка

(955781)

1шт.

4

VOE 13955781

Гайка

(955781)

1шт.

40

VOE 13971080

Hexagon nut

(971080)

1шт.

40

VOE 13971080

Hexagon nut

(971080)

1шт.

41

VOE 11991321

Ball

1шт.

42

VOE 11994403

Lever kit

1шт.

43

VOE 13971080

Hexagon nut

(971080)

1шт.

43

VOE 13971080

Hexagon nut

(971080)

1шт.

44

VOE 11991321

Ball

1шт.

5

VOE 955994

Кольцо уплотнительное (О-кольцо)

1шт.

5

VOE 955994

Кольцо уплотнительное (О-кольцо)

1шт.

6

VOE 947083

Прокладка

1шт.

6

VOE 947083

Прокладка

1шт.

7

VOE 13963925

Пробка (заглушка)

(963925)

1шт.

7

VOE 13963925

Пробка (заглушка)

(963925)

1шт.

8

VOE 14013067

Sealing washer

1шт.

8

VOE 14013067

Sealing washer

1шт.

9

VOE 944505

Пробка (заглушка)

1шт.

9

VOE 944505

Пробка (заглушка)

1шт.

Выбрано товаров: 61