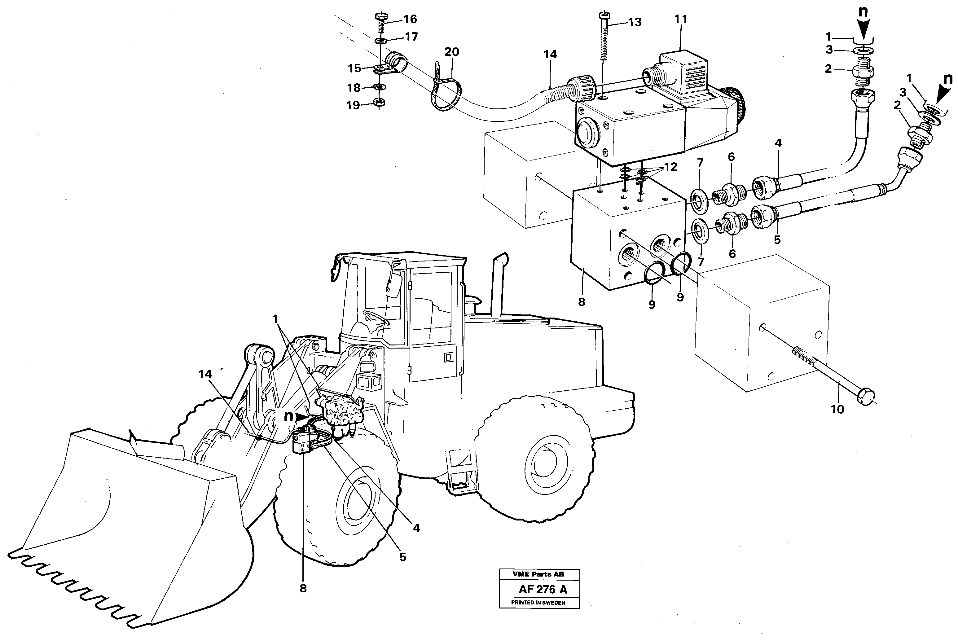
Запчасти Volvo L150 16392 Hydraulic system, 3:rd function, pressure draining L150/L150C VOLVO BM VOLVO BM L150/L150C SER NO - 2767/- 60708

Схема запчастей Volvo L150 - 16392 Hydraulic system, 3:rd function, pressure draining L150/L150C VOLVO BM VOLVO BM L150/L150C SER NO - 2767/- 60708
FIT
1:1
100%

Артикул

Название

Примечание

Количество

VOE 11003549

Встроенный клапан в сборе

MA48

1шт.

VOE 11003549

Встроенный клапан в сборе

MA48

1шт.

10

VOE 955313

Винт шестигранник

L = 160 MM

1шт.

10

VOE 955313

Винт шестигранник

L = 160 MM

1шт.

11

VOE 11993636

Magnet

1шт.

11

VOE 11993636

Magnet

1шт.

12

VOE 11993637

Sealing Kit

1шт.

12

VOE 11993637

Sealing Kit

1шт.

13

VOE 959193

Allen Hd Screw

1шт.

13

VOE 959193

Винт шестигранник (торцевой ключ)

1шт.

14

VOE 11024705

Wire Assembly

1шт.

15

VOE 13949746

Зажим

(949746)

1шт.

15

VOE 13949746

Зажим

(949746)

1шт.

16

VOE 955297

Винт шестигранник

1шт.

16

VOE 955297

Винт шестигранник

1шт.

17

VOE 13955894

Шайба

1шт.

17

VOE 13955894

Шайба

1шт.

18

VOE 976944

Шайба

1шт.

18

VOE 976944

Шайба

1шт.

19

VOE 955782

Hexagon Nut

1шт.

19

VOE 955782

Hexagon Nut

1шт.

2

VOE 957030

Nipple

1шт.

2

VOE 957030

Nipple

1шт.

20

VOE 4881440

Strip Clamp

1шт.

20

VOE 4881440

Strip Clamp

1шт.

3

VOE 958225

Кольцо уплотнительное (О-кольцо)

1шт.

3

VOE 958225

Кольцо уплотнительное (О-кольцо)

1шт.

4

VOE 13933143

Hose assembly

L = 800 MM

1шт.

5

VOE 13933142

Hose assembly

L = 700 MM

1шт.

6

VOE 13944524

Nipple

1шт.

6

VOE 13944524

Nipple

1шт.

7

VOE 14013067

Sealing washer

1шт.

7

VOE 14013067

Sealing washer

1шт.

8

VOE 4974291

Connection board

1шт.

8

VOE 4974291

Connection board

1шт.

9

VOE 13960168

Кольцо уплотнительное (О-кольцо)

(960168)

1шт.

9

VOE 13960168

Кольцо уплотнительное (О-кольцо)

(960168)

1шт.

Выбрано товаров: 37