Запчасти Volvo L150C 19303 Гидронасос (основной насос) L150C S/N 2768-SWE, 60701-USA

Схема запчастей Volvo L150C - 19303 Гидронасос (основной насос) L150C S/N 2768-SWE, 60701-USA
FIT
1:1
100%

Артикул

Название

Примечание

Количество

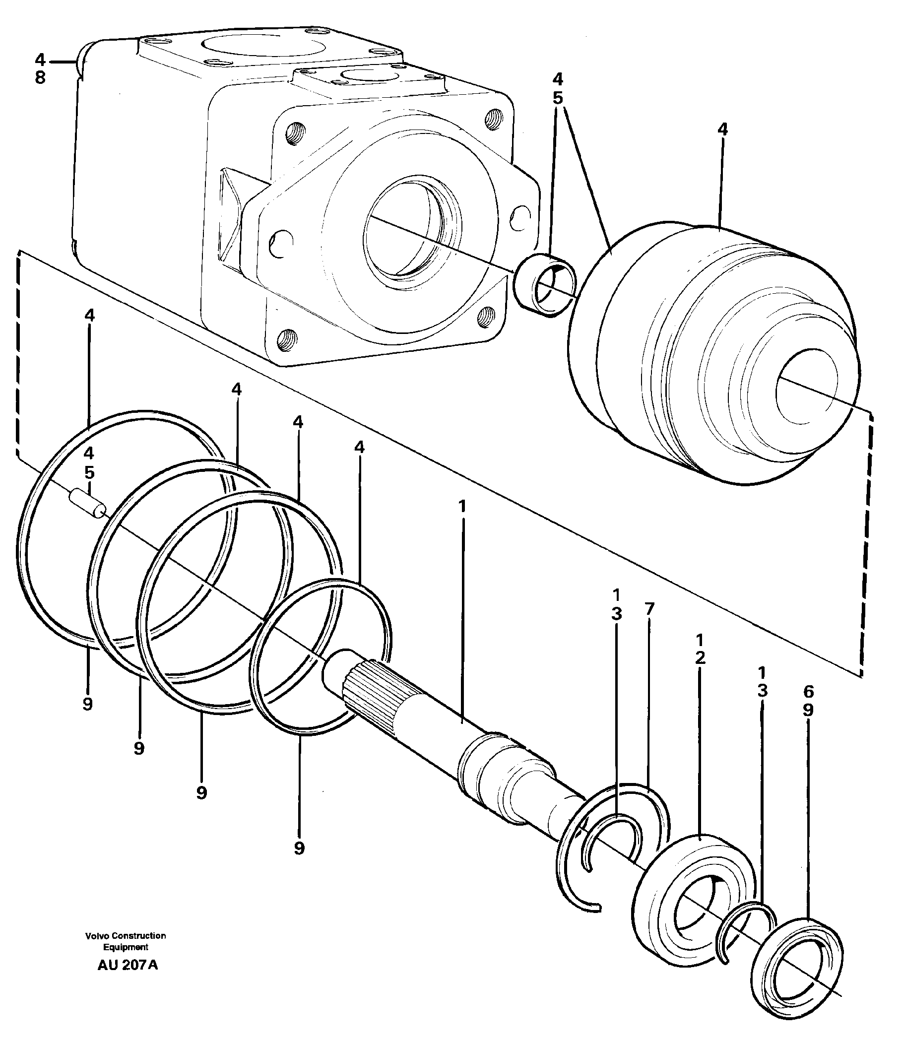
VOE 11025878

Гидронасос (основной насос)

1шт.

VOE 11025878

Гидронасос (основной насос)

1шт.

1

VOE 11997267

Shaft Set

1шт.

1

VOE 11997267

Shaft Set

1шт.

2

VOE 11994468

Ball Bearing

1шт.

2

VOE 11994468

Ball Bearing

1шт.

3

VOE 11994469

Lock Ring

1шт.

3

VOE 11994469

Lock Ring

1шт.

4

VOE 11994440

Pump element

1шт.

4

VOE 11994440

Pump element

1шт.

5

VOE 11994443

Locating Plate

1шт.

5

VOE 11994443

Палец

1шт.

6

VOE 11994445

Кольцо уплотнительное

1шт.

6

VOE 11994445

Кольцо уплотнительное

1шт.

7

VOE 11994444

Lock Ring

1шт.

7

VOE 11994444

Lock Ring

1шт.

8

VOE 11702654

Болт

1шт.

8

VOE 11702654

Болт

1шт.

9

VOE 11994441

Sealing Kit

1шт.

Выбрано товаров: 19