Запчасти Volvo L150C 24431 Hydraulic cylinder. VOLVO L150C S/N 2768-SWE, 60701-USA

Схема запчастей Volvo L150C - 24431 Hydraulic cylinder. VOLVO L150C S/N 2768-SWE, 60701-USA
FIT
1:1
100%

Артикул

Название

Примечание

Количество

VOE 11005392

Гидроцилиндр

1шт.

VOE 11005392

Гидроцилиндр

1шт.

VOE 6630661

Gasket kit

1шт.

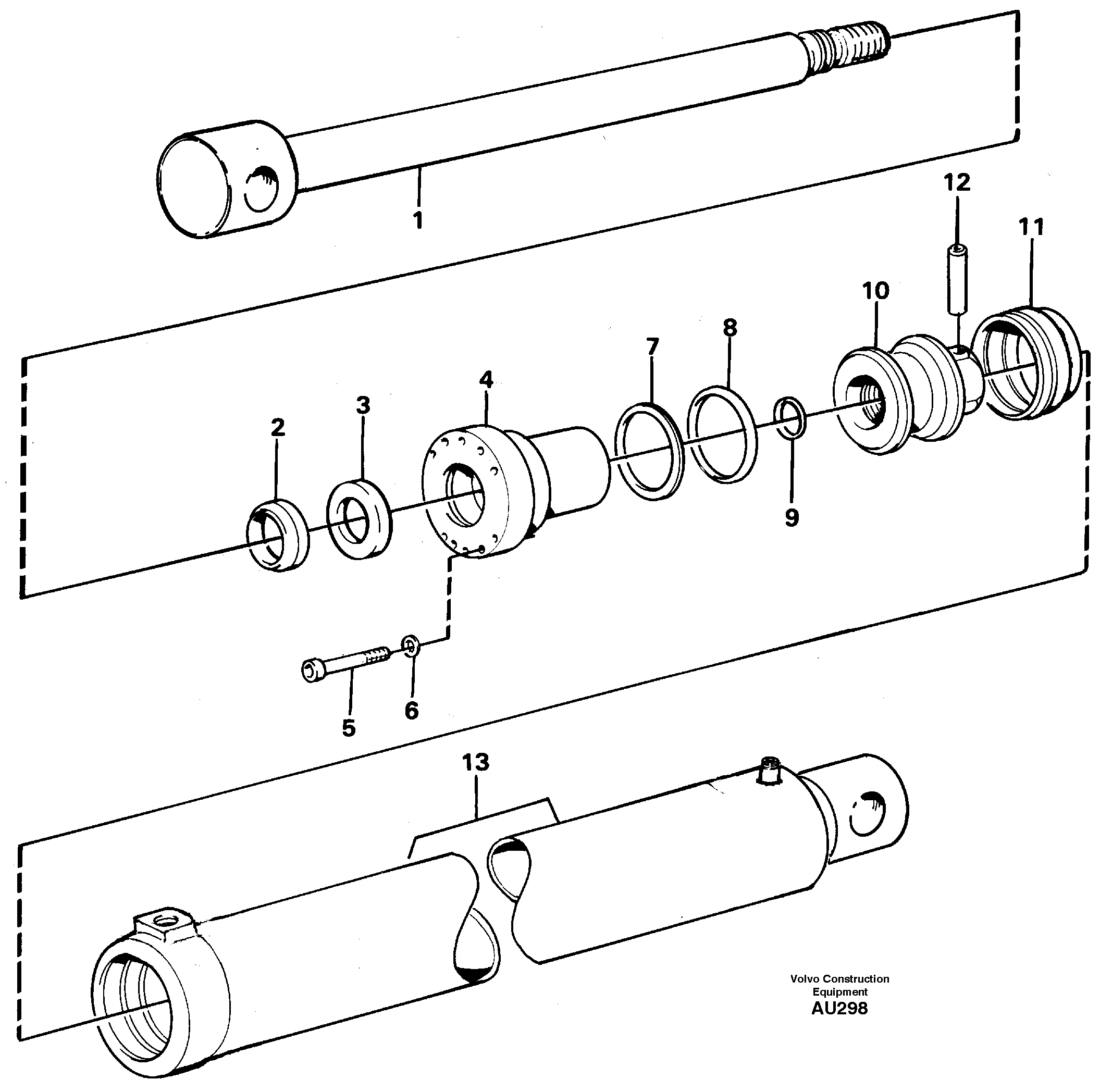
1

VOE 11005395

Шток поршня

1шт.

10

VOE 4784229

Поршень

1шт.

11

VOE 4833021

Сальник

1шт.

12

VOE 4782717

Палец

1шт.

13

VOE 11005393

Cylinder tube

1шт.

2

VOE 11005050

11005050

1шт.

3

VOE 4784042

Уплотнение штока поршня

1шт.

4

VOE 11005397

Стакан штока поршня (направляющая)

1шт.

5

VOE 4784927

Болт

1шт.

6

VOE 13941907

Шайба пружинная

(VOE 941907)

1шт.

6

VOE 13941907

Шайба

(VOE 941907)

1шт.

7

VOE 4787061

Back-up ring

1шт.

8

VOE 927288

Кольцо уплотнительное (О-кольцо)

1шт.

9

VOE 13960169

Кольцо уплотнительное (О-кольцо)

(VOE 960169)

1шт.

9

VOE 13960169

Кольцо уплотнительное (О-кольцо)

(VOE 960169)

1шт.

Выбрано товаров: 18