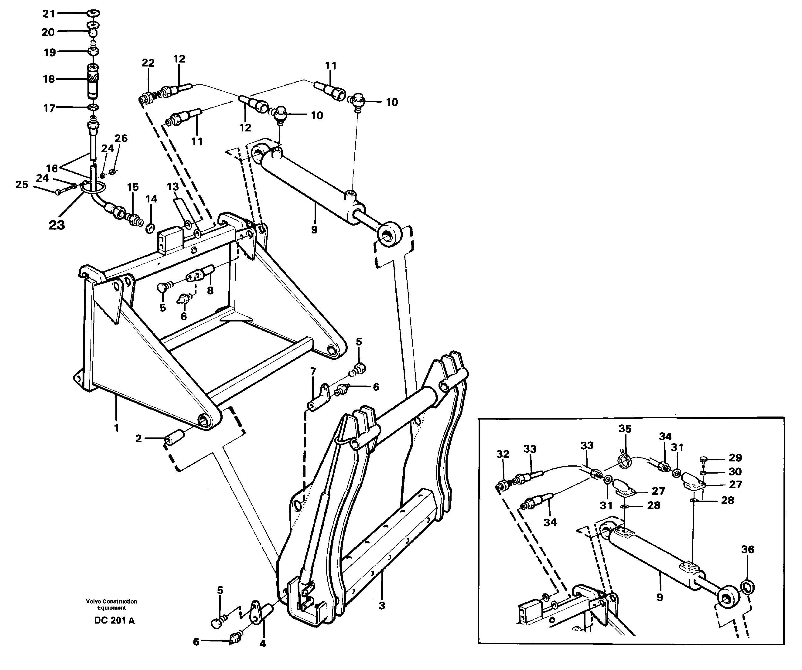
Запчасти Volvo L150C 40092 Hydraulically-operated jib extension ATTACHMENTS ATTACHMENTS WHEEL LOADERS GEN. - C

Схема запчастей Volvo L150C - 40092 Hydraulically-operated jib extension ATTACHMENTS ATTACHMENTS WHEEL LOADERS GEN. - C
FIT
1:1
100%

Артикул

Название

Примечание

Количество

VOE 11082749

Гидроцилиндр

1шт.

VOE 927286

Кольцо уплотнительное (О-кольцо)

ID=30,2

1шт.

VOE 927286

Кольцо уплотнительное (О-кольцо)

ID=30,2

1шт.

VOE 925064

Кольцо уплотнительное (О-кольцо)

ID=32,2

1шт.

VOE 925064

Кольцо уплотнительное (О-кольцо)

ID=32,2

1шт.

VOE 11043021

Втулка (распорная)

1шт.

VOE 11043021

Втулка (распорная)

1шт.

VOE 11993255

Кольцо уплотнительное (О-кольцо)

INNER

1шт.

VOE 11993255

Кольцо уплотнительное (О-кольцо)

INNER

1шт.

VOE 11993256

Кольцо уплотнительное (О-кольцо)

OUTER

1шт.

VOE 11993256

Кольцо уплотнительное (О-кольцо)

OUTER

1шт.

VOE 11993257

Back-up ring

1шт.

VOE 11993257

Back-up ring

1шт.

VOE 4784759

Гидроцилиндр

1шт.

VOE 4784759

Гидроцилиндр

1шт.

10

VOE 4787644

Banjo nipple

1шт.

11

VOE 931718

Hose assembly

1шт.

11

VOE 931718

Hose assembly

1шт.

12

VOE 931908

Hose assembly

1шт.

13

VOE 958227

Кольцо уплотнительное (О-кольцо)

1шт.

13

VOE 958227

Кольцо уплотнительное (О-кольцо)

1шт.

14

VOE 958228

Кольцо уплотнительное (О-кольцо)

1шт.

14

VOE 958228

Кольцо уплотнительное (О-кольцо)

1шт.

15

VOE 957035

Nipple

1шт.

15

VOE 957035

Nipple

1шт.

16

VOE 13932650

Hose assembly

1шт.

16

VOE 13932650

Hose assembly

1шт.

17

VOE 14013070

Sealing washer

1шт.

17

VOE 14013070

Sealing washer

1шт.

18

VOE 4786201

Snap-on coupling

1шт.

18

VOE 4786201

Snap-on coupling

1шт.

19

VOE 13955295

Болт

1шт.

19

VOE 13955295

Болт

1шт.

2

VOE 4787844

Втулка

1шт.

20

VOE 4885042

Пробка (заглушка)

1шт.

20

VOE 4885042

Пробка (заглушка)

1шт.

21

VOE 4885043

Шайба

1шт.

21

VOE 4885043

Шайба

1шт.

23

VOE 4824482

Кольцо уплотнительное (О-кольцо)

1шт.

23

VOE 4824482

Кольцо уплотнительное (О-кольцо)

1шт.

24

VOE 13940090

Шайба

1шт.

24

VOE 13940090

Шайба

1шт.

25

VOE 955259

Винт шестигранник

1шт.

25

VOE 955259

Винт шестигранник

1шт.

26

VOE 13963104

Lock nut

1шт.

26

VOE 13963104

Lock nut

1шт.

27

VOE 11156849

Соединитель

1шт.

27

VOE 11156849

Соединитель

1шт.

28

VOE 13948699

Кольцо уплотнительное (О-кольцо)

1шт.

28

VOE 13948699

Кольцо уплотнительное (О-кольцо)

1шт.

29

VOE 959238

Allen Hd Screw

1шт.

3

VOE 4886372

Tool Bar

1шт.

30

VOE 941908

Шайба пружинная

1шт.

30

VOE 941908

Шайба пружинная

1шт.

31

VOE 14013069

Sealing washer

1шт.

31

VOE 14013069

Прокладка

1шт.

32

VOE 957032

Nipple

1шт.

32

VOE 957032

Nipple

1шт.

33

VOE 931908

Hose assembly

1шт.

34

VOE 931718

Hose assembly

1шт.

34

VOE 931718

Hose assembly

1шт.

35

VOE 4881440

Cable tie

1шт.

35

VOE 4881440

Cable tie

1шт.

36

VOE 4782564

Link bearing seal

1шт.

36

VOE 4782564

Link bearing seal

1шт.

4

VOE 4926585

4926585

1шт.

5

VOE 13970967

Винт шестигранник

1шт.

5

VOE 13970967

Винт шестигранник

1шт.

6

VOE 914167

Lubricating nipple

1шт.

6

VOE 914167

Lubricating nipple

1шт.

7

VOE 4763251

Палец

1шт.

8

VOE 4886381

4886381

1шт.

9

VOE 4811558

цилиндр

1шт.

Выбрано товаров: 73