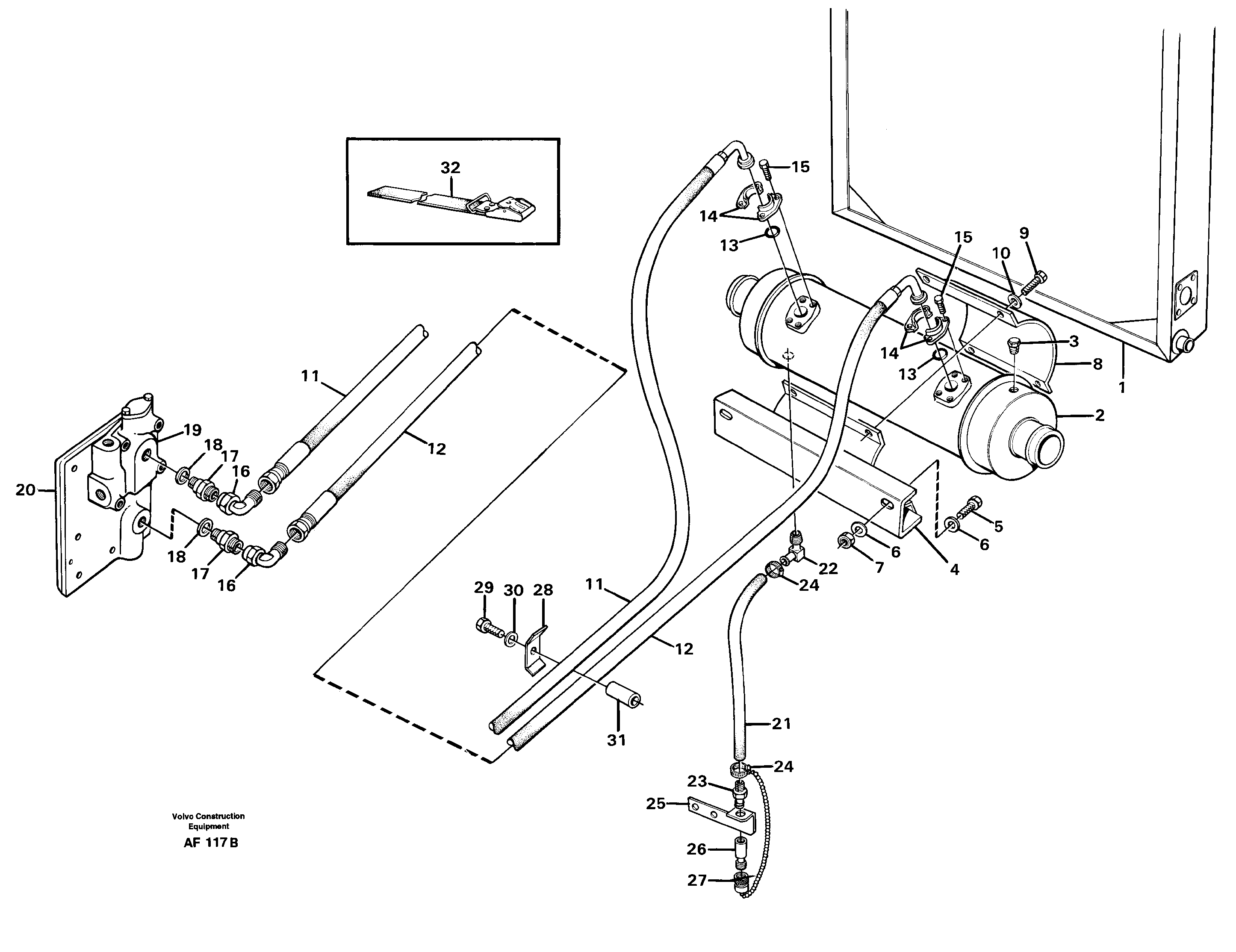
Запчасти Volvo L150C 78119 Масляный радиатор L150/L150C VOLVO BM VOLVO BM L150/L150C SER NO - 2767/- 60708

Схема запчастей Volvo L150C - 78119 Масляный радиатор L150/L150C VOLVO BM VOLVO BM L150/L150C SER NO - 2767/- 60708
FIT
1:1
100%

Артикул

Название

Примечание

Количество

VOE 4880495

Кольцо уплотнительное (О-кольцо)

1шт.

VOE 4880495

Кольцо уплотнительное (О-кольцо)

1шт.

10

VOE 976944

Шайба

1шт.

10

VOE 976944

Шайба

1шт.

11

VOE 13932992

Hose assembly

L = 1950 MM

1шт.

12

VOE 13932991

Hose assembly

L = 1560 MM

1шт.

13

VOE 13948700

Кольцо уплотнительное (О-кольцо)

1шт.

13

VOE 13948700

Кольцо уплотнительное (О-кольцо)

1шт.

14

VOE 927947

Flange half

1шт.

14

VOE 927947

Flange half

1шт.

15

VOE 13970948

Винт шестигранник

1шт.

15

VOE 13970948

Винт шестигранник

1шт.

16

VOE 13964017

Nipple

1шт.

17

VOE 4931299

Nipple

SER NO - 1233

1шт.

18

VOE 13947628

Plane gasket

SER NO - 1233

1шт.

18

VOE 13947628

Plane gasket

SER NO - 1233

1шт.

2

VOE 11033177

Масляный радиатор

1шт.

21

VOE 13946652

Шланг

L = 525 MM

1шт.

22

VOE 13961604

Nipple

1шт.

23

VOE 4786606

Hose nipple

1шт.

23

VOE 4786606

Hose nipple

1шт.

24

VOE 13943472

Hose clamp

(943472)

1шт.

25

VOE 4939821

Кронштейн

1шт.

26

VOE 4786585

Insert nipple

1шт.

26

VOE 4786585

Insert nipple

1шт.

27

VOE 11194108

Protecting sleeve

1шт.

27

VOE 11194108

Protecting sleeve

1шт.

28

VOE 11025273

Зажим

1шт.

29

VOE 940132

Винт шестигранник

1шт.

29

VOE 940132

Винт шестигранник

1шт.

3

VOE 479956

Пробка (заглушка)

SER NO - 2471

1шт.

3

VOE 479956

Пробка (заглушка)

SER NO - 2471

1шт.

30

VOE 976944

Шайба

1шт.

30

VOE 976944

Шайба

1шт.

31

VOE 930432

Spacer ring

1шт.

31

VOE 930432

Spacer ring

1шт.

32

VOE 11104606

Retaining strap

1шт.

32

VOE 11104606

Retaining strap

1шт.

4

VOE 11024452

Тарелка клапана

1шт.

5

VOE 13970947

Винт шестигранник

1шт.

5

VOE 13970947

Винт шестигранник

1шт.

6

VOE 13960143

Шайба

1шт.

6

VOE 13960143

Шайба

1шт.

7

VOE 13971083

Lock nut

1шт.

7

VOE 13971083

Lock nut

1шт.

8

VOE 4766148

Зажим

1шт.

9

VOE 940132

Винт шестигранник

1шт.

9

VOE 940132

Винт шестигранник

1шт.

Выбрано товаров: 48