Запчасти Volvo L150C 38320 Steering column L150/L150C VOLVO BM VOLVO BM L150/L150C SER NO - 2767/- 60708

Схема запчастей Volvo L150C - 38320 Steering column L150/L150C VOLVO BM VOLVO BM L150/L150C SER NO - 2767/- 60708
FIT
1:1
100%

Артикул

Название

Примечание

Количество

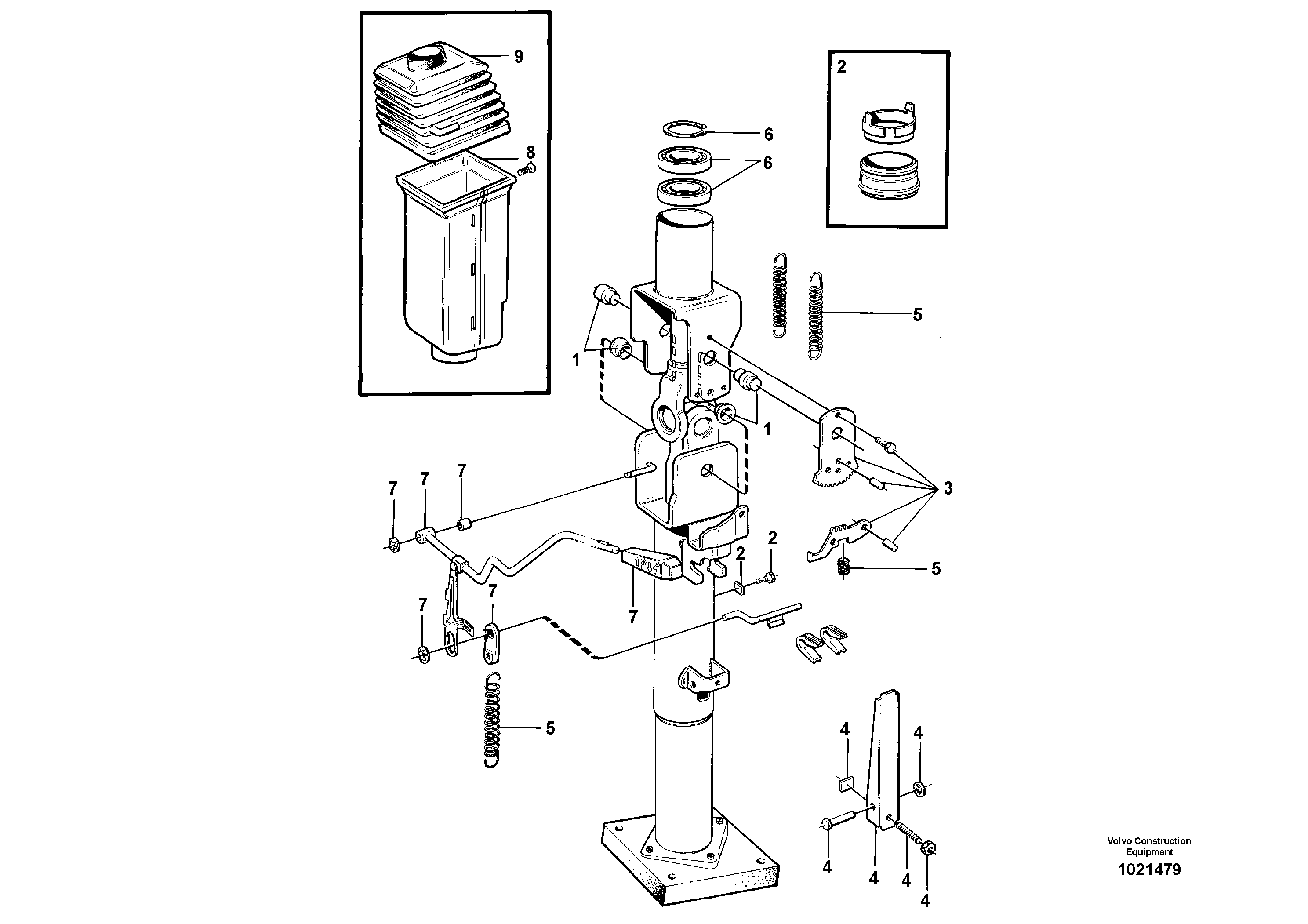
VOE 11007187

Рулевая колонка

SER NO - 1428

1шт.

VOE 11007380

Рулевая колонка

SER NO 1429 -

1шт.

VOE 11007380

Рулевая колонка

SER NO 1429 -

1шт.

1

VOE 11997793

Mounting Kit

1шт.

1

VOE 11997793

Mounting Kit

1шт.

2

VOE 11997794

Mounting Kit

1шт.

2

VOE 11997794

Mounting Kit

1шт.

3

VOE 11704313

Locking Device

1шт.

3

VOE 11704313

Locking Device

1шт.

4

VOE 11997799

Тормоз парковочный

1шт.

4

VOE 11997799

Тормоз парковочный

1шт.

5

VOE 11704312

Комплект пружин

1шт.

5

VOE 11704312

Комплект пружин

1шт.

6

VOE 11997800

Комплект подшипника

1шт.

6

VOE 11997800

Комплект подшипника

1шт.

7

VOE 11704314

Lever Kit

1шт.

7

VOE 11704314

Lever Kit

1шт.

8

VOE 11704315

Крышка

1шт.

8

VOE 11704315

Крышка

1шт.

9

VOE 11704316

Boot

1шт.

9

VOE 11704316

Boot

1шт.

Выбрано товаров: 21