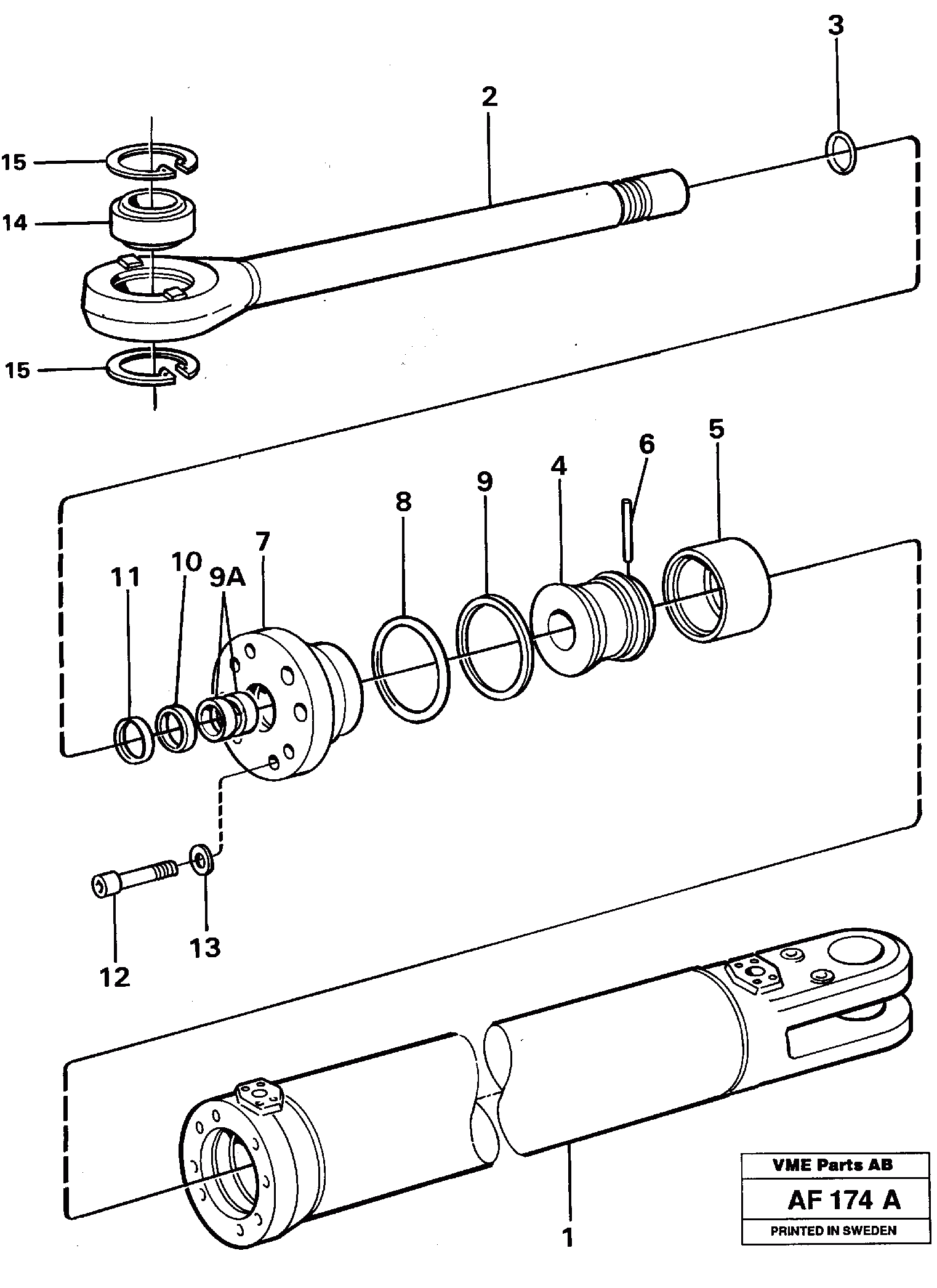
Запчасти Volvo L150C 59057 Гидроцилиндр L150/L150C VOLVO BM VOLVO BM L150/L150C SER NO - 2767/- 60708

Схема запчастей Volvo L150C - 59057 Гидроцилиндр L150/L150C VOLVO BM VOLVO BM L150/L150C SER NO - 2767/- 60708
FIT
1:1
100%

Артикул

Название

Примечание

Количество

VOE 11088296

Гидроцилиндр

SER NO 1663 -

1шт.

VOE 11088723

Шток поршня

1шт.

VOE 11088505

Стакан штока поршня (направляющая)

1шт.

VOE 11990347

Sealing kit

1шт.

VOE 11005294

Гидроцилиндр

SER NO - 1662

1шт.

1

VOE 11005295

Cylinder tube

1шт.

10

VOE 4784045

Уплотнение штока поршня

1шт.

10

VOE 4784045

Уплотнение штока поршня

1шт.

11

VOE 11005053

Scraper

1шт.

12

VOE 4782857

Болт

1шт.

12

VOE 4782857

Болт

1шт.

13

VOE 941908

Шайба пружинная

1шт.

13

VOE 941908

Шайба пружинная

1шт.

14

VOE 184062

Spherical plain bearing

1шт.

14

VOE 184062

Spherical plain bearing

1шт.

15

VOE 914538

Retaining ring

1шт.

15

VOE 914538

Кольцо стопорное

1шт.

2

VOE 11088723

Шток поршня

1шт.

3

VOE 13960175

Кольцо уплотнительное (О-кольцо)

(960175)

1шт.

3

VOE 13960175

Кольцо уплотнительное (О-кольцо)

(960175)

1шт.

4

VOE 4784427

Поршень

1шт.

5

VOE 4833024

Сальник

1шт.

6

VOE 4782719

Палец

1шт.

7

VOE 4784426

Стакан штока поршня (направляющая)

1шт.

8

VOE 13925095

Кольцо уплотнительное (О-кольцо)

(925095)

1шт.

8

VOE 13925095

Кольцо уплотнительное (О-кольцо)

(925095)

1шт.

9

VOE 4880854

Back-up ring

1шт.

9A

VOE 11088052

Втулка

1шт.

9A

VOE 11088052

Втулка

1шт.

Выбрано товаров: 29