Запчасти Volvo L150C 5868 Pump unit L150/L150C VOLVO BM VOLVO BM L150/L150C SER NO - 2767/- 60708

Схема запчастей Volvo L150C - 5868 Pump unit L150/L150C VOLVO BM VOLVO BM L150/L150C SER NO - 2767/- 60708
FIT
1:1
100%

Артикул

Название

Примечание

Количество

VOE 11014393

Pump Unit

SER NO - 1682

1шт.

VOE 11014393

Pump Unit

SER NO - 1682

1шт.

VOE 11014923

Pump Unit

SER NO 1683 -

1шт.

VOE 11014923

Pump Unit

SER NO 1683 -

1шт.

VOE 11998537

Sealing Kit

for bacic pump

1шт.

VOE 11998537

Sealing Kit

for bacic pump

1шт.

VOE 11997254

Sealing Kit

for complete unit

1шт.

VOE 11997254

Sealing Kit

for complete unit

1шт.

VOE 11997254

Sealing Kit

for complete unit

1шт.

VOE 11997254

Sealing Kit

for complete unit

1шт.

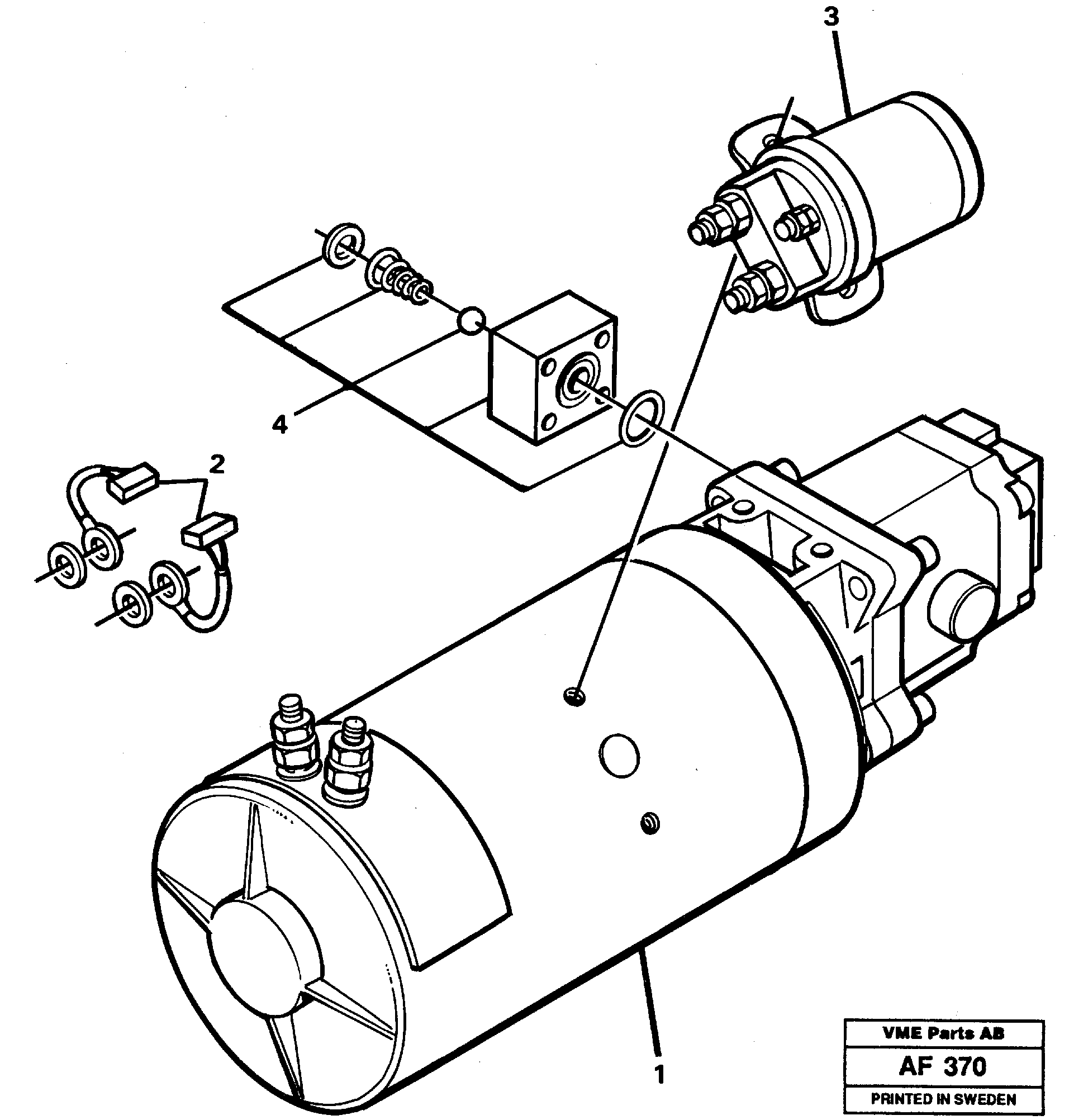
1

VOE 11998534

Electrical Motor

1шт.

1

VOE 11998534

Electrical Motor

1шт.

2

VOE 11997252

Brush Set

1шт.

2

VOE 11997252

Brush Set

1шт.

3

VOE 11998535

Реле

1шт.

3

VOE 11998535

Реле

1шт.

4

VOE 11998536

Check valve

1шт.

4

VOE 11998536

Клапан обратный

1шт.

Выбрано товаров: 18