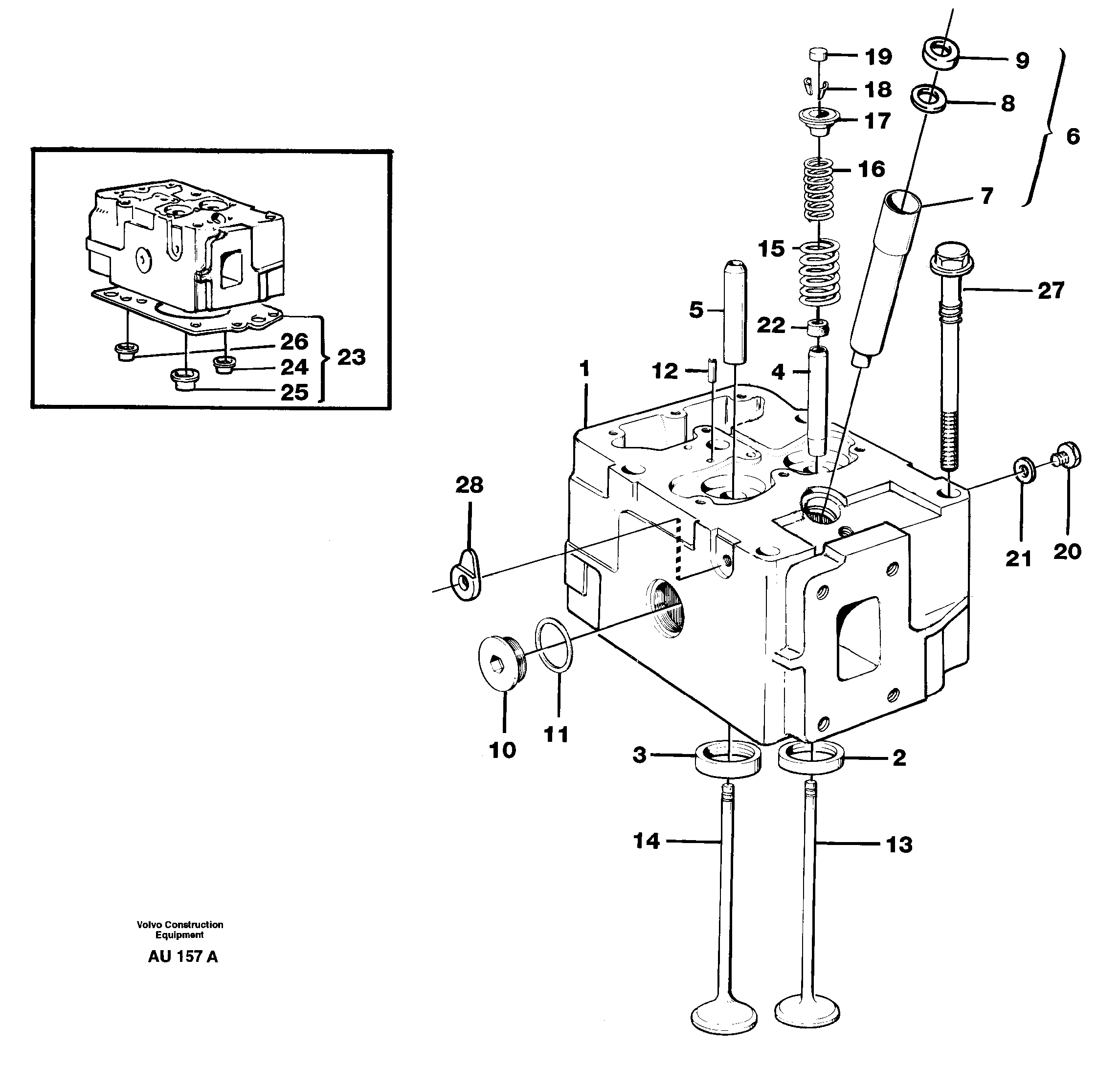
Запчасти Volvo L150C 22741 Головка блока цилиндров L150C S/N 2768-SWE, 60701-USA

Схема запчастей Volvo L150C - 22741 Головка блока цилиндров L150C S/N 2768-SWE, 60701-USA
FIT
1:1
100%

Артикул

Название

Примечание

Количество

VOE 1545885

Valve seat

0,2 MM, O SZ, Outlet

1шт.

VOE 1545885

Valve seat

0,2 MM, O SZ, Outlet

1шт.

VOE 8194452

Головка блока цилиндров

1шт.

VOE 467590

Valve seat

0,2 MM, O SZ, Inlet

1шт.

VOE 467590

Valve seat

0,2 MM, O SZ, Inlet

1шт.

1

VOE 8194448

Головка блока цилиндров

1шт.

10

VOE 8194467

Пробка (заглушка)

1шт.

10

VOE 8194467

Пробка (заглушка)

1шт.

11

VOE 13949762

Кольцо уплотнительное (О-кольцо)

1шт.

11

VOE 13949762

Кольцо уплотнительное (О-кольцо)

1шт.

12

VOE 14025455

цилиндр контактный

1шт.

13

VOE 479204

Клапан впускной

1шт.

13

VOE 479204

Клапан впускной

1шт.

14

VOE 467855

Клапан выпускной

1шт.

14

VOE 467855

Клапан выпускной

1шт.

15

VOE 467334

Пружина клапана

1шт.

15

VOE 467334

Пружина клапана

1шт.

16

VOE 467335

Пружина клапана

1шт.

16

VOE 467335

Пружина клапана

1шт.

17

VOE 467506

Шайба

1шт.

17

VOE 467506

Шайба

1шт.

18

VOE 468305

Valve Collet

1шт.

19

VOE 478074

Valve Cap

1шт.

19

VOE 478074

Valve Cap

1шт.

2

VOE 467474

Valve seat

STD SZ, Inlet

1шт.

2

VOE 467474

Valve seat

STD SZ, Inlet

1шт.

20

VOE 941876

Пробка (заглушка)

1шт.

20

VOE 941876

Пробка (заглушка)

1шт.

21

VOE 7018666

Прокладка

1шт.

21

VOE 7018666

Прокладка

1шт.

22

VOE 417135

Protecting Ring

1шт.

22

VOE 417135

Protecting Ring

1шт.

23

VOE 270789

Gasket Kit

1шт.

23

VOE 270789

Gasket Kit

1шт.

24

VOE 422413

Кольцо уплотнительное

OD = 11 MM

1шт.

24

VOE 422413

Кольцо уплотнительное

OD = 11 MM

1шт.

25

VOE 422414

Кольцо уплотнительное

OD = 32 MM

1шт.

25

VOE 422414

Кольцо уплотнительное

OD = 32 MM

1шт.

26

VOE 422415

Кольцо уплотнительное

OD = 18 MM

1шт.

26

VOE 422415

Кольцо уплотнительное

OD = 18 MM

1шт.

27

VOE 422086

Болт

1шт.

27

VOE 422086

Болт

1шт.

28

VOE 479260

Прокладка

1шт.

28

VOE 479260

Прокладка

1шт.

3

VOE 1545886

Valve seat

STD SZ, Outlet

1шт.

3

VOE 1545886

Valve seat

STD SZ, Outlet

1шт.

4

VOE 1545135

Valve Guide

1шт.

4

VOE 1545135

Valve Guide

1шт.

5

VOE 1545135

Valve Guide

1шт.

5

VOE 1545135

Valve Guide

1шт.

6

VOE 270946

Ремкомплект

1шт.

6

VOE 270946

Ремкомплект

1шт.

7

VOE 479163

Втулка (распорная)

1шт.

7

VOE 479163

Втулка (распорная)

1шт.

8

VOE 466405

Кольцо уплотнительное

1шт.

8

VOE 466405

Кольцо уплотнительное

1шт.

9

VOE 466420

Кольцо

1шт.

9

VOE 466420

Кольцо

1шт.

Выбрано товаров: 58