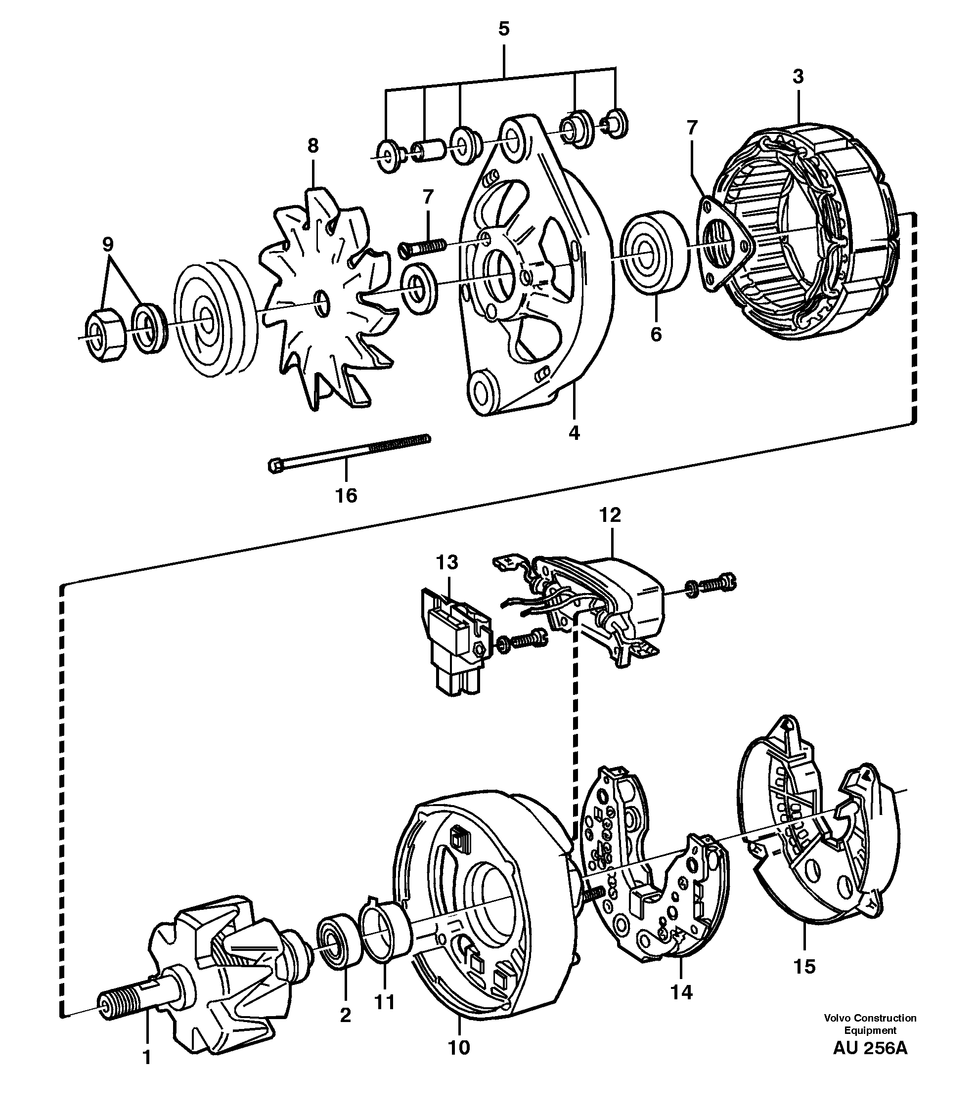
Запчасти Volvo L150C 25871 Alternator L150C S/N 2768-SWE, 60701-USA

Схема запчастей Volvo L150C - 25871 Alternator L150C S/N 2768-SWE, 60701-USA
FIT
1:1
100%

Артикул

Название

Примечание

Количество

VOE 873757

Alternator

1шт.

VOE 873757

Alternator

1шт.

1

VOE 864347

Rotor

1шт.

1

VOE 864347

Rotor

1шт.

10

VOE 11993561

Картер (корпус)

1шт.

11

VOE 838919

Крышка

1шт.

11

VOE 838919

Крышка

1шт.

12

VOE 872368

Regulator Kit

1шт.

12

VOE 872368

Regulator Kit

1шт.

13

VOE 840632

Brush Retainer

1шт.

13

VOE 840632

Brush Retainer

1шт.

14

VOE 873817

Diode Bridge

1шт.

14

VOE 873817

Diode Bridge

1шт.

15

VOE 847712

Крышка

1шт.

15

VOE 847712

Крышка

1шт.

16

VOE 6212852

Комплект винтов

1шт.

16

VOE 6212852

Комплект винтов

1шт.

2

VOE 181798

Ball Bearing

1шт.

2

VOE 181798

Ball Bearing

1шт.

3

VOE 864346

Stator

1шт.

3

VOE 864346

Stator

1шт.

6

VOE 864350

Ball Bearing

1шт.

6

VOE 864350

Ball Bearing

1шт.

8

VOE 6212848

Вентилятор

1шт.

8

VOE 6212848

Вентилятор

1шт.

Выбрано товаров: 25