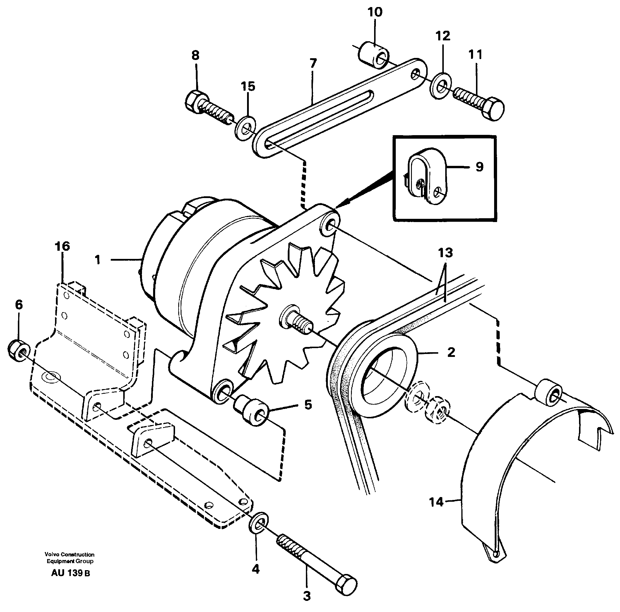
Запчасти Volvo L150C 34574 Alternator with assembling details L150C S/N 2768-SWE, 60701-USA

Схема запчастей Volvo L150C - 34574 Alternator with assembling details L150C S/N 2768-SWE, 60701-USA
FIT
1:1
100%

Артикул

Название

Примечание

Количество

VOE 13966368

Болт

1шт.

10

VOE 13930463

Spacer Ring

(VOE 930463)

1шт.

10

VOE 13930463

Spacer Ring

(VOE 930463)

1шт.

11

VOE 13970994

Винт шестигранник

(VOE 970994)

1шт.

11

VOE 13970994

Винт шестигранник

(VOE 970994)

1шт.

12

VOE 955899

Шайба

1шт.

12

VOE 955899

Шайба

1шт.

13

VOE 966843

Ремень клиновой (приводной)

1шт.

13

VOE 966843

Ремень клиновой (приводной)

1шт.

14

VOE 11025040

Guard

1шт.

15

VOE 13960141

Шайба

1шт.

15

VOE 13960141

Шайба

1шт.

2

VOE 822573

Шкив

1шт.

2

VOE 822573

Шкив

1шт.

3

VOE 13971007

Винт шестигранник

1шт.

3

VOE 13971007

Винт шестигранник

1шт.

4

VOE 955899

Шайба

1шт.

4

VOE 955899

Шайба

1шт.

5

VOE 11024304

Spacer Sleeve

1шт.

6

VOE 981316

Lock nut

1шт.

6

VOE 981316

Lock nut

1шт.

7

VOE 11024293

Опора

1шт.

8

VOE 13947760

Болт

(VOE 947760)

1шт.

8

VOE 13947760

Flange screw

(VOE 947760)

1шт.

9

VOE 466735

Brace

1шт.

9

VOE 466735

Brace

1шт.

Выбрано товаров: 26