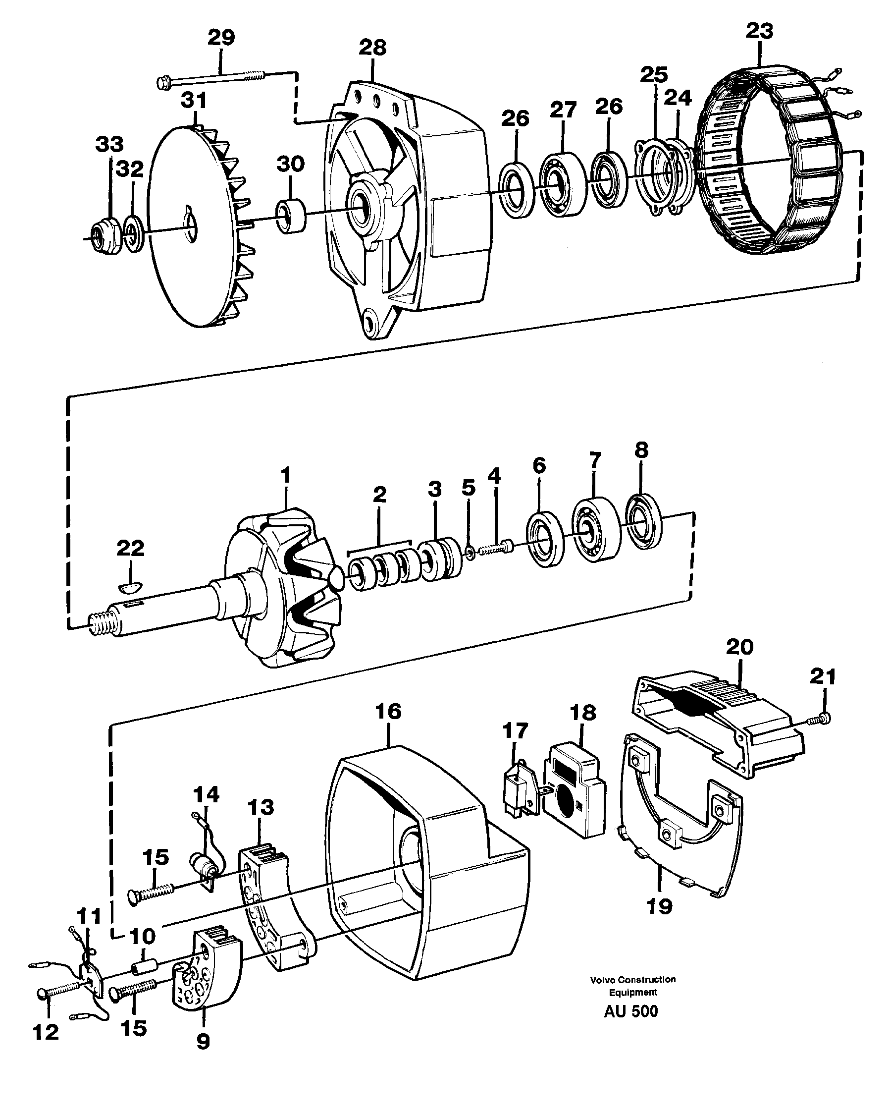
Запчасти Volvo L150C 76122 Alternator L150C S/N 2768-SWE, 60701-USA

Схема запчастей Volvo L150C - 76122 Alternator L150C S/N 2768-SWE, 60701-USA
FIT
1:1
100%

Артикул

Название

Примечание

Количество

VOE 849748

Alternator

1шт.

VOE 849748

Alternator

1шт.

1

VOE 862507

Rotor

1шт.

11

VOE 862512

Диод

1шт.

13

VOE 862514

862514

1шт.

14

VOE 862515

Kit

1шт.

16

VOE 862508

End plate

1шт.

17

VOE 862517

Set

1шт.

18

VOE 862523

Крышка

1шт.

2

VOE 862510

Подшипник

1шт.

20

VOE 862526

Regulator

1шт.

23

VOE 862506

Stator

1шт.

24

VOE 862522

Тарелка клапана

1шт.

25

VOE 862521

Тарелка клапана

1шт.

26

VOE 862520

Сальник

1шт.

27

VOE 862509

Подшипник

1шт.

28

VOE 862505

End plate

1шт.

3

VOE 862511

Кольцо

1шт.

30

VOE 862519

Вставка

1шт.

31

VOE 862518

Вентилятор

1шт.

6

VOE 862524

Сальник

1шт.

7

VOE 862516

Подшипник

1шт.

8

VOE 862524

Сальник

1шт.

9

VOE 862513

862513

1шт.

Выбрано товаров: 24