Запчасти Volvo L150C 93461 Footbrake valve with clutches L150C S/N 2768-SWE, 60701-USA

Схема запчастей Volvo L150C - 93461 Footbrake valve with clutches L150C S/N 2768-SWE, 60701-USA
FIT
1:1
100%

Артикул

Название

Примечание

Количество

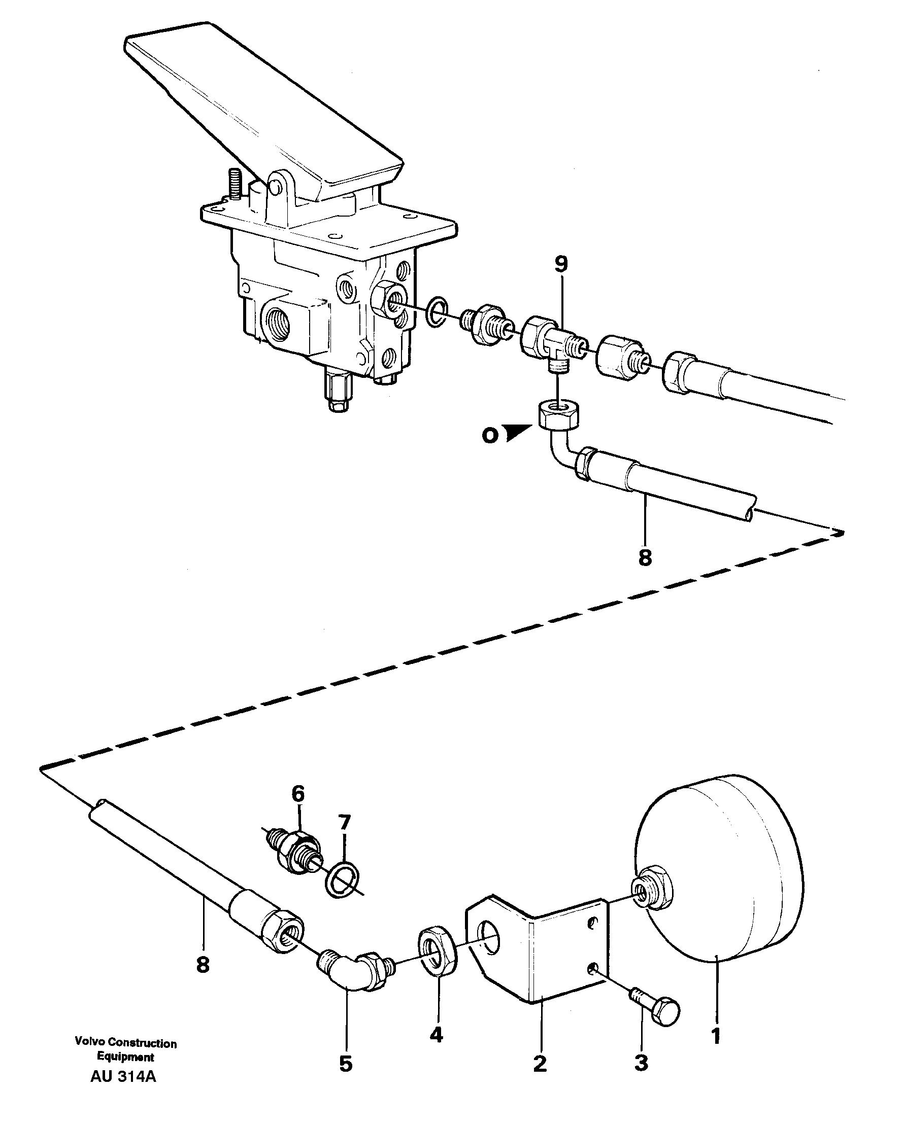
VOE 15160600

Гидроаккумулятор

1шт.

VOE 13933942

Hose assembly

L = 600 MM

1шт.

VOE 13933942

Hose assembly

L = 600 MM

1шт.

1

VOE 4872214

Гидроаккумулятор

1шт.

1

VOE 4872214

Гидроаккумулятор

1шт.

2

VOE 11026669

Anchorage

1шт.

3

VOE 13945444

Болт

(VOE 945444)

1шт.

3

VOE 13945444

Screw

(VOE 945444)

1шт.

4

VOE 4872215

Гайка

1шт.

4

VOE 4872215

Гайка

1шт.

5

VOE 4881171

Nipple

1шт.

5

VOE 4881171

Nipple

1шт.

6

VOE 4881644

Nipple

1шт.

6

VOE 4881644

Nipple

1шт.

7

VOE 11993537

Кольцо уплотнительное (О-кольцо)

1шт.

7

VOE 11993537

Кольцо уплотнительное (О-кольцо)

1шт.

8

VOE 932159

Hose assembly

L = 1300 MM

1шт.

8

VOE 932159

Hose assembly

L = 1300 MM

1шт.

Выбрано товаров: 18