Запчасти Volvo L150C 41241 Adjustable steering wheel L150C S/N 2768-SWE, 60701-USA

Схема запчастей Volvo L150C - 41241 Adjustable steering wheel L150C S/N 2768-SWE, 60701-USA
FIT
1:1
100%

Артикул

Название

Примечание

Количество

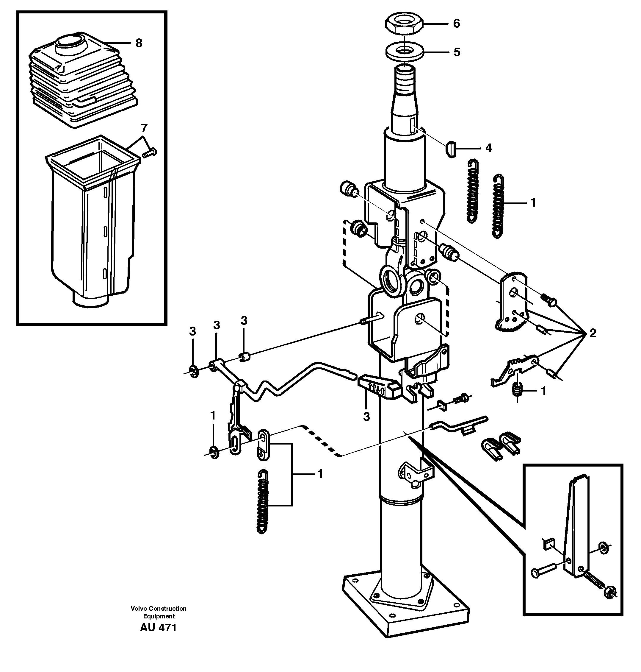
VOE 11104162

Рулевая колонка

1шт.

VOE 11104162

Рулевая колонка

1шт.

1

VOE 11704312

Комплект пружин

1шт.

1

VOE 11704312

Комплект пружин

1шт.

2

VOE 11704313

Locking Device

1шт.

2

VOE 11704313

Locking Device

1шт.

3

VOE 11704314

Lever Kit

1шт.

3

VOE 11704314

Lever Kit

1шт.

4

VOE 4760805

Key

1шт.

4

VOE 4760805

Key

1шт.

5

VOE 955901

Шайба

1шт.

5

VOE 955901

Шайба

1шт.

6

VOE 955822

Hexagon Nut

1шт.

6

VOE 955822

Hexagon Nut

1шт.

7

VOE 11704315

Крышка

1шт.

7

VOE 11704315

Крышка

1шт.

8

VOE 11704316

Boot

1шт.

8

VOE 11704316

Boot

1шт.

Выбрано товаров: 18