Запчасти Volvo L150D 90271 Насос L150D

Схема запчастей Volvo L150D - 90271 Насос L150D
FIT
1:1
100%

Артикул

Название

Примечание

Количество

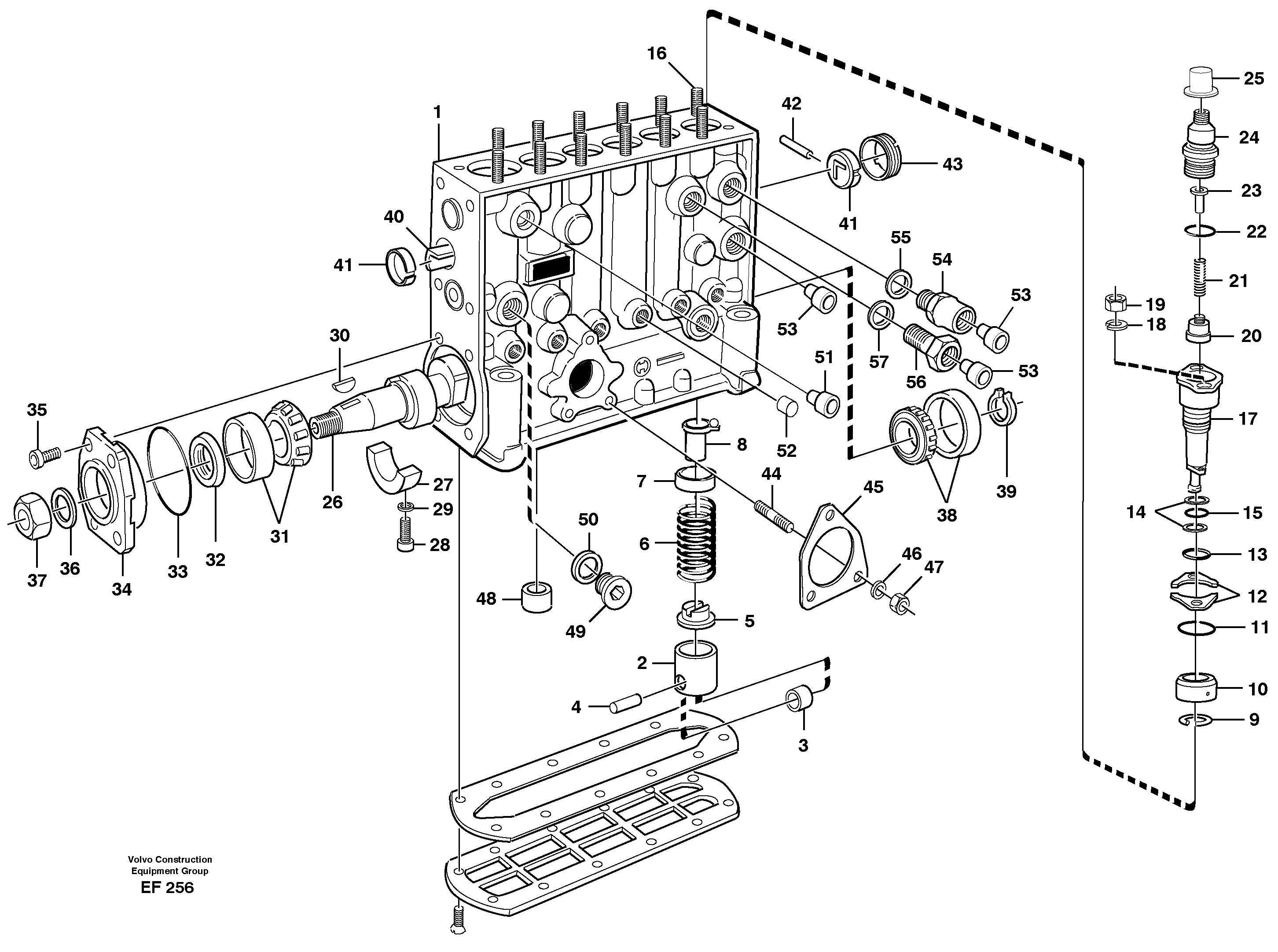
VOE 244635

Прокладка

THICK = 1,40 MM

1шт.

VOE 847428

Прокладка

THICK = 0,45 MM

1шт.

VOE 844992

Прокладка

THICK = 0,70 MM

1шт.

VOE 844991

Прокладка

THICK = 0,50 MM

1шт.

VOE 11998401

Ремкомплект

1шт.

VOE 244381

Прокладка

THICK = 1,50 MM

1шт.

VOE 844995

Прокладка

THICK = 1,10 MM

1шт.

VOE 3094339

Tappet

1шт.

VOE 844993

Прокладка

THICK = 0,80 MM

1шт.

VOE 244385

Прокладка

THICK = 1,90 MM

1шт.

VOE 11707189

Насос

VOE 11707189

1шт.

VOE 244382

Прокладка

THICK = 1,60 MM

1шт.

VOE 244384

Прокладка

THICK = 1,80 MM

1шт.

VOE 244386

Прокладка

THICK = 2,00 MM

1шт.

VOE 244383

Прокладка

THICK = 1,70 MM

1шт.

VOE 244383

Прокладка

THICK = 1,70 MM

1шт.

VOE 844994

Прокладка

THICK = 1,00 MM

1шт.

10

VOE 1699766

Cap

1шт.

11

VOE 862402

Кольцо уплотнительное (О-кольцо)

1шт.

12

VOE 844990

Прокладка

THICK = 0,40 MM

1шт.

13

VOE 11996307

Кольцо уплотнительное (О-кольцо)

1шт.

14

VOE 3094382

Back-up ring

1шт.

15

VOE 240422

Кольцо уплотнительное

1шт.

15

VOE 240422

Кольцо уплотнительное

1шт.

16

VOE 1699459

Шпилька

1шт.

17

VOE 11703514

Pump element

1шт.

18

VOE 862404

Шайба

1шт.

19

VOE 1699460

Гайка

1шт.

20

VOE 3094551

Delivery valve

1шт.

21

VOE 1699812

Compression spring

1шт.

22

VOE 862400

Кольцо уплотнительное (О-кольцо)

1шт.

23

VOE 1699811

Peg

1шт.

24

VOE 1699810

Тарелка клапана

1шт.

26

VOE 11996308

Распредвал

1шт.

27

VOE 862417

Подшипник

1шт.

28

VOE 1699470

Болт

1шт.

29

VOE 1699471

Кольцо уплотнительное

1шт.

3

VOE 862410

Roller

1шт.

30

VOE 7035168

Key

1шт.

31

VOE 1699472

Подшипник

1шт.

32

VOE 1699474

Кольцо уплотнительное

1шт.

33

VOE 862423

Кольцо уплотнительное (О-кольцо)

1шт.

34

VOE 1699473

Крышка

1шт.

35

VOE 862415

Болт

1шт.

36

VOE 1699475

Шайба пружинная

1шт.

37

VOE 1699476

Гайка

1шт.

38

VOE 11705427

Подшипник

1шт.

39

VOE 914459

Retaining ring

1шт.

39

VOE 914459

Кольцо стопорное

1шт.

4

VOE 240779

Вал

1шт.

40

VOE 11705057

Control rod

1шт.

41

VOE 240014

Guide sleeve

1шт.

42

VOE 244008

Pin

1шт.

42

VOE 244008

Pin

1шт.

42

VOE 244008

Палец

1шт.

43

VOE 244699

Кольцо

1шт.

44

VOE 130673

Шпилька

1шт.

45

VOE 863370

Прокладка

1шт.

46

VOE 13949607

Шайба

1шт.

46

VOE 13949607

Шайба

1шт.

47

VOE 940197

Hexagon nut

1шт.

47

VOE 940197

Hexagon nut

1шт.

48

VOE 1697956

Cap

1шт.

49

VOE 7243263

Пробка (заглушка)

1шт.

5

VOE 862408

Disc spring

1шт.

50

VOE 949329

Прокладка

1шт.

50

VOE 949329

Прокладка

1шт.

51

VOE 865115

Protecting casing

1шт.

52

VOE 11998400

Cap

1шт.

53

VOE 865113

Protecting casing

1шт.

53

VOE 865113

Protecting casing

1шт.

54

VOE 11996309

Overflow valve

1шт.

55

VOE 13947621

Plane gasket

1шт.

55

VOE 13947621

Plane gasket

1шт.

57

VOE 7011996

Прокладка

1шт.

57

VOE 7011996

Прокладка

1шт.

6

VOE 1699465

Compression spring

1шт.

7

VOE 239984

Spring disc

1шт.

8

VOE 862406

Spring sleeve

1шт.

9

VOE 1699457

Stop ring

1шт.

Выбрано товаров: 0