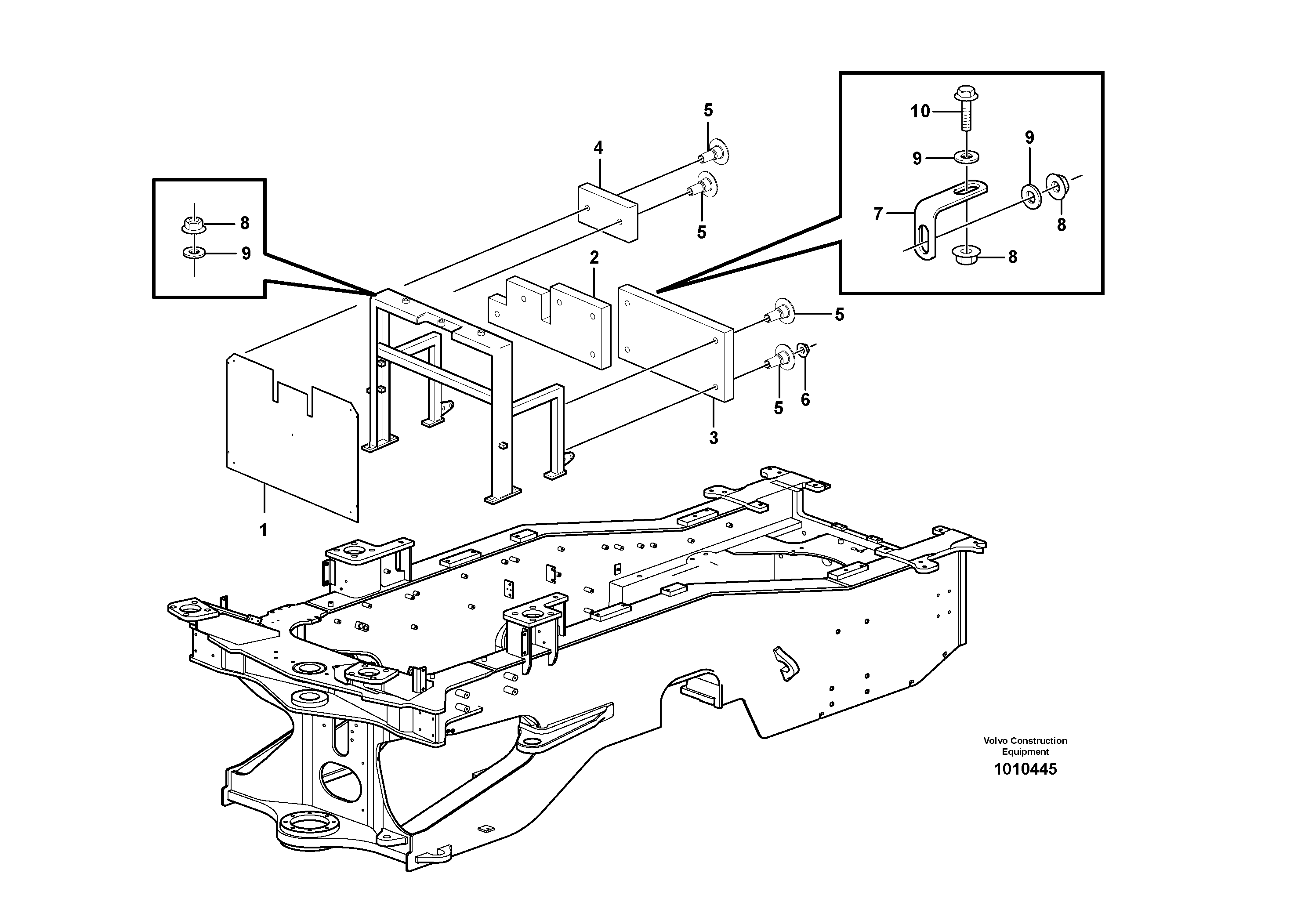
Запчасти Volvo L150E 89946 Insulating matting L150E S/N 8001 -

Схема запчастей Volvo L150E - 89946 Insulating matting L150E S/N 8001 -
FIT
1:1
100%

Артикул

Название

Примечание

Количество

VOE 11414269

Absorbent

SER NO 8158 -

1шт.

VOE 11414268

Sound baffle

SER NO 8158 -

1шт.

1

VOE 11413580

Sound baffle

SER NO - 8157

1шт.

10

VOE 13946173

Screw

1шт.

10

VOE 13946173

Болт

1шт.

2

VOE 11413576

Absorbent

SER NO - 8157

1шт.

3

VOE 11413577

Absorbent

1шт.

4

VOE 11413578

Absorbent

1шт.

5

VOE 11413269

Plastic plug

1шт.

5

VOE 11413269

Plastic plug

1шт.

6

VOE 981447

Flange lock nut

1шт.

6

VOE 981447

Flange lock nut

1шт.

7

VOE 11413634

Пластина

1шт.

8

VOE 13945408

Гайка

1шт.

8

VOE 13945408

Гайка

1шт.

9

VOE 13960141

Шайба

1шт.

9

VOE 13960141

Шайба

1шт.

Выбрано товаров: 17