Запчасти Volvo L150E 12941 Гидробак L150E S/N 8001 -

Схема запчастей Volvo L150E - 12941 Гидробак L150E S/N 8001 -
FIT
1:1
100%

Артикул

Название

Примечание

Количество

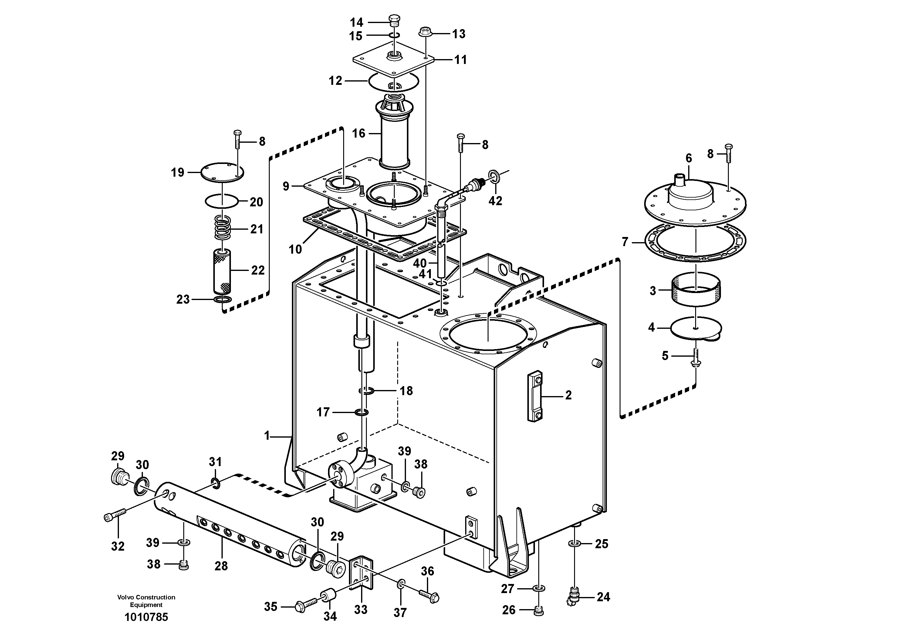
VOE 4881440

Cable tie

SER NO 8722 -

1шт.

VOE 4881440

Cable tie

SER NO 8722 -

1шт.

VOE 11410528

Hydraulic fluid tank

1шт.

1

VOE 11410527

Hydraulic fluid tank

1шт.

10

VOE 11410532

Прокладка

1шт.

11

VOE 11410470

Крышка

1шт.

11

VOE 11410470

Крышка

1шт.

12

VOE 962500

Кольцо уплотнительное (О-кольцо)

1шт.

12

VOE 962500

Кольцо уплотнительное (О-кольцо)

1шт.

13

VOE 13971095

Flange nut

1шт.

13

VOE 13971095

Flange nut

1шт.

14

VOE 941375

Пробка (заглушка)

1шт.

14

VOE 941375

Пробка (заглушка)

1шт.

15

VOE 958229

Кольцо уплотнительное (О-кольцо)

1шт.

15

VOE 958229

Кольцо уплотнительное (О-кольцо)

1шт.

17

VOE 947788

Кольцо уплотнительное (О-кольцо)

1шт.

17

VOE 947788

Кольцо уплотнительное (О-кольцо)

1шт.

18

VOE 925072

Кольцо уплотнительное (О-кольцо)

1шт.

18

VOE 925072

Кольцо уплотнительное (О-кольцо)

1шт.

19

VOE 11096815

Cover

1шт.

19

VOE 11096815

Крышка

1шт.

2

VOE 11148801

Level Inspection Glass

1шт.

20

VOE 925256

Кольцо уплотнительное (О-кольцо)

1шт.

20

VOE 925256

Кольцо уплотнительное (О-кольцо)

1шт.

21

VOE 11096816

Пружина

1шт.

21

VOE 11096816

Пружина

1шт.

22

VOE 11096818

Фильтр

1шт.

23

VOE 925073

Кольцо уплотнительное (О-кольцо)

1шт.

23

VOE 925073

Кольцо уплотнительное (О-кольцо)

1шт.

24

VOE 11054692

Клапан

1шт.

24

VOE 11054692

Клапан

1шт.

25

VOE 949329

Прокладка

1шт.

25

VOE 949329

Прокладка

1шт.

26

VOE 13966145

Пробка (заглушка)

1шт.

26

VOE 13966145

Пробка (заглушка)

1шт.

27

VOE 948885

Plane gasket

1шт.

27

VOE 948885

Plane gasket

1шт.

28

VOE 11148392

Connecting block

1шт.

29

VOE 13966148

Пробка (заглушка)

1шт.

29

VOE 13966148

Пробка (заглушка)

1шт.

3

VOE 4854855

Кольцо

1шт.

3

VOE 4854855

Кольцо

1шт.

30

VOE 14013072

Sealing washer

1шт.

30

VOE 14013072

Sealing washer

1шт.

31

VOE 13949238

Кольцо уплотнительное (О-кольцо)

1шт.

31

VOE 13949238

Кольцо уплотнительное (О-кольцо)

1шт.

32

VOE 959244

Allen Hd Screw

1шт.

33

VOE 11148831

Anchorage

1шт.

34

VOE 4973473

Spacer sleeve

1шт.

34

VOE 4973473

Spacer sleeve

1шт.

35

VOE 946671

Flange screw

1шт.

35

VOE 946671

Flange screw

1шт.

36

VOE 13947760

Болт

1шт.

36

VOE 13947760

Screw

1шт.

37

VOE 13960141

Шайба

1шт.

37

VOE 13960141

Шайба

1шт.

38

VOE 960631

Пробка (заглушка)

1шт.

39

VOE 948883

Plane gasket

1шт.

39

VOE 948883

Plane gasket

1шт.

4

VOE 4854856

Крышка

1шт.

4

VOE 4854856

Крышка

1шт.

40

VOE 11039581

Level indicator

SE906

1шт.

40

VOE 11039581

Level indicator

SE906

1шт.

41

VOE 958228

Кольцо уплотнительное (О-кольцо)

1шт.

41

VOE 958228

Кольцо уплотнительное (О-кольцо)

1шт.

42

VOE 3963413

Кольцо

SER NO - 8721

1шт.

5

VOE 946440

Flange screw

1шт.

5

VOE 946440

Flange screw

1шт.

6

VOE 11094565

Крышка

1шт.

7

VOE 11410533

Прокладка

1шт.

7

VOE 11410533

Прокладка

1шт.

8

VOE 13945444

Болт

1шт.

8

VOE 13945444

Screw

1шт.

9

VOE 11410531

Filter retainer

1шт.

Выбрано товаров: 74