Запчасти Volvo L150E 83051 Coolant drainage L150E S/N 8001 -

Схема запчастей Volvo L150E - 83051 Coolant drainage L150E S/N 8001 -
FIT
1:1
100%

Артикул

Название

Примечание

Количество

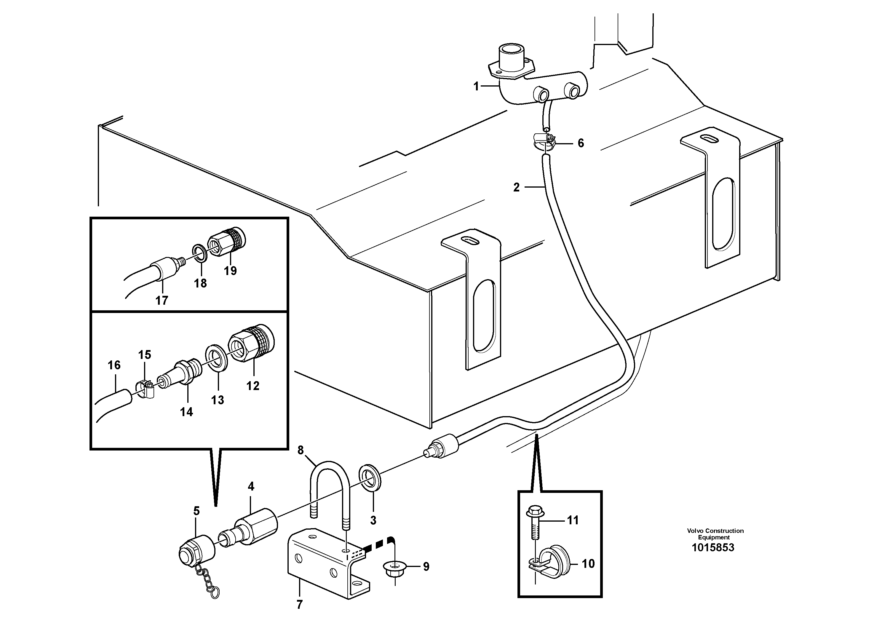
VOE 11410426

Drain hose

SER NO 8255 -

1шт.

VOE 11410611

Drain hose

L = 1150 MM

1шт.

10

VOE 13977599

Зажим

1шт.

10

VOE 13977599

Зажим

1шт.

11

VOE 13946173

Screw

1шт.

11

VOE 13946173

Болт

1шт.

12

VOE 4880194

Snap-on coupling

SER NO - 8254

1шт.

13

VOE 948883

Plane gasket

SER NO - 8254

1шт.

13

VOE 948883

Plane gasket

SER NO - 8254

1шт.

14

VOE 4786606

Hose nipple

SER NO - 8254

1шт.

14

VOE 4786606

Hose nipple

SER NO - 8254

1шт.

15

VOE 13943472

Hose clamp

SER NO - 8254

1шт.

16

VOE 13946652

Шланг

L = 420 MM

1шт.

17

VOE 11410428

Drain hose

1шт.

18

VOE 14042936

Sealing washer

1шт.

18

VOE 14042936

Sealing washer

1шт.

19

VOE 4880194

Snap-on coupling

1шт.

2

VOE 11410610

Drain hose

1шт.

3

VOE 14042936

Sealing washer

1шт.

3

VOE 14042936

Sealing washer

1шт.

4

VOE 4786585

Insert nipple

1шт.

4

VOE 4786585

Insert nipple

1шт.

5

VOE 11194108

Protecting sleeve

1шт.

5

VOE 11194108

Protecting sleeve

1шт.

6

VOE 13943472

Hose clamp

1шт.

8

VOE 11130271

Зажим

1шт.

9

VOE 13949278

Flange lock nut

1шт.

9

VOE 13949278

Flange lock nut

1шт.

Выбрано товаров: 28