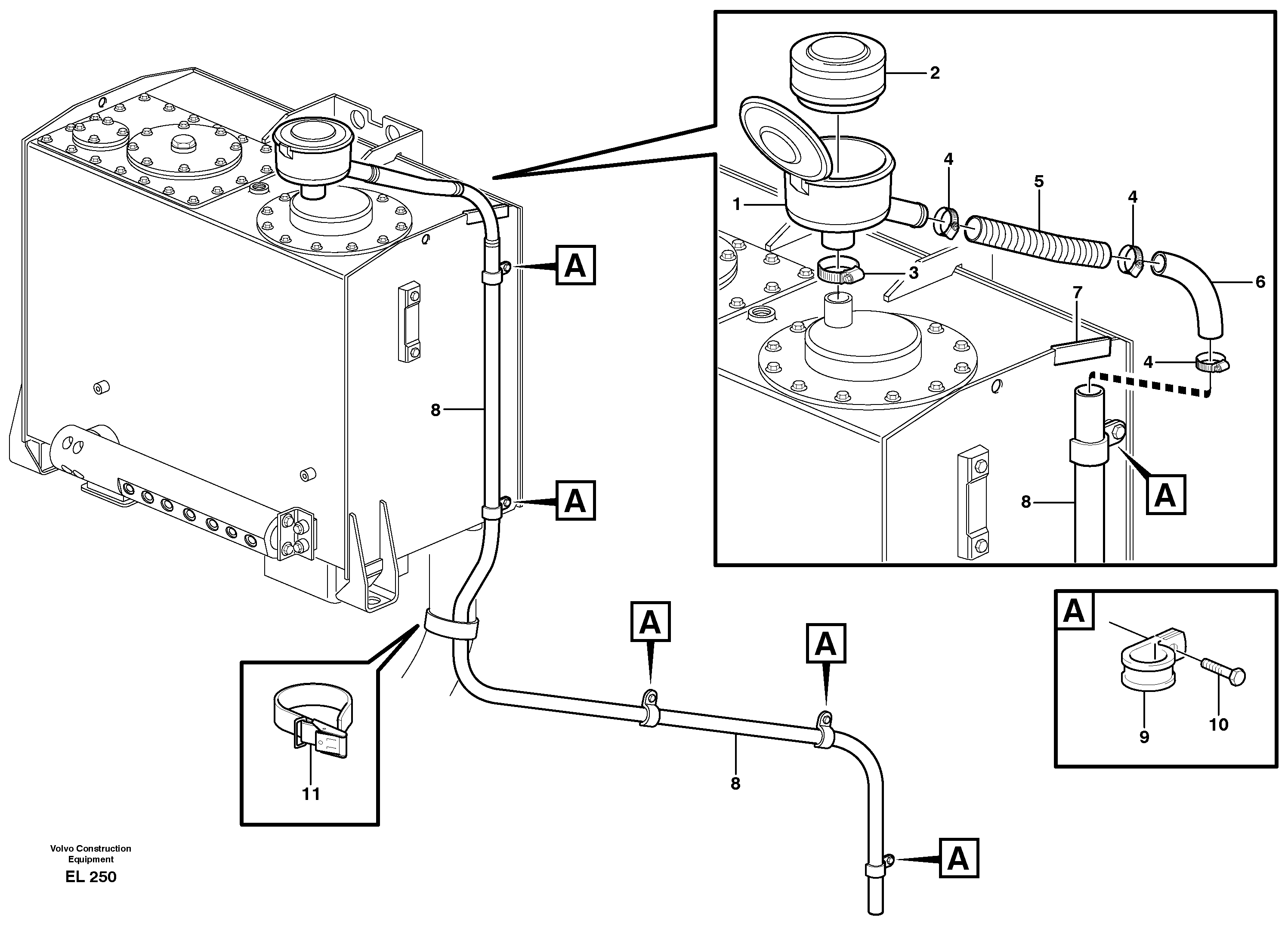
Запчасти Volvo L150E 71934 Hydraulic fluid tank, ventilation L150E S/N 10002 - 11594

Схема запчастей Volvo L150E - 71934 Hydraulic fluid tank, ventilation L150E S/N 10002 - 11594
FIT
1:1
100%

Артикул

Название

Примечание

Количество

1

VOE 11173325

Фильтр воздушный

1шт.

10

VOE 13946173

Screw

1шт.

10

VOE 13946173

Болт

1шт.

11

VOE 11104606

Retaining strap

1шт.

11

VOE 11104606

Retaining strap

1шт.

2

VOE 11707077

Filter insert

1шт.

3

VOE 943477

Hose clamp

1шт.

4

VOE 943475

Hose clamp

1шт.

4

VOE 943475

Hose clamp

1шт.

5

VOE 11175366

Radiator hose

L = 550 MM

1шт.

6

VOE 11163196

Pipe bend

1шт.

7

VOE 4786044

Прокладка стекла

L = 125 MM

1шт.

8

VOE 13942707

Шланг

L = 2800 MM

1шт.

8

VOE 13942707

Шланг

L = 2800 MM

1шт.

9

VOE 981904

Зажим

1шт.

9

VOE 981904

Зажим

1шт.

Выбрано товаров: 16