Запчасти Volvo L160 16767 Controls L160 VOLVO BM L160

Схема запчастей Volvo L160 - 16767 Controls L160 VOLVO BM L160
FIT
1:1
100%

Артикул

Название

Примечание

Количество

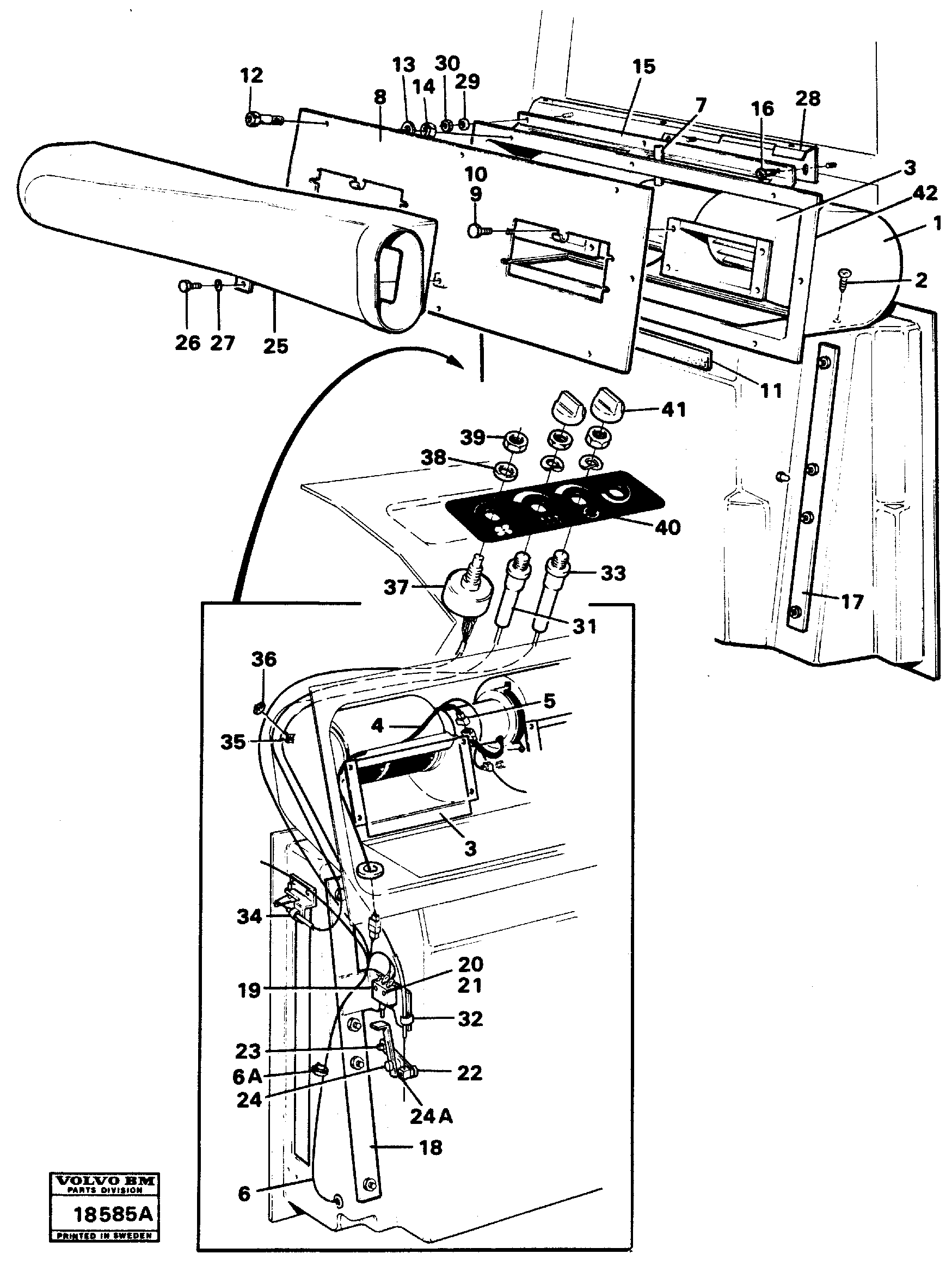
VOE 955274

Винт шестигранник

(USA) CAB 60065 -

1шт.

VOE 955274

Винт шестигранник

(USA) CAB 60065 -

1шт.

VOE 955244

Винт шестигранник

(USA) CAB 60065 -

1шт.

VOE 955244

Винт шестигранник

(USA) CAB 60065 -

1шт.

VOE 4803821

4803821

1шт.

VOE 1504583

Knob

TEMP / REC

1шт.

VOE 1504583

Knob

TEMP / REC

1шт.

VOE 11041501

Cable harness

1шт.

VOE 956055

Cross recessed screw

(USA) CAB 60065 -

1шт.

10

VOE 955892

Шайба

1шт.

10

VOE 955892

Шайба

1шт.

11

VOE 762681

Rubber moulding

L=1500

1шт.

11

VOE 762681

Rubber moulding

L=1500

1шт.

12

VOE 959177

Allen Hd Screw

1шт.

13

VOE 960137

Шайба

1шт.

13

VOE 960137

Шайба

1шт.

14

VOE 930757

Expanding nut

1шт.

14

VOE 930757

Expanding nut

1шт.

16

VOE 969278

Винт шестигранник (торцевой ключ)

1шт.

16

VOE 969278

Винт шестигранник (торцевой ключ)

1шт.

19

VOE 4787427

Microswitch

1шт.

19

VOE 4787427

Microswitch

1шт.

2

VOE 943617

Cross recessed screw

1шт.

2

VOE 943617

Cross recessed screw

1шт.

20

VOE 955778

Hexagon nut

1шт.

20

VOE 955778

Hexagon nut

1шт.

21

VOE 956049

Cross recessed screw

(USA) CAB - 60064

1шт.

22

VOE 955244

Винт шестигранник

1шт.

22

VOE 955244

Винт шестигранник

1шт.

23

VOE 4955201

Separator

1шт.

24

VOE 955274

Винт шестигранник

1шт.

24

VOE 955274

Винт шестигранник

1шт.

24A

VOE 956076

Cross recessed screw

(USA) CAB - 60064

1шт.

24A

VOE 956076

Cross recessed screw

(USA) CAB - 60064

1шт.

25

VOE 4778248

Distribution housing

1шт.

26

VOE 956093

Cross recessed screw

1шт.

27

VOE 955892

Шайба

1шт.

27

VOE 955892

Шайба

1шт.

28

VOE 11005515

Panel

1шт.

29

VOE 955892

Шайба

1шт.

29

VOE 955892

Шайба

1шт.

30

VOE 13955781

Гайка

1шт.

30

VOE 13955781

Гайка

1шт.

31

VOE 4955114

Control

1шт.

32

VOE 1211599

Скоба (хомут)

1шт.

32

VOE 1211599

Скоба (хомут)

1шт.

33

VOE 4955115

Control

1шт.

34

VOE 1211599

Скоба (хомут)

1шт.

34

VOE 1211599

Скоба (хомут)

1шт.

35

VOE 951187

Зажим

1шт.

35

VOE 951187

Зажим

1шт.

36

VOE 955891

Шайба

1шт.

36

VOE 955891

Шайба

1шт.

37

VOE 1210190

1210190

1шт.

38

VOE 13940143

Стопорная шайба (кольцо)

1шт.

38

VOE 13940143

Стопорная шайба (кольцо)

1шт.

39

VOE 1212859

Гайка

1шт.

4

VOE 4803597

4803597

1шт.

40

VOE 4955167

Decal

1шт.

40

VOE 4955167

Decal

1шт.

41

VOE 1215134

Knob

: FLAKT / FAN

1шт.

42

VOE 11003410

Прокладка

1шт.

5

VOE 13948995

Pin housing

1шт.

5

VOE 13948995

Pin housing

1шт.

6

VOE 4937444

Cable harness

1шт.

6A

VOE 4881440

Cable tie

1шт.

6A

VOE 4881440

Cable tie

1шт.

8

VOE 4955158

4955158

1шт.

9

VOE 955269

Винт шестигранник

1шт.

9

VOE 955269

Винт шестигранник

1шт.

Выбрано товаров: 70