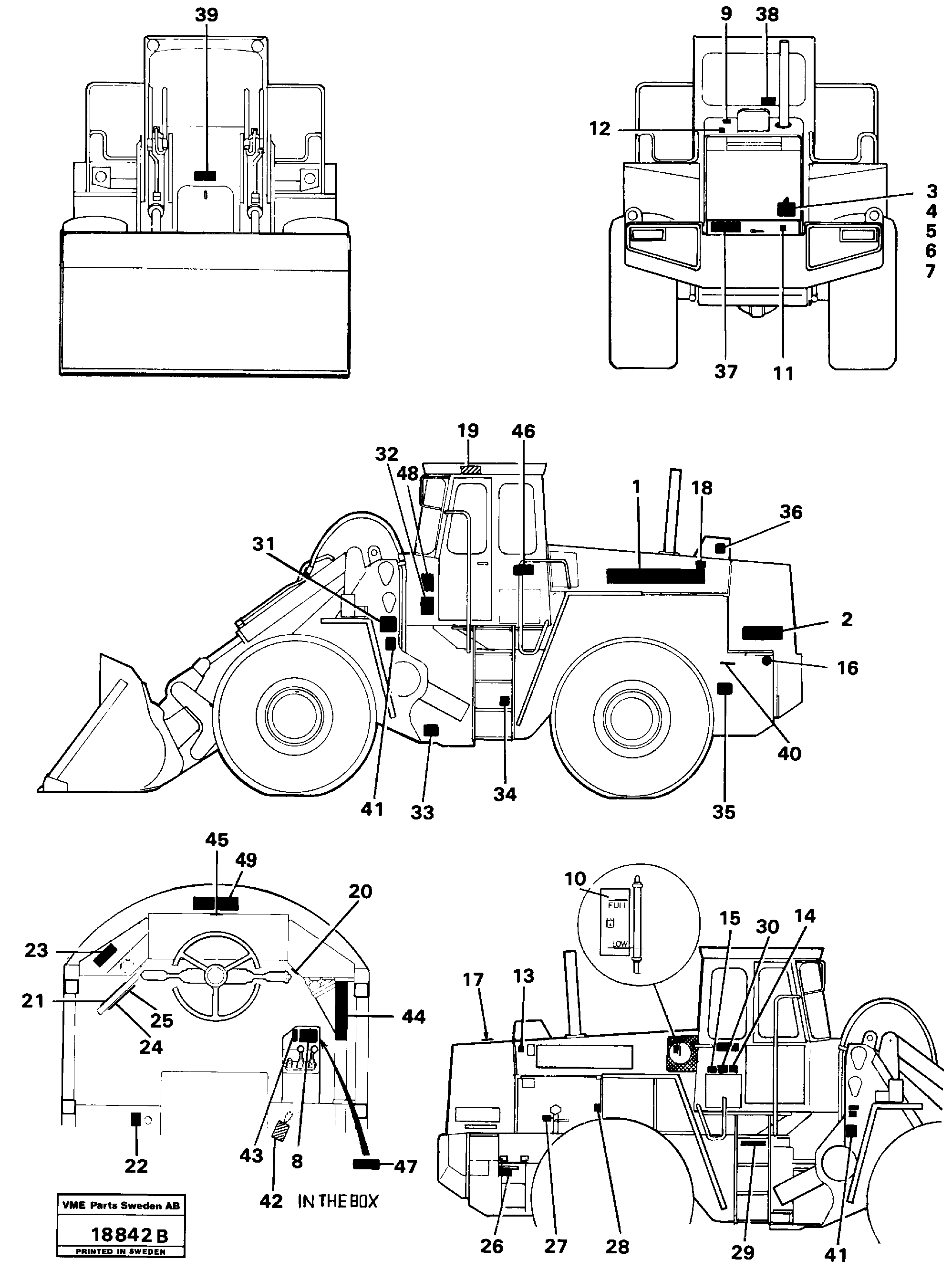
Запчасти Volvo L160 65952 Sign plates and decals L160 VOLVO BM L160

Схема запчастей Volvo L160 - 65952 Sign plates and decals L160 VOLVO BM L160
FIT
1:1
100%

Артикул

Название

Примечание

Количество

VOE 11023131

Decal

3-4-5 HYDR.FUNCT

1шт.

VOE 11005765

Decal

EL.DISTRIBUT. UNIT

1шт.

VOE 11005844

Decal

EL.DISTRIBUT. UNIT

1шт.

VOE 941671

Blind rivet

1шт.

VOE 941671

Blind rivet

1шт.

1

VOE 4952350

Decal

"MICHIGAN"

1шт.

10

VOE 11003865

Decal

OIL LEVEL

1шт.

10

VOE 11003865

Decal

OIL LEVEL

1шт.

11

VOE 11003865

Decal

FUEL

1шт.

11

VOE 11003865

Decal

FUEL

1шт.

12

VOE 11003865

Decal

NON-FREEZING SOLUTION

1шт.

12

VOE 11003865

Decal

NON-FREEZING SOLUTION

1шт.

13

VOE 4948100

Decal

LEVEL

1шт.

13

VOE 4948100

Decal

LEVEL

1шт.

14

VOE 11003865

Decal

WARNING,BRAKE PRESSURE

1шт.

14

VOE 11003865

Decal

WARNING,BRAKE PRESSURE

1шт.

15

VOE 4932840

Decal

TRANSM. OIL FILL

1шт.

15

VOE 4932840

Decal

TRANSM. OIL FILL

1шт.

16

VOE 11004094

Decal

LIFTING HOOK

1шт.

16

VOE 11004094

Decal

LIFTING HOOK

1шт.

17

VOE 4952181

Decal

NON-FREEZING SOLUTION

1шт.

17

VOE 4952181

Decal

NON-FREEZING SOLUTION

1шт.

18

VOE 4952167

Decal

AIR FILTER

1шт.

18

VOE 4952167

Decal

AIR FILTER

1шт.

2

VOE 4952351

Decal

"L 160"

1шт.

20

VOE 4948030

Decal

24 VOLT

1шт.

20

VOE 4948030

Decal

24 VOLT

1шт.

21

VOE 11013312

Decal

EL.DISTRIBUT. UNIT

1шт.

22

VOE 11003865

Decal

PARKING BRAKE

1шт.

22

VOE 11003865

Decal

PARKING BRAKE

1шт.

23

VOE 13935069

Decal

TURBO CHARGER

1шт.

23

VOE 13935069

Decal

TURBO CHARGER

1шт.

24

VOE 4843571

Decal

INSTRUCTION MANUAL

1шт.

24

VOE 4843571

Decal

INSTRUCTION MANUAL

1шт.

25

VOE 4952179

Decal

-TOOL

1шт.

25

VOE 4952179

Decal

-TOOL

1шт.

26

VOE 4843569

Decal

BATTERY

1шт.

26

VOE 4843569

Decal

BATTERY

1шт.

28

VOE 4952175

Decal

BRAKE FLUID

1шт.

28

VOE 4952175

Decal

BRAKE FLUID

1шт.

29

VOE 4952165

Decal

PRESSURE CHECK

1шт.

29

VOE 4952165

Decal

PRESSURE CHECK

1шт.

3

VOE 11025666

Nameplate

"VME": (11023048)

1шт.

30

VOE 4952320

Decal

BRAKE PRESSURE

1шт.

30

VOE 4952320

Decal

BRAKE PRESSURE

1шт.

32

VOE 11023152

Decal

LUBRICATING

1шт.

33

VOE 4952169

Decal

-FRAME LOCK

1шт.

33

VOE 4952169

Decal

-FRAME LOCK

1шт.

34

VOE 4952177

Decal

-SPRING BRAKE

1шт.

34

VOE 4952177

Decal

-SPRING BRAKE

1шт.

35

VOE 4952174

Decal

-COMPRESSED AIR

1шт.

35

VOE 4952174

Decal

-COMPRESSED AIR

1шт.

36

VOE 11013034

Decal

-PREHEATING COIL

1шт.

36

VOE 11013034

Decal

-PREHEATING COIL

1шт.

37

VOE 4843573

Decal

-WARNING

1шт.

37

VOE 4843573

Decal

-WARNING

1шт.

38

VOE 13935030

Decal

-EMERGENCY EXIT

1шт.

38

VOE 13935030

Decal

-EMERGENCY EXIT

1шт.

39

VOE 11027566

Warning decal

-LIFTING ARMS

1шт.

39

VOE 11027566

Warning decal

-LIFTING ARMS

1шт.

4

VOE 11018041

установочный винт

1шт.

4

VOE 11018041

установочный винт

1шт.

40

VOE 4952176

Decal

-AUXILIARY STARTER

1шт.

40

VOE 4952176

Decal

-AUXILIARY STARTER

1шт.

41

VOE 4952172

Decal

-STEERING PIVOT

1шт.

41

VOE 4952172

Decal

-STEERING PIVOT

1шт.

42

VOE 4952170

Decal

-FRAME LOCK

1шт.

42

VOE 4952170

Decal

-FRAME LOCK

1шт.

43

VOE 11018035

Decal

3:RD HYDR. FUNCT

1шт.

44

VOE 4955167

Decal

AIR CONDITION

1шт.

44

VOE 4955167

Decal

AIR CONDITION

1шт.

45

VOE 4955138

Decal

DEFROSTER

1шт.

45

VOE 4955138

Decal

DEFROSTER

1шт.

46

VOE 4854501

Decal

- 58

1шт.

46

VOE 4854501

Decal

- 58

1шт.

47

VOE 4951678

Decal

1шт.

47

VOE 4951678

Decal

1шт.

48

VOE 11003875

Decal

"FILTER REPLACEMENTS"

1шт.

49

VOE 11023741

Decal

Instrument panel

1шт.

5

VOE 11013038

Profile

1шт.

6

VOE 955892

Шайба

1шт.

6

VOE 955892

Шайба

1шт.

7

VOE 13963105

Lock nut

1шт.

7

VOE 13963105

Lock nut

1шт.

8

VOE 11705579

Decal

HYDRAULIC VALVE

1шт.

8

VOE 11705579

Decal

HYDRAULIC VALVE

1шт.

9

VOE 11003865

Decal

OIL FILL

1шт.

9

VOE 11003865

Decal

OIL FILL

1шт.

Выбрано товаров: 88