Запчасти Volvo L160 4795 Lifting framework L160 VOLVO BM L160

Схема запчастей Volvo L160 - 4795 Lifting framework L160 VOLVO BM L160
FIT
1:1
100%

Артикул

Название

Примечание

Количество

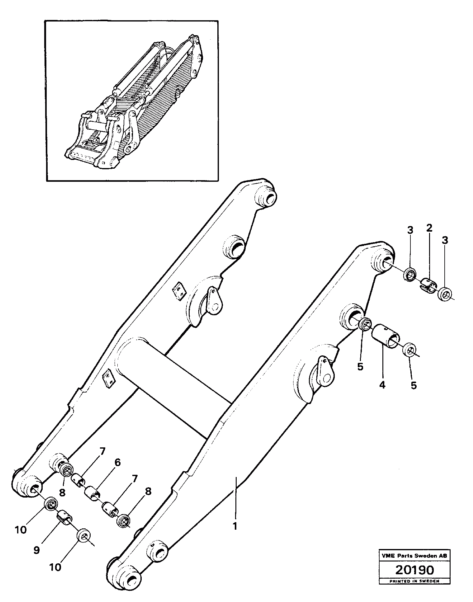
VOE 11023506

Lifting frame work

SER NO 3123 -

1шт.

VOE 4952357

Втулка

1шт.

VOE 4952355

Втулка

1шт.

VOE 4952354

Втулка

1шт.

VOE 11023005

Lifting frame work

SER NO - 2704

1шт.

VOE 11023005

Lifting frame work

SER NO 2705 - 3122

1шт.

VOE 11093773

Втулка

1шт.

VOE 11093773

Втулка

1шт.

10

VOE 11005079

11005079

1шт.

2

VOE 4930165

Втулка

1шт.

2

VOE 4930165

Втулка

1шт.

3

VOE 11005019

Scraper

1шт.

4

VOE 4931252

Втулка

1шт.

5

VOE 11005019

Scraper

1шт.

6

VOE 4930119

Spacer ring

1шт.

7

VOE 4931254

Втулка

1шт.

8

VOE 11005015

Scraper

1шт.

9

VOE 4930858

Втулка

1шт.

Выбрано товаров: 18