Запчасти Volvo L160 15620 Alternator L160 VOLVO BM L160

Схема запчастей Volvo L160 - 15620 Alternator L160 VOLVO BM L160
FIT
1:1
100%

Артикул

Название

Примечание

Количество

VOE 863955

Alternator

SER NO 3517 - 3877

1шт.

VOE 863955

Alternator

SER NO 3517 - 3877

1шт.

VOE 872021

Alternator

SER NO 3878 -

1шт.

VOE 872021

Alternator

SER NO 3878 -

1шт.

VOE 11993561

Картер (корпус)

1шт.

VOE 4803774

Alternator

SER NO - 3516

1шт.

VOE 4803774

Alternator

SER NO - 3516

1шт.

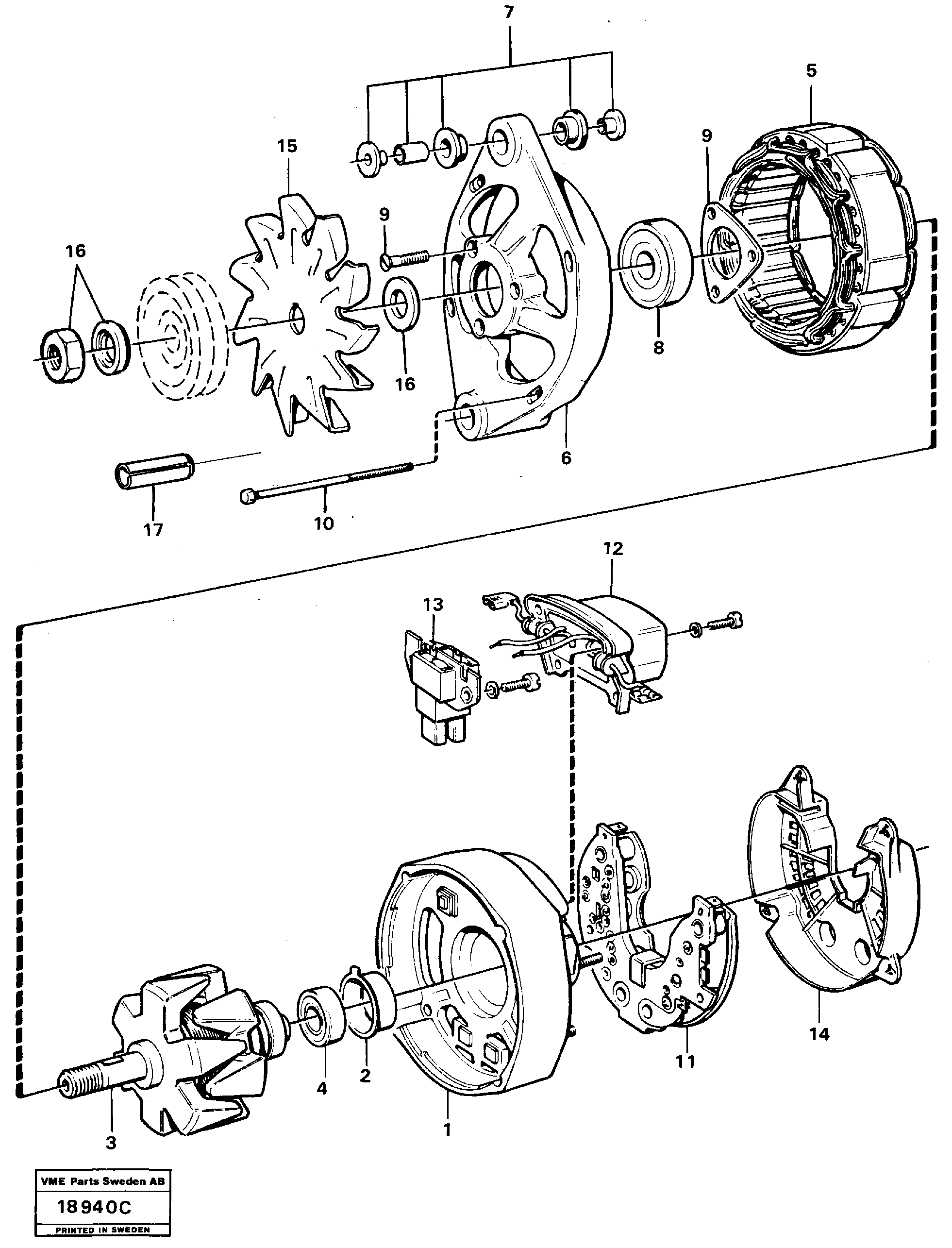
1

VOE 1696942

Картер (корпус)

1шт.

10

VOE 6212852

Комплект винтов

1шт.

10

VOE 6212852

Комплект винтов

1шт.

11

VOE 873817

Diode Bridge

1шт.

11

VOE 873817

Diode Bridge

1шт.

12

VOE 872368

Regulator Kit

1шт.

12

VOE 872368

Regulator Kit

1шт.

13

VOE 840632

Brush Retainer

1шт.

13

VOE 840632

Brush Retainer

1шт.

14

VOE 847712

Крышка

1шт.

14

VOE 847712

Крышка

1шт.

15

VOE 6212848

Вентилятор

1шт.

15

VOE 6212848

Вентилятор

1шт.

16

VOE 6212847

Nut Set

1шт.

17

VOE 1610144

Spring Pin

SER NO - 4021

1шт.

17

VOE 1610144

Spring Pin

SER NO - 4021

1шт.

2

VOE 838919

Крышка

1шт.

2

VOE 838919

Крышка

1шт.

3

VOE 864347

Rotor

1шт.

3

VOE 864347

Rotor

1шт.

4

VOE 181798

Ball Bearing

1шт.

4

VOE 181798

Ball Bearing

1шт.

5

VOE 864346

Stator

1шт.

5

VOE 864346

Stator

1шт.

6

VOE 1698690

Картер (корпус)

1шт.

7

VOE 840634

Vib Damper

1шт.

8

VOE 864350

Ball Bearing

1шт.

8

VOE 864350

Ball Bearing

1шт.

9

VOE 6212851

Small Parts Kit

1шт.

Выбрано товаров: 0