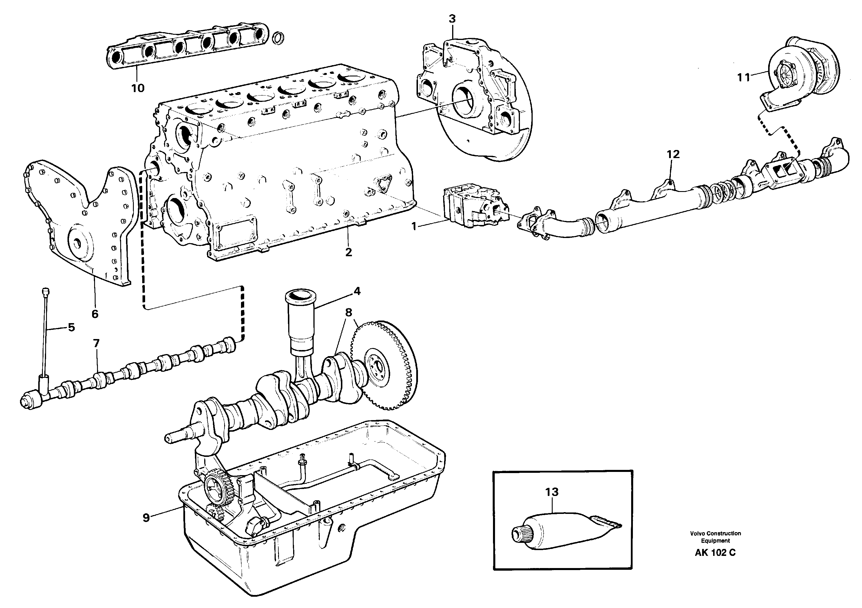
Запчасти Volvo L180 8712 Engine with fitting parts L180/L180C VOLVO BM VOLVO BM L180/L180C SER NO -2532 / -60469 USA

Схема запчастей Volvo L180 - 8712 Engine with fitting parts L180/L180C VOLVO BM VOLVO BM L180/L180C SER NO -2532 / -60469 USA
FIT
1:1
100%

Артикул

Название

Примечание

Количество

VOE 15004243

Двигатель в сборе

SER NO 1836 -

1шт.

VOE 15004249

Двигатель в сборе

SER NO - 1835

1шт.

13

VOE 1161277

Sealant

20 g

1шт.

13

VOE 1161277

Sealant

20 g

1шт.

Выбрано товаров: 4