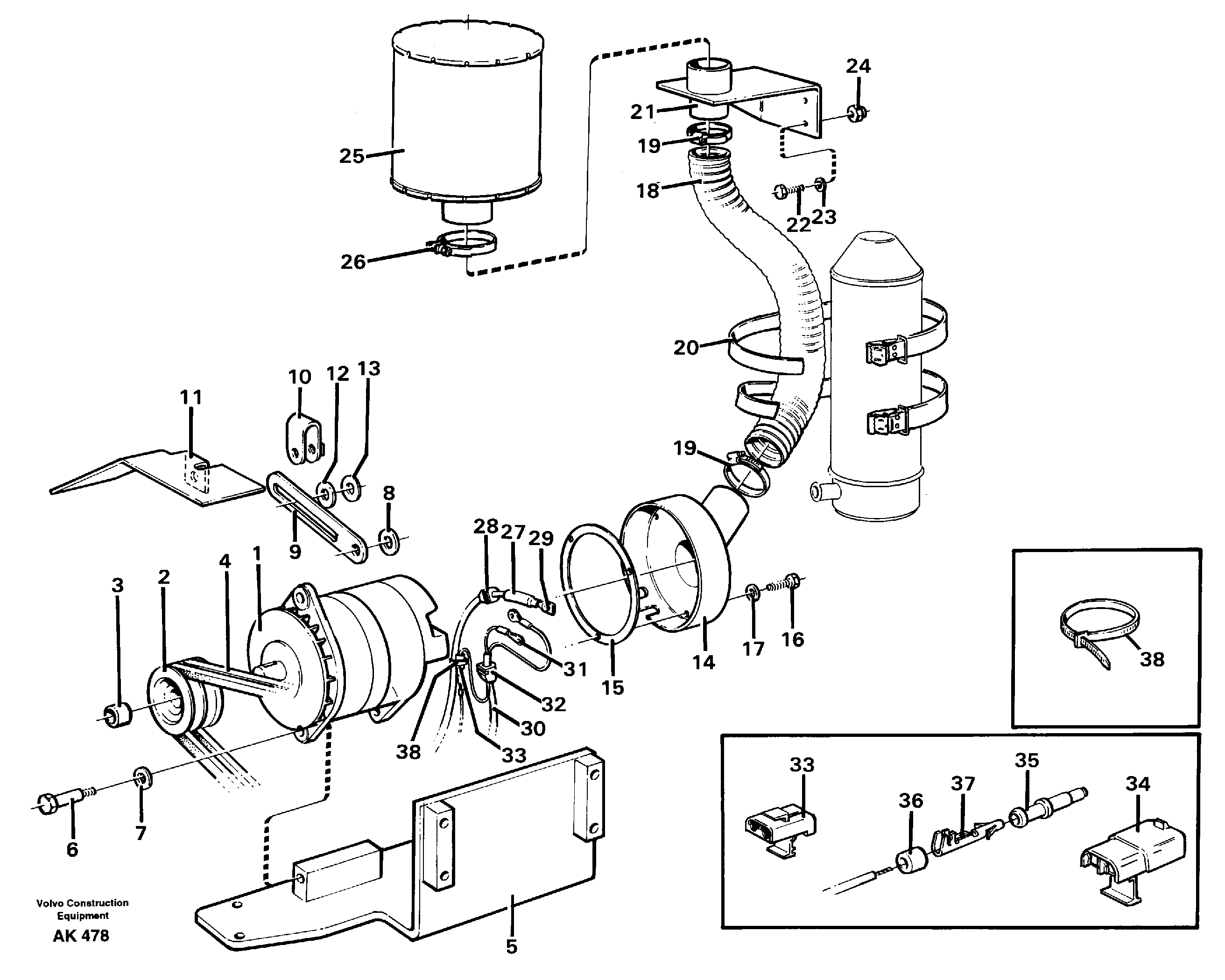
Запчасти Volvo L180 50328 Brushless alternator, 50A L180/L180C VOLVO BM VOLVO BM L180/L180C SER NO -2532 / -60469 USA

Схема запчастей Volvo L180 - 50328 Brushless alternator, 50A L180/L180C VOLVO BM VOLVO BM L180/L180C SER NO -2532 / -60469 USA
FIT
1:1
100%

Артикул

Название

Примечание

Количество

1

VOE 11039152

Alternator

1шт.

1

VOE 11039152

Alternator

1шт.

11

VOE 11027103

Guard

1шт.

11

VOE 11027103

Guard

1шт.

12

VOE 925760

Шайба

1шт.

12

VOE 925760

Шайба

1шт.

13

VOE 976944

Шайба

(960141)

1шт.

13

VOE 976944

Шайба

(960141)

1шт.

14

VOE 11026135

Крышка

1шт.

14

VOE 11026135

Крышка

1шт.

15

VOE 11026141

Прокладка

1шт.

15

VOE 11026141

Прокладка

1шт.

16

VOE 955255

Винт шестигранник

1шт.

16

VOE 955255

Винт шестигранник

1шт.

17

VOE 13940090

Шайба

(940090)

1шт.

17

VOE 13940090

Шайба

(940090)

1шт.

18

VOE 11014772

Vent Hose

L = 800

1шт.

18

VOE 11014772

Vent Hose

L = 800

1шт.

19

VOE 943481

Hose Clamp

1шт.

19

VOE 943481

Hose Clamp

1шт.

2

VOE 4898414

Шкив

1шт.

2

VOE 4898414

Шкив

1шт.

20

VOE 11104606

Retaining Strap

1шт.

20

VOE 11104606

Retaining Strap

1шт.

21

VOE 11027068

Hose Connection

1шт.

22

VOE 13955295

Болт

(955295)

1шт.

22

VOE 13955295

Болт

(955295)

1шт.

23

VOE 13955894

Шайба

(955894)

1шт.

23

VOE 13955894

Шайба

(955894)

1шт.

24

VOE 946036

Lock nut

1шт.

24

VOE 946036

Lock nut

1шт.

25

VOE 11033214

Фильтр воздушный

1шт.

25

VOE 11033214

Фильтр воздушный

1шт.

26

VOE 13927480

Hose Clamp

(927480)

1шт.

27

VOE 11026147

Wire Assembly

1шт.

28

VOE 11039154

Уплотнительная втулка

1шт.

28

VOE 11039154

Уплотнительная втулка

1шт.

29

VOE 940337

Cable terminal

1шт.

29

VOE 940337

Cable terminal

1шт.

3

VOE 11013713

Spacer Ring

1шт.

3

VOE 11013713

Spacer Ring

1шт.

30

VOE 11025914

Wire Assembly

1шт.

31

VOE 940337

Cable terminal

1шт.

31

VOE 940337

Cable terminal

1шт.

32

VOE 11039154

Уплотнительная втулка

1шт.

32

VOE 11039154

Уплотнительная втулка

1шт.

33

VOE 1307048

Картер (корпус)

1шт.

33

VOE 1307048

Изолятор

1шт.

34

VOE 1307049

Pin Housing

1шт.

34

VOE 1307049

Pin Housing

1шт.

35

VOE 1608765

Pin Housing

1шт.

35

VOE 1608765

Pin Housing

1шт.

36

VOE 1608766

Сальник

1шт.

37

VOE 965824

Cable terminal

1шт.

37

VOE 965824

Cable terminal

1шт.

38

VOE 4881438

Strip Clamp

1шт.

38

VOE 4881438

Strip Clamp

1шт.

4

VOE 966386

Ремень клиновой (приводной)

1шт.

5

VOE 11093555

Attachment

1шт.

6

VOE 11013672

Shoulder Screw

1шт.

6

VOE 11013672

Shoulder Screw

1шт.

7

VOE 955898

Шайба

1шт.

7

VOE 955898

Шайба

1шт.

8

VOE 955899

Шайба

1шт.

8

VOE 955899

Шайба

1шт.

Выбрано товаров: 0