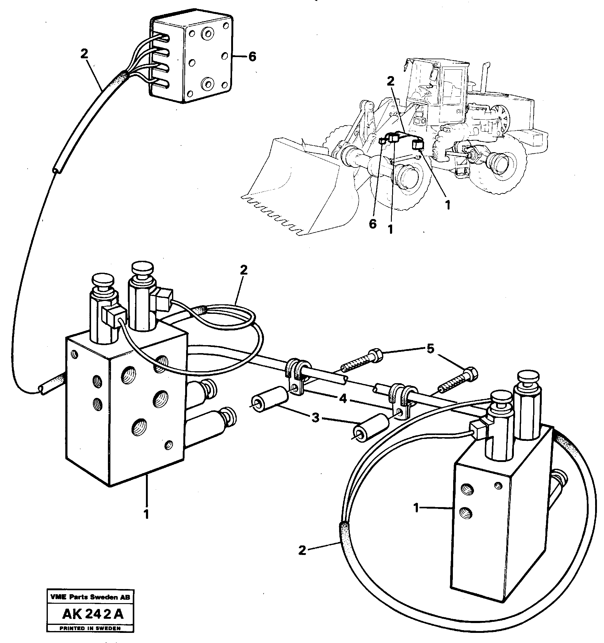
Запчасти Volvo L180 11616 Cable harness boom suspension system, front L180/L180C VOLVO BM VOLVO BM L180/L180C SER NO -2532 / -60469 USA

Схема запчастей Volvo L180 - 11616 Cable harness boom suspension system, front L180/L180C VOLVO BM VOLVO BM L180/L180C SER NO -2532 / -60469 USA
FIT
1:1
100%

Артикул

Название

Примечание

Количество

2

VOE 11025606

Wire Assembly

1шт.

3

VOE 930436

Spacer Ring

1шт.

3

VOE 930436

Spacer Ring

1шт.

4

VOE 13949746

Зажим

(949746)

1шт.

4

VOE 13949746

Зажим

(949746)

1шт.

5

VOE 955300

Винт шестигранник

1шт.

5

VOE 955300

Винт шестигранник

1шт.

Выбрано товаров: 7