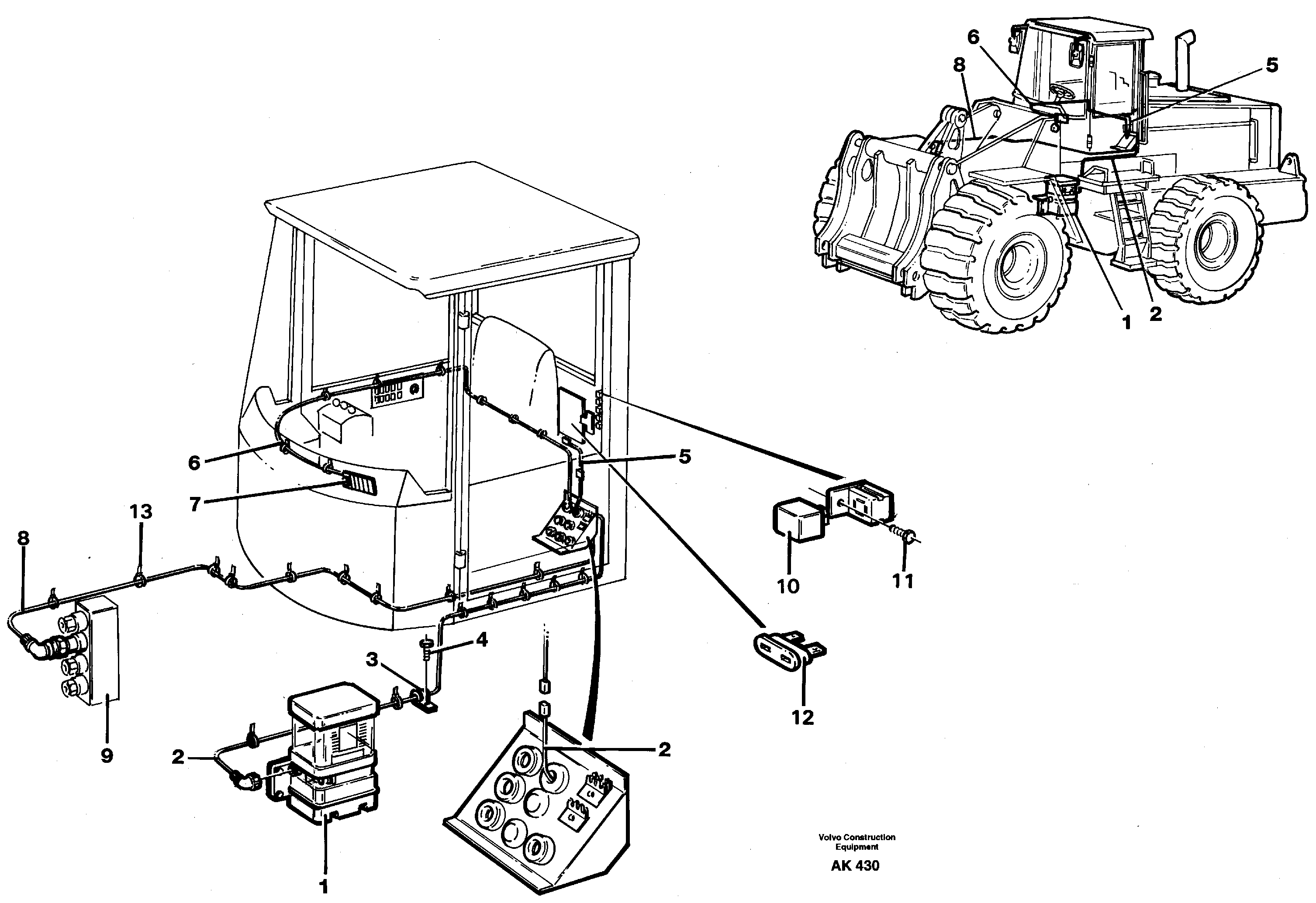
Запчасти Volvo L180 50564 Cable harness, central lubrication L180/L180C VOLVO BM VOLVO BM L180/L180C SER NO -2532 / -60469 USA

Схема запчастей Volvo L180 - 50564 Cable harness, central lubrication L180/L180C VOLVO BM VOLVO BM L180/L180C SER NO -2532 / -60469 USA
FIT
1:1
100%

Артикул

Название

Примечание

Количество

1

VOE 11702291

Насос

1шт.

1

VOE 11702291

Насос

1шт.

10

VOE 4786690

Реле

RE29

1шт.

10

VOE 4786690

Реле

RE29

1шт.

11

VOE 13948745

Болт

(948745)

1шт.

11

VOE 13948745

Болт

(948745)

1шт.

12

VOE 969161

Fuse

1шт.

12

VOE 969161

Fuse

1шт.

13

VOE 4881440

Cable tie

1шт.

13

VOE 4881440

Cable tie

1шт.

2

VOE 11701816

Cable harness

1шт.

3

VOE 13977599

Зажим

1шт.

3

VOE 13977599

Зажим

1шт.

4

VOE 13948745

Болт

(948745)

1шт.

4

VOE 13948745

Болт

(948745)

1шт.

5

VOE 11701820

11701820

1шт.

6

VOE 11701821

Cable harness

1шт.

7

VOE 11705936

Переключатель

1шт.

8

VOE 11701818

11701818

1шт.

Выбрано товаров: 19