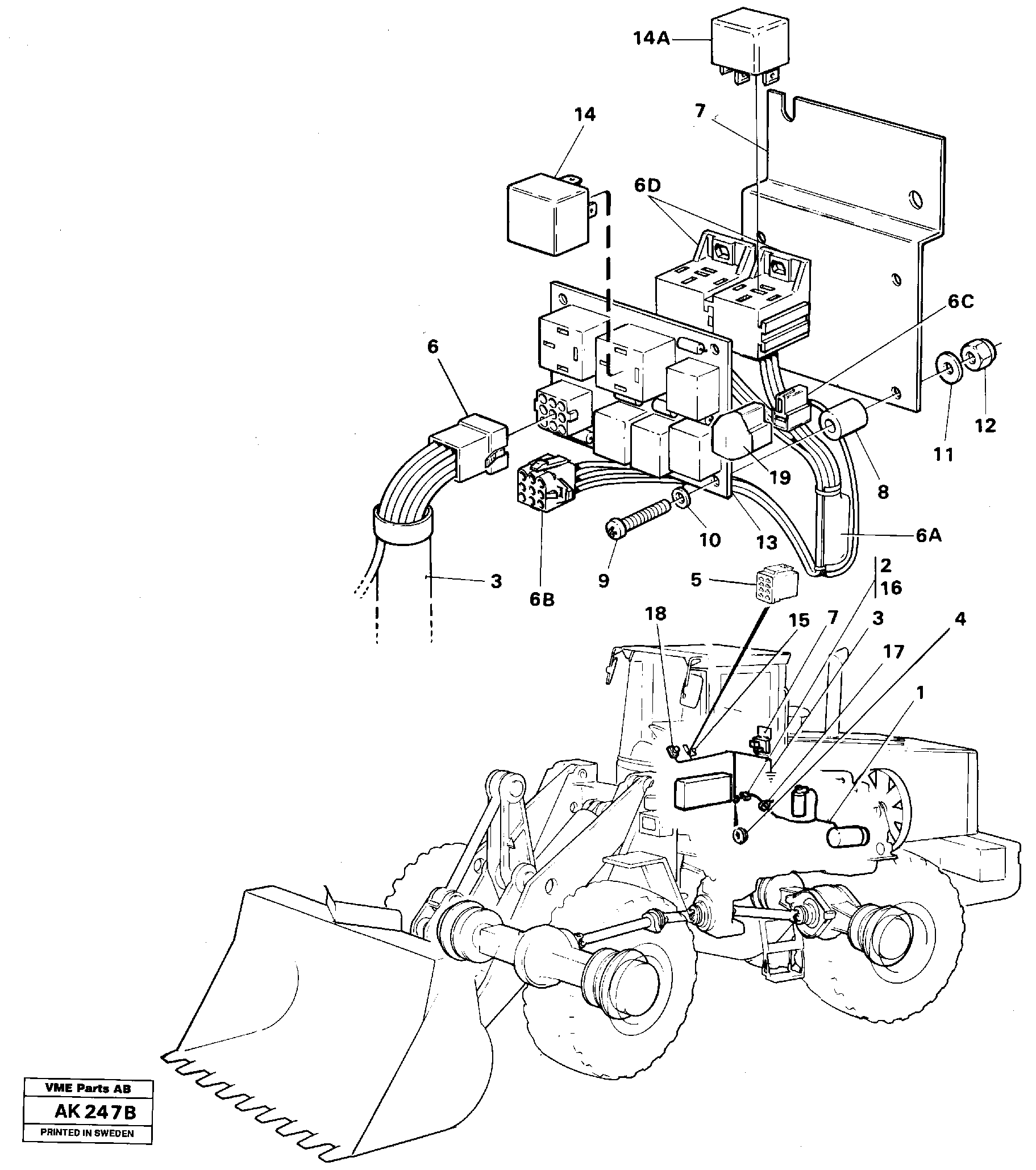
Запчасти Volvo L180 50619 Cable harness, air conditioning L180/L180C VOLVO BM VOLVO BM L180/L180C SER NO -2532 / -60469 USA

Схема запчастей Volvo L180 - 50619 Cable harness, air conditioning L180/L180C VOLVO BM VOLVO BM L180/L180C SER NO -2532 / -60469 USA
FIT
1:1
100%

Артикул

Название

Примечание

Количество

VOE 4940327

Диод

1шт.

VOE 4940327

Диод

1шт.

VOE 955891

Шайба

1шт.

VOE 955891

Шайба

1шт.

VOE 13963103

Lock nut

1шт.

VOE 13963103

Lock nut

1шт.

VOE 11041872

Cable harness

1шт.

VOE 11007329

11007329

SER NO - 1835

1шт.

VOE 13980220

Болт

SER NO 1299 - , (956061)

1шт.

VOE 13980220

Винт шестигранник (торцевой ключ)

SER NO 1299 - , (956061)

1шт.

VOE 13980220

Болт

1шт.

VOE 13980220

Винт шестигранник (торцевой ключ)

1шт.

VOE 955891

Шайба

SER NO 1097 -

1шт.

VOE 955891

Шайба

SER NO 1097 -

1шт.

VOE 13980220

Болт

SER NO 1097 - , (956061)

1шт.

VOE 13980220

Винт шестигранник (торцевой ключ)

SER NO 1097 - , (956061)

1шт.

VOE 4786690

Реле

RE44

1шт.

VOE 4786690

Реле

RE44

1шт.

VOE 13963103

Lock nut

SER NO 1097 - , (963103)

1шт.

VOE 13963103

Lock nut

SER NO 1097 - , (963103)

1шт.

VOE 4940327

Диод

SER NO 1299 -

1шт.

VOE 4940327

Диод

SER NO 1299 -

1шт.

1

VOE 11025610

Cable

1шт.

10

VOE 13962653

Шайба

SER NO - 1096, (962653)

1шт.

10

VOE 13962653

Шайба

SER NO - 1096, (962653)

1шт.

11

VOE 955891

Шайба

SER NO - 1096

1шт.

11

VOE 955891

Шайба

SER NO - 1096

1шт.

12

VOE 13963103

Lock nut

SER NO - 1096, (963103)

1шт.

12

VOE 13963103

Lock nut

SER NO - 1096, (963103)

1шт.

13

VOE 11041708

Ptd Circuit Bd

SER NO - 1096

1шт.

14

VOE 4786690

Реле

RE48

1шт.

14

VOE 4786690

Реле

RE48

1шт.

14A

VOE 4786690

Реле

RE44

1шт.

14A

VOE 4786690

Реле

RE44

1шт.

15

VOE 13958210

Receptacle housing

SER NO - 1096, (958210)

1шт.

15

VOE 13958210

Receptacle housing

SER NO - 1096, (958210)

1шт.

16

VOE 1259828

Socket housing

1шт.

17

VOE 4881440

Cable tie

1шт.

17

VOE 4881440

Cable tie

1шт.

19

VOE 4940327

Диод

SER NO 1172 -

1шт.

19

VOE 4940327

Диод

SER NO 1172 -

1шт.

2

VOE 1259829

Pin housing

1шт.

2

VOE 1259829

Pin housing

1шт.

3

VOE 11041718

11041718

1шт.

4

VOE 941267

Пробка (заглушка)

1шт.

4

VOE 941267

Пробка (заглушка)

1шт.

5

VOE 4803454

Receptacle housing

1шт.

5

VOE 4803454

Receptacle housing

1шт.

6

VOE 948295

Insulator

1шт.

6

VOE 948295

Изолятор

1шт.

6A

VOE 11041872

Cable harness

SER NO 1097 -

1шт.

6B

VOE 948294

Изолятор

1шт.

6B

VOE 948294

Изолятор

1шт.

6C

VOE 13958210

Receptacle housing

1шт.

6C

VOE 13958210

Receptacle housing

1шт.

6D

VOE 977184

Изолятор

1шт.

6D

VOE 977184

Картер (корпус)

1шт.

7

VOE 11007329

11007329

(11007118)

1шт.

8

VOE 11006880

Spacer sleeve

SER NO - 1171

1шт.

8

VOE 11006880

Spacer sleeve

SER NO - 1171

1шт.

9

VOE 956067

Cross recessed screw

SER NO - 1096

1шт.

9

VOE 956067

Cross recessed screw

SER NO - 1096

1шт.

Выбрано товаров: 62