Запчасти Volvo L180 49396 Гидроцилиндр L180/L180C VOLVO BM VOLVO BM L180/L180C SER NO -2532 / -60469 USA

Схема запчастей Volvo L180 - 49396 Гидроцилиндр L180/L180C VOLVO BM VOLVO BM L180/L180C SER NO -2532 / -60469 USA
FIT
1:1
100%

Артикул

Название

Примечание

Количество

VOE 11005404

Гидроцилиндр

SER NO - 1396

1шт.

VOE 11088506

Pstn Rod Guide

1шт.

VOE 11088506

Стакан штока поршня (направляющая)

1шт.

VOE 11990398

Sealing Kit

1шт.

VOE 11088297

Гидроцилиндр

SER NO 1397 -

1шт.

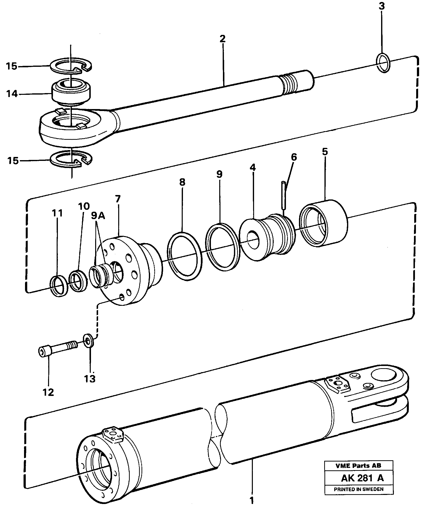
1

VOE 11005405

Cylinder tube

1шт.

10

VOE 4784045

Уплотнение штока поршня

1шт.

10

VOE 4784045

Уплотнение штока поршня

1шт.

11

VOE 11005053

Scraper

1шт.

12

VOE 4782857

Болт

1шт.

12

VOE 4782857

Болт

1шт.

13

VOE 941908

Шайба пружинная

1шт.

13

VOE 941908

Шайба пружинная

1шт.

14

VOE 184062

Pivot bearing

1шт.

14

VOE 184062

Pivot bearing

1шт.

15

VOE 914538

Snap Ring

1шт.

15

VOE 914538

Кольцо стопорное

1шт.

2

VOE 11088719

Шток поршня

1шт.

3

VOE 13960175

Кольцо уплотнительное (О-кольцо)

(960175)

1шт.

3

VOE 13960175

Кольцо уплотнительное (О-кольцо)

(960175)

1шт.

4

VOE 4782099

Поршень

1шт.

4

VOE 4782099

Поршень

1шт.

5

VOE 4833025

Сальник

1шт.

6

VOE 4782719

Палец

1шт.

7

VOE 4782992

Стакан штока поршня (направляющая)

1шт.

7

VOE 4782992

Pstn Rod Guide

1шт.

8

VOE 925079

Кольцо уплотнительное (О-кольцо)

1шт.

8

VOE 925079

Кольцо уплотнительное (О-кольцо)

1шт.

9

VOE 4786834

Back-up ring

1шт.

9A

VOE 11088052

Втулка

1шт.

9A

VOE 11088052

Втулка

1шт.

Выбрано товаров: 0