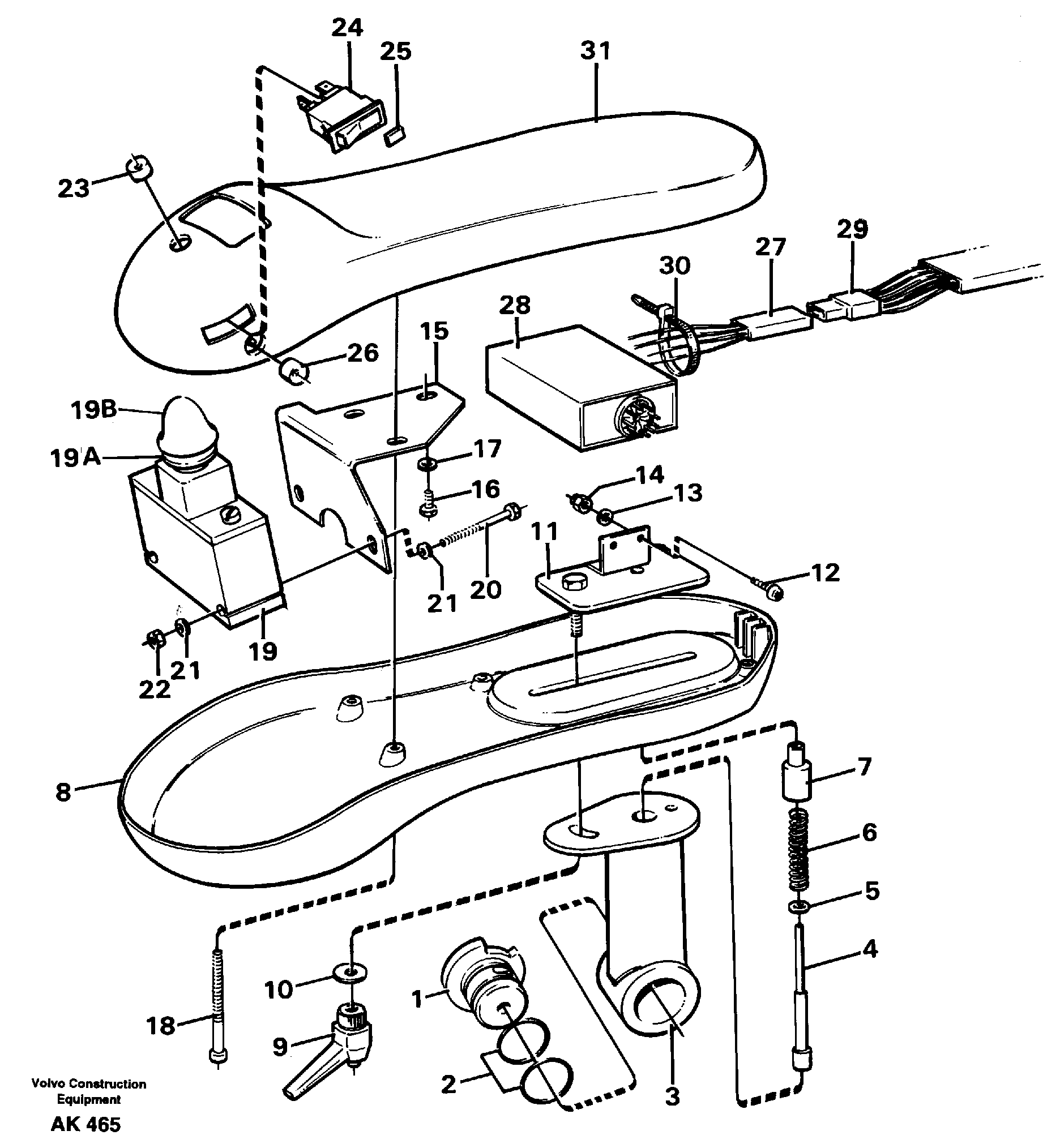
Запчасти Volvo L180 47117 Arm rest L180/L180C VOLVO BM VOLVO BM L180/L180C SER NO -2532 / -60469 USA

Схема запчастей Volvo L180 - 47117 Arm rest L180/L180C VOLVO BM VOLVO BM L180/L180C SER NO -2532 / -60469 USA
FIT
1:1
100%

Артикул

Название

Примечание

Количество

VOE 11041215

11041215

1шт.

VOE 972400

Винт шестигранник (торцевой ключ)

1шт.

VOE 967599

Toothed washer

1шт.

VOE 967599

Toothed washer

1шт.

VOE 11039560

Electronic unit

1шт.

VOE 11007953

Arm rest

SER NO - 2283

1шт.

VOE 11104185

Arm rest

SER NO 2284 -

1шт.

VOE 11104185

Arm rest

SER NO 2284 -

1шт.

VOE 959213

Allen Hd Screw

L = 60

1шт.

VOE 11007955

Control lever

1шт.

VOE 11007955

Control lever

1шт.

VOE 955253

Винт шестигранник

1шт.

1

VOE 11007862

Вал

1шт.

1

VOE 11007862

Вал

1шт.

10

VOE 13955894

Шайба

(955894)

1шт.

10

VOE 13955894

Шайба

(955894)

1шт.

11

VOE 11007860

Bridge

1шт.

12

VOE 13980220

Болт

1шт.

12

VOE 13980220

Винт шестигранник (торцевой ключ)

1шт.

13

VOE 955891

Шайба

1шт.

13

VOE 955891

Шайба

1шт.

14

VOE 13963103

Lock nut

(963103)

1шт.

14

VOE 13963103

Lock nut

(963103)

1шт.

15

VOE 11104135

11104135

1шт.

16

VOE 955244

Винт шестигранник

1шт.

16

VOE 955244

Винт шестигранник

1шт.

17

VOE 13960138

Шайба

(960138)

1шт.

17

VOE 13960138

Шайба

(960138)

1шт.

18

VOE 13959212

Allen Hd Screw

L = 55

1шт.

19

VOE 11007965

Control lever

1шт.

19A

VOE 11997604

Rubber bellows

1шт.

19A

VOE 11997604

Rubber bellows

1шт.

19B

VOE 11007966

Knob

1шт.

2

VOE 13960171

Кольцо уплотнительное (О-кольцо)

(960171)

1шт.

2

VOE 13960171

Кольцо уплотнительное (О-кольцо)

(960171)

1шт.

20

VOE 955255

Винт шестигранник

1шт.

20

VOE 955255

Винт шестигранник

1шт.

21

VOE 13960138

Шайба

(960138)

1шт.

21

VOE 13960138

Шайба

(960138)

1шт.

22

VOE 13963104

Lock nut

(963104)

1шт.

22

VOE 13963104

Lock nut

(963104)

1шт.

23

VOE 11003679

Button

SW 30

1шт.

24

VOE 11039439

11039439

SW 43

1шт.

25

VOE 4803548

Lens

1шт.

26

VOE 11003679

Button

SW 109

1шт.

27

VOE 11041185

11041185

1шт.

28

VOE 11026503

Electronic unit

1шт.

28

VOE 11026503

Electronic unit

1шт.

29

VOE 11041158

11041158

1шт.

3

VOE 11007932

11007932

1шт.

30

VOE 4821292

Cable tie

1шт.

30

VOE 4821292

Cable tie

1шт.

31

VOE 11006076

Крышка

1шт.

4

VOE 11007871

11007871

1шт.

5

VOE 955892

Шайба

1шт.

5

VOE 955892

Шайба

1шт.

6

VOE 659603

Пружина

1шт.

6

VOE 659603

Пружина

1шт.

7

VOE 11004157

Втулка (распорная)

1шт.

8

VOE 11007866

Casing

1шт.

9

VOE 11104695

Lock lever

1шт.

9

VOE 11104695

Lock lever

1шт.

Выбрано товаров: 62