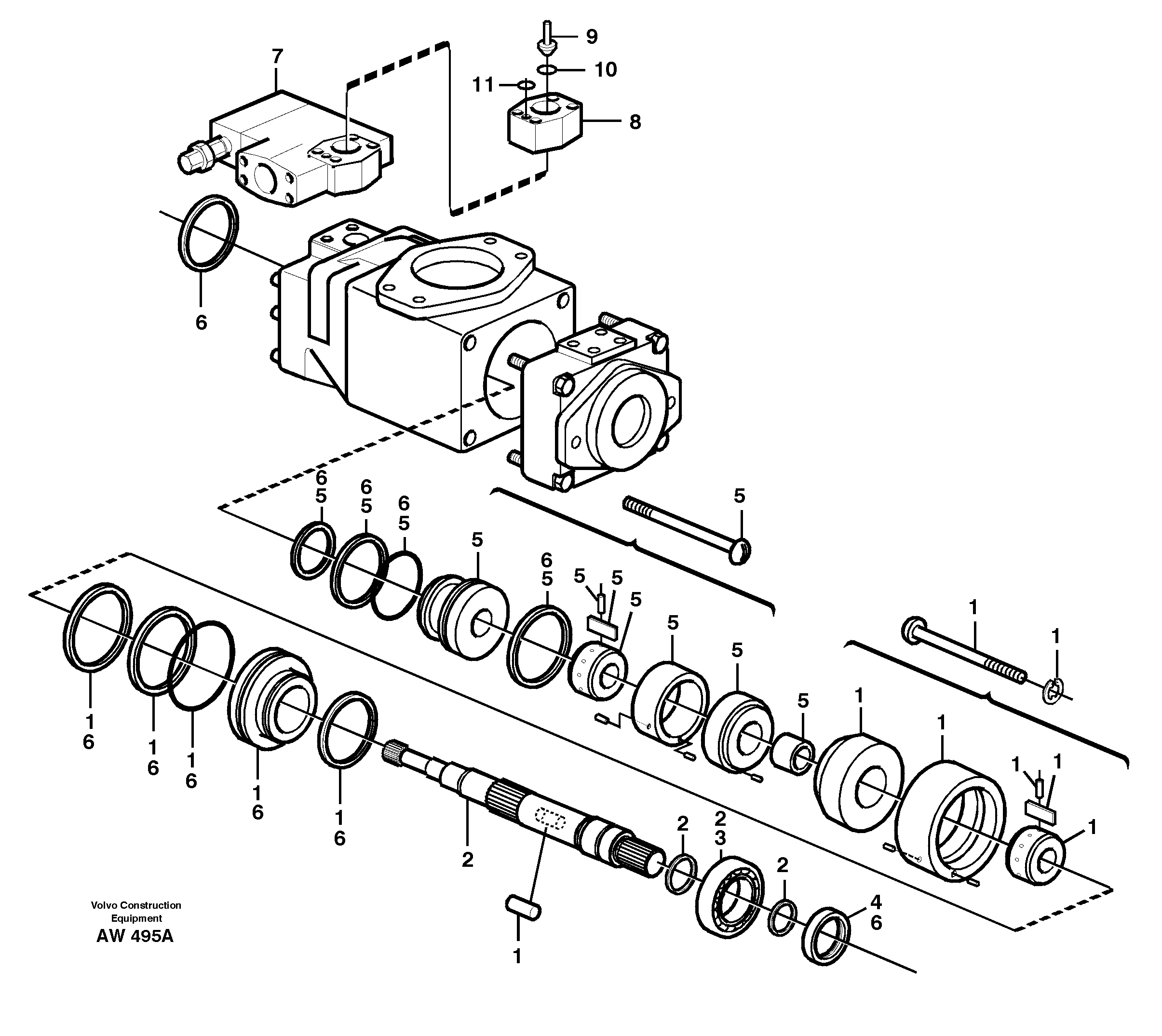
Запчасти Volvo L180C 53903 Гидронасос (основной насос) L180C S/N 2533-SWE, 60465-USA

Схема запчастей Volvo L180C - 53903 Гидронасос (основной насос) L180C S/N 2533-SWE, 60465-USA
FIT
1:1
100%

Артикул

Название

Примечание

Количество

VOE 11105051

Гидронасос (основной насос)

STD, USA

1шт.

VOE 11105197

Гидронасос (основной насос)

33808

1шт.

VOE 11105197

Гидронасос (основной насос)

33808

1шт.

VOE 11999227

Pump element

1шт.

VOE 11999227

Pump element

1шт.

1

VOE 11996238

Pump element

1шт.

1

VOE 11996238

Pump element

1шт.

10

VOE 13948700

Кольцо уплотнительное (О-кольцо)

OD = 32.93 MM

1шт.

10

VOE 13948700

Кольцо уплотнительное (О-кольцо)

OD = 32.93 MM

1шт.

11

VOE 6213622

Кольцо уплотнительное (О-кольцо)

1шт.

2

VOE 11704575

Shaft set

1шт.

2

VOE 11704575

Shaft set

1шт.

3

VOE 11994468

Ball bearing

1шт.

3

VOE 11994468

Ball bearing

1шт.

4

VOE 11994445

Кольцо уплотнительное

1шт.

4

VOE 11994445

Кольцо уплотнительное

1шт.

5

VOE 11704489

Pump element

1шт.

5

VOE 11704489

Pump element

1шт.

6

VOE 11704576

Sealing kit

1шт.

6

VOE 11704576

Sealing kit

1шт.

7

VOE 11996236

Клапан предохранительный (разгрузочный, сброса давления)

1шт.

8

VOE 4881361

Non-return valve

1шт.

9

VOE 6213620

Пружина

1шт.

Выбрано товаров: 23