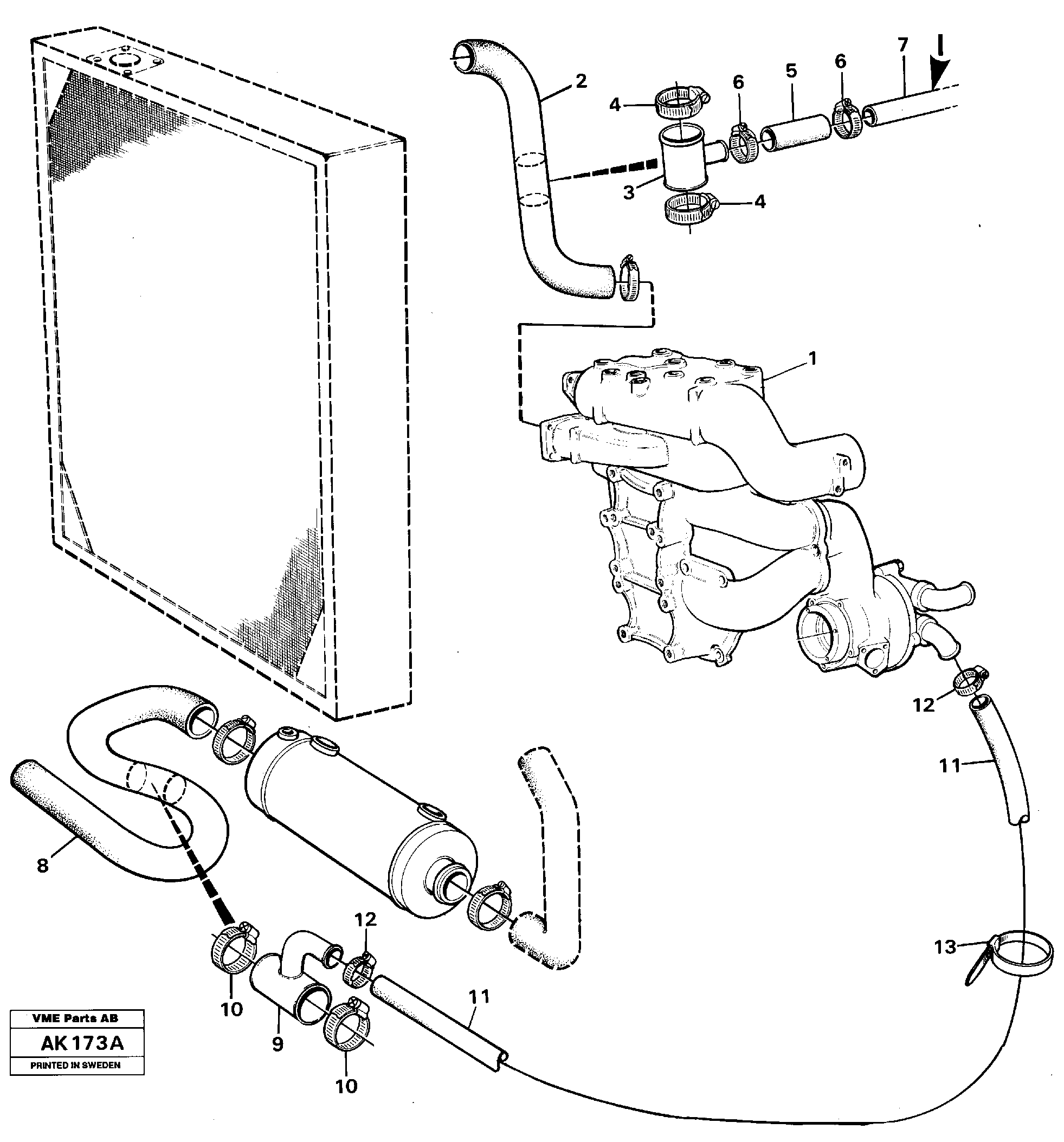
Запчасти Volvo L180C 26573 Water pump with connection parts L180/L180C VOLVO BM VOLVO BM L180/L180C SER NO -2532 / -60469 USA

Схема запчастей Volvo L180C - 26573 Water pump with connection parts L180/L180C VOLVO BM VOLVO BM L180/L180C SER NO -2532 / -60469 USA
FIT
1:1
100%

Артикул

Название

Примечание

Количество

10

VOE 943480

Hose Clamp

1шт.

10

VOE 943480

Hose Clamp

1шт.

11

VOE 944386

Шланг

L = 700

1шт.

11

VOE 944386

Шланг

L = 700

1шт.

12

VOE 943475

Hose Clamp

1шт.

12

VOE 943475

Hose Clamp

1шт.

13

VOE 11104606

Retaining Strap

1шт.

13

VOE 11104606

Retaining Strap

1шт.

3

VOE 11033475

Трубка

1шт.

3

VOE 11033475

Трубка

1шт.

4

VOE 943480

Hose Clamp

1шт.

4

VOE 943480

Hose Clamp

1шт.

5

VOE 944386

Шланг

L = 100

1шт.

5

VOE 944386

Шланг

L = 100

1шт.

6

VOE 943475

Hose Clamp

1шт.

6

VOE 943475

Hose Clamp

1шт.

9

VOE 11033477

Трубка

1шт.

9

VOE 11033477

Трубка

1шт.

Выбрано товаров: 18