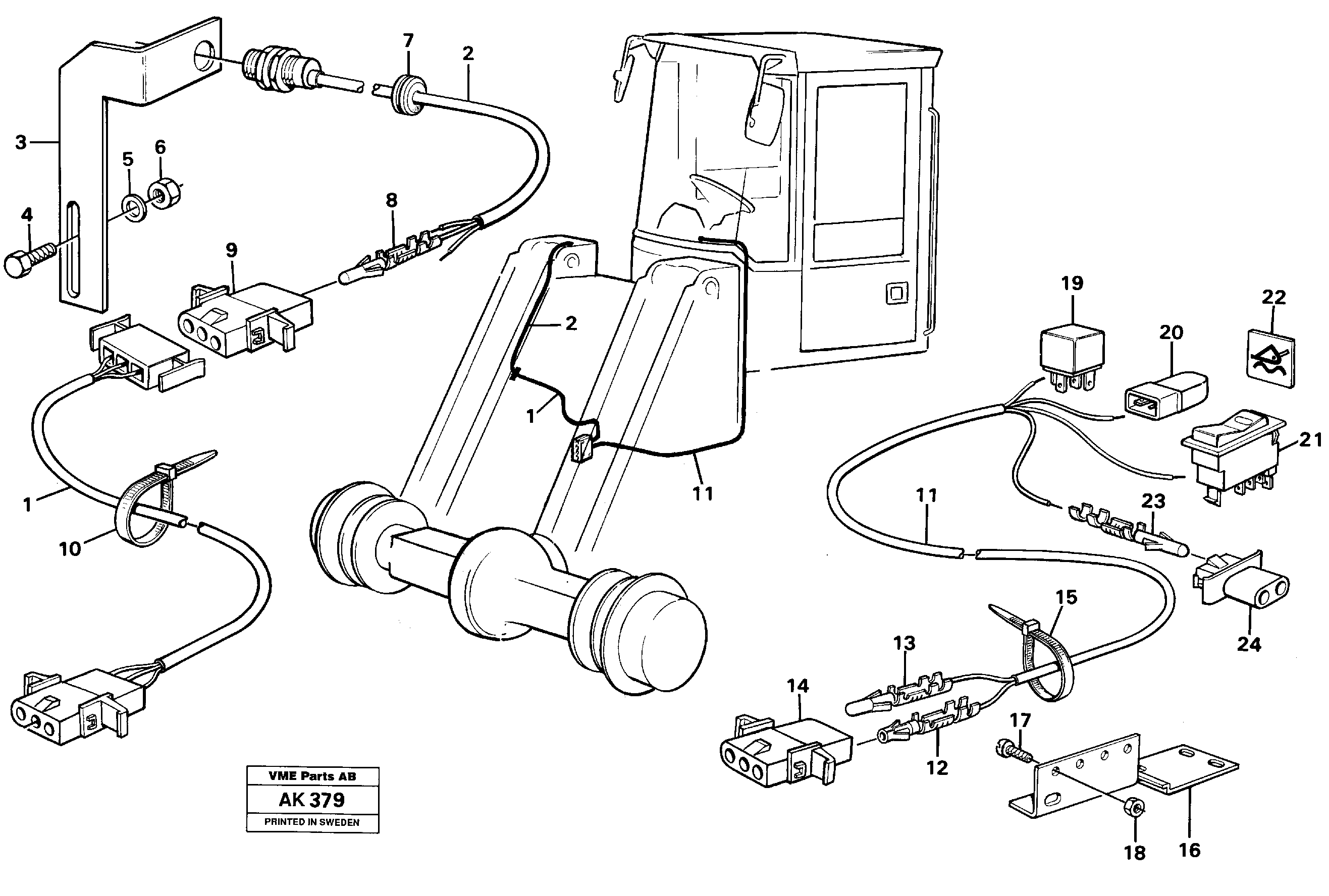
Запчасти Volvo L180C 4270 Cable harness, automatic float position L180/L180C VOLVO BM VOLVO BM L180/L180C SER NO -2532 / -60469 USA

Схема запчастей Volvo L180C - 4270 Cable harness, automatic float position L180/L180C VOLVO BM VOLVO BM L180/L180C SER NO -2532 / -60469 USA
FIT
1:1
100%

Артикул

Название

Примечание

Количество

VOE 11041898

Induction sensor

SER NO 60155 - USA

1шт.

VOE 11041898

Induction sensor

SER NO 60155 - USA

1шт.

1

VOE 11041953

Wire harness

1шт.

10

VOE 4881438

Cable tie

1шт.

10

VOE 4881438

Cable tie

1шт.

11

VOE 11041952

Wire harness

1шт.

12

VOE 13968018

Cable terminal

(968018)

1шт.

13

VOE 965824

Cable terminal

(968015)

1шт.

13

VOE 965824

Cable terminal

(968015)

1шт.

14

VOE 13948995

Pin housing

(948995)

1шт.

14

VOE 13948995

Pin housing

(948995)

1шт.

15

VOE 4881438

Cable tie

1шт.

15

VOE 4881438

Cable tie

1шт.

16

VOE 11005975

Anchorage

1шт.

17

VOE 956076

Cross recessed screw

1шт.

17

VOE 956076

Cross recessed screw

1шт.

18

VOE 955780

Hexagon nut

1шт.

18

VOE 955780

Hexagon nut

1шт.

19

VOE 4786690

Реле

RE36

1шт.

19

VOE 4786690

Реле

RE36

1шт.

2

VOE 11039223

Induction sensor

SER NO - 60154 USA

1шт.

2

VOE 11039223

Induction sensor

SER NO - 60154 USA

1шт.

20

VOE 4940327

Диод

1шт.

20

VOE 4940327

Диод

1шт.

21

VOE 4803521

4803521

1шт.

22

VOE 11039481

Lens

(11039139)

1шт.

23

VOE 965824

Cable terminal

1шт.

23

VOE 965824

Cable terminal

1шт.

24

VOE 13948995

Pin housing

(948995)

1шт.

24

VOE 13948995

Pin housing

(948995)

1шт.

3

VOE 11026392

Attachment

1шт.

4

VOE 955297

Винт шестигранник

1шт.

4

VOE 955297

Винт шестигранник

1шт.

5

VOE 976944

Шайба

(960141)

1шт.

5

VOE 976944

Шайба

(960141)

1шт.

6

VOE 955782

Hexagon nut

1шт.

6

VOE 955782

Hexagon nut

1шт.

7

VOE 941262

Уплотнительная втулка

1шт.

7

VOE 941262

Уплотнительная втулка

1шт.

8

VOE 965824

Cable terminal

(968015)

1шт.

8

VOE 965824

Cable terminal

(968015)

1шт.

9

VOE 13948297

Tab housing

(948297)

1шт.

9

VOE 13948297

Tab housing

(948297)

1шт.

Выбрано товаров: 43