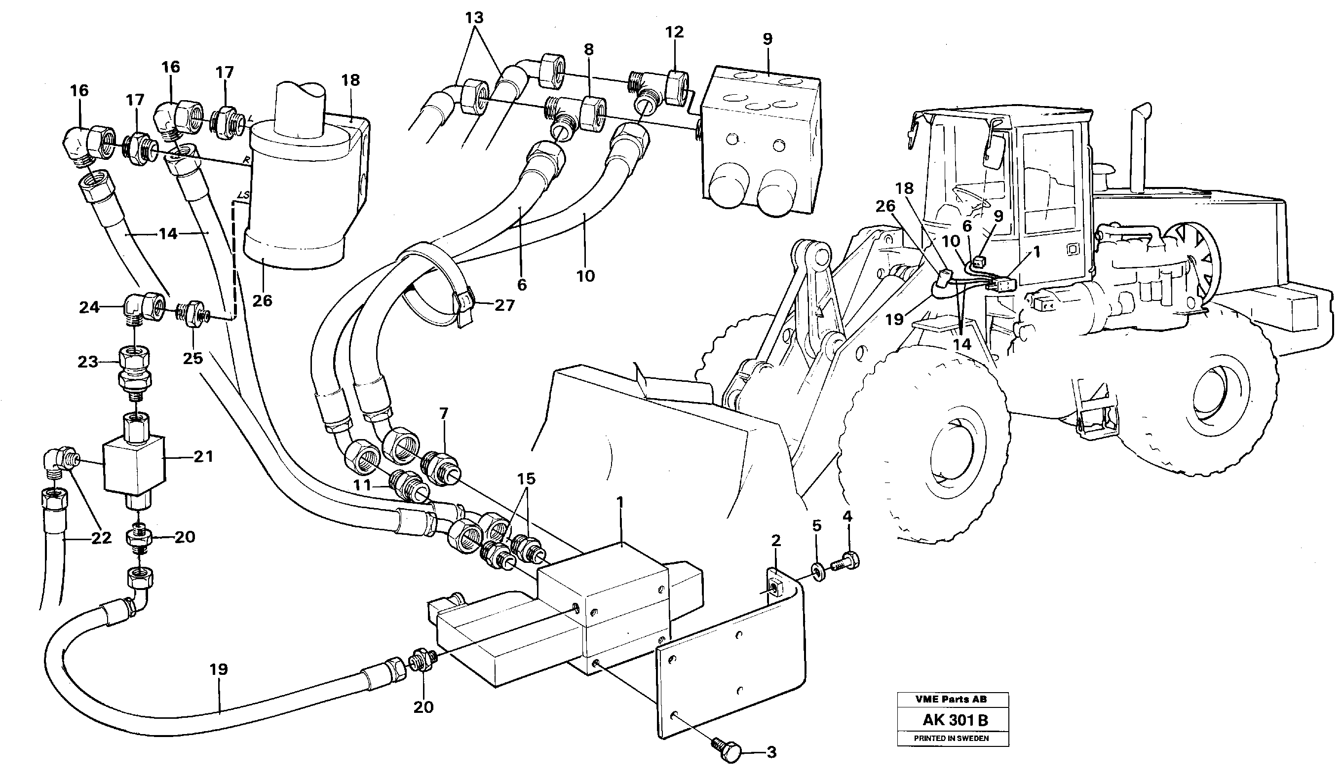
Запчасти Volvo L180C 4285 CDC-steering L180/L180C VOLVO BM VOLVO BM L180/L180C SER NO -2532 / -60469 USA

Схема запчастей Volvo L180C - 4285 CDC-steering L180/L180C VOLVO BM VOLVO BM L180/L180C SER NO -2532 / -60469 USA
FIT
1:1
100%

Артикул

Название

Примечание

Количество

VOE 931212

Кольцо уплотнительное (О-кольцо)

1шт.

VOE 931212

Кольцо уплотнительное (О-кольцо)

1шт.

VOE 931219

Back-up ring

1шт.

VOE 931219

Back-up ring

1шт.

VOE 931211

Кольцо уплотнительное (О-кольцо)

1шт.

VOE 931211

Кольцо уплотнительное (О-кольцо)

1шт.

VOE 931209

Кольцо уплотнительное (О-кольцо)

1шт.

VOE 931209

Кольцо уплотнительное (О-кольцо)

1шт.

VOE 931216

Back-up ring

1шт.

VOE 931216

Back-up ring

1шт.

VOE 931216

Back-up ring

1шт.

VOE 931216

Back-up ring

1шт.

VOE 931209

Кольцо уплотнительное (О-кольцо)

1шт.

VOE 931209

Кольцо уплотнительное (О-кольцо)

1шт.

VOE 11039561

Клапан

SER NO 2284 -

1шт.

VOE 931212

Кольцо уплотнительное (О-кольцо)

1шт.

VOE 931212

Кольцо уплотнительное (О-кольцо)

1шт.

VOE 931211

Кольцо уплотнительное (О-кольцо)

1шт.

VOE 931211

Кольцо уплотнительное (О-кольцо)

1шт.

VOE 931209

Кольцо уплотнительное (О-кольцо)

1шт.

VOE 931209

Кольцо уплотнительное (О-кольцо)

1шт.

1

VOE 11004079

Клапан

1шт.

1

VOE 11004079

Клапан

1шт.

10

VOE 13933153

Hose assembly

L = 1500

1шт.

11

VOE 4880429

Nipple

1шт.

11

VOE 4880429

Nipple

1шт.

12

VOE 4821862

Tee

1шт.

14

VOE 13933153

Hose assembly

L = 1500

1шт.

15

VOE 4880281

Nipple

1шт.

15

VOE 4880281

Nipple

1шт.

16

VOE 4897257

Elbow nipple

1шт.

16

VOE 4897257

Elbow nipple

1шт.

17

VOE 4880281

Nipple

1шт.

17

VOE 4880281

Nipple

1шт.

19

VOE 13933152

Hose assembly

L = 1350

1шт.

2

VOE 11025587

11025587

1шт.

20

VOE 4821831

Nipple

1шт.

20

VOE 4821831

Nipple

1шт.

21

VOE 4880701

Челночный клапан

1шт.

21

VOE 4880701

Челночный клапан

1шт.

23

VOE 4974017

Clutch

1шт.

24

VOE 4935151

Clutch

STD

1шт.

25

VOE 931224

Nipple

1шт.

25

VOE 931224

Nipple

1шт.

27

VOE 11104606

Retaining strap

SER NO - 2103

1шт.

27

VOE 11104606

Retaining strap

SER NO - 2103

1шт.

3

VOE 13955295

Болт

(955295)

1шт.

3

VOE 13955295

Болт

(955295)

1шт.

4

VOE 13970948

Винт шестигранник

(970948)

1шт.

4

VOE 13970948

Винт шестигранник

(970948)

1шт.

5

VOE 13960143

Шайба

(960143)

1шт.

5

VOE 13960143

Шайба

(960143)

1шт.

6

VOE 13933159

Hose assembly

L = 1300

1шт.

7

VOE 931228

Nipple

1шт.

7

VOE 931228

Nipple

1шт.

8

VOE 4821860

Clutch

1шт.

Выбрано товаров: 56