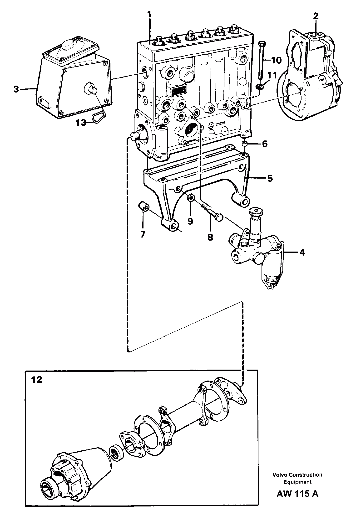
Запчасти Volvo L180C 15615 Injection pump with drive L180C S/N 2533-SWE, 60465-USA

Схема запчастей Volvo L180C - 15615 Injection pump with drive L180C S/N 2533-SWE, 60465-USA
FIT
1:1
100%

Артикул

Название

Примечание

Количество

VOE 11031995

Насос

1шт.

10

VOE 940156

Болт

1шт.

10

VOE 940156

Винт шестигранник

1шт.

11

VOE 190509

Шайба

1шт.

11

VOE 190509

Шайба

1шт.

13

VOE 422525

Towing eye

1шт.

13

VOE 422525

Towing eye

1шт.

5

VOE 478647

478647

1шт.

6

VOE 417588

Guide sleeve

1шт.

6

VOE 417588

Guide sleeve

1шт.

7

VOE 423161

Guide sleeve

1шт.

7

VOE 423161

Guide sleeve

1шт.

8

VOE 955566

Винт шестигранник

1шт.

8

VOE 955566

Винт шестигранник

1шт.

9

VOE 940280

Шайба пружинная

1шт.

9

VOE 940280

Шайба пружинная

1шт.

Выбрано товаров: 16