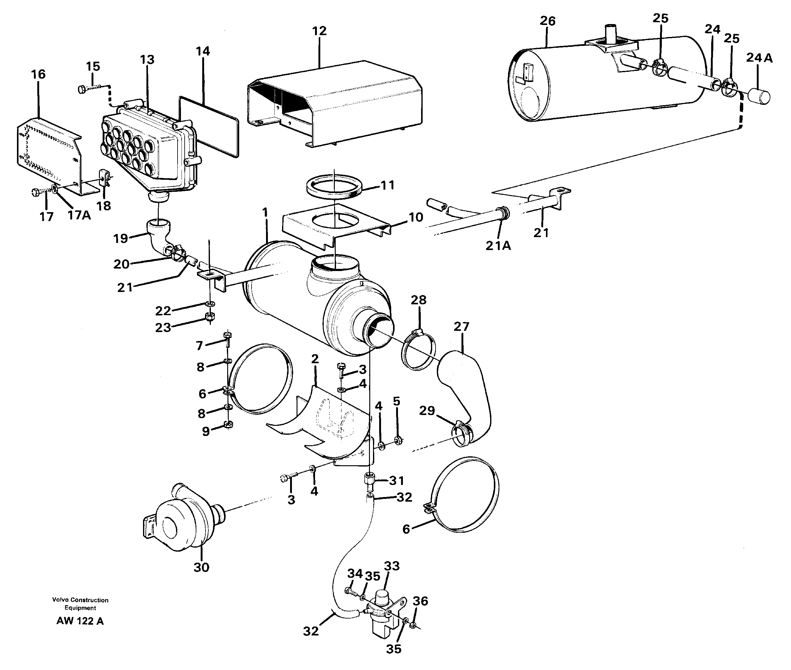
Запчасти Volvo L180C 72064 Inlet system L180C S/N 2533-SWE, 60465-USA

Схема запчастей Volvo L180C - 72064 Inlet system L180C S/N 2533-SWE, 60465-USA
FIT
1:1
100%

Артикул

Название

Примечание

Количество

VOE 11105047

Ejector pipe

SER NO 2631 -

1шт.

VOE 11105049

Convolut Tubing

SER NO 2631 -

1шт.

VOE 955297

Винт шестигранник

L = 25 MM

1шт.

VOE 955297

Винт шестигранник

L = 25 MM

1шт.

VOE 952975

Шланг

L = 75 MM

1шт.

1

VOE 11033784

Air cleaner

1шт.

1

VOE 11033784

Air cleaner

1шт.

10

VOE 11075346

Опора

1шт.

11

VOE 11027170

Сальник

1шт.

12

VOE 11075347

Cyclone housing

1шт.

13

VOE 1542673

Cyclone housing

1шт.

14

VOE 476522

476522

1шт.

15

VOE 955255

Винт шестигранник

1шт.

15

VOE 955255

Винт шестигранник

1шт.

16

VOE 11075032

Решетка

1шт.

17

VOE 955269

Винт шестигранник

1шт.

17

VOE 955269

Винт шестигранник

1шт.

17A

VOE 960139

Шайба

1шт.

17A

VOE 960139

Шайба

1шт.

18

VOE 949921

Spring nut

1шт.

18

VOE 949921

Spring nut

1шт.

19

VOE 4776875

Соединитель

1шт.

2

VOE 11093664

11093664

1шт.

20

VOE 943475

Hose clamp

1шт.

20

VOE 943475

Hose clamp

1шт.

21

VOE 11075497

Ejector pipe

SER NO - 2630

1шт.

21A

VOE 981904

Зажим

SER NO 2631 -

1шт.

21A

VOE 981904

Зажим

SER NO 2631 -

1шт.

22

VOE 13960141

Шайба

1шт.

22

VOE 13960141

Шайба

1шт.

23

VOE 963106

Lock nut

1шт.

23

VOE 963106

Lock nut

1шт.

24

VOE 11075642

Corrugated hose

SER NO - 2630

1шт.

24A

VOE 4932563

Rubber bushing

1шт.

24A

VOE 4932563

Rubber bushing

1шт.

25

VOE 943477

Hose clamp

1шт.

27

VOE 11033363

Шланг

1шт.

28

VOE 968941

Hose clamp

1шт.

28

VOE 968941

Зажим

1шт.

29

VOE 943483

Hose clamp

1шт.

29

VOE 943483

Hose clamp

1шт.

3

VOE 13955295

Болт

L = 20 MM

1шт.

3

VOE 13955295

Болт

L = 20 MM

1шт.

31

VOE 11033365

Nipple

1шт.

31

VOE 11033365

Nipple

1шт.

32

VOE 943727

Шланг

L = 250 MM

1шт.

32

VOE 943727

Шланг

L = 250 MM

1шт.

33

VOE 11039352

Vacuum switch

SE7

1шт.

33

VOE 11039352

Vacuum switch

SE7

1шт.

34

VOE 955246

Винт шестигранник

1шт.

34

VOE 955246

Винт шестигранник

1шт.

35

VOE 13940090

Шайба

(VOE 940090)

1шт.

35

VOE 13940090

Шайба

(VOE 940090)

1шт.

36

VOE 946577

Lock nut

1шт.

36

VOE 946577

Lock nut

1шт.

4

VOE 13960141

Шайба

1шт.

4

VOE 13960141

Шайба

1шт.

5

VOE 955782

Hexagon nut

1шт.

5

VOE 955782

Hexagon nut

1шт.

6

VOE 11075062

Tensioning band

1шт.

7

VOE 940132

Винт шестигранник

1шт.

7

VOE 940132

Винт шестигранник

1шт.

8

VOE 13955894

Шайба

1шт.

8

VOE 13955894

Шайба

1шт.

9

VOE 955782

Hexagon nut

1шт.

9

VOE 955782

Hexagon nut

1шт.

Выбрано товаров: 66